Aller au contenu
  • En ligne récemment   0 membre est en ligne

    • Aucun utilisateur enregistré regarde cette page.

Messages recommandés

Posté(e)

bonsoir , j ai trouver mon grondement a l arriere c est un roulement de roue , ma question et la suivant est ce possible de le faire soit meme sans aller au garage merci ....

  • Réponses 1,9k
  • Créé
  • Dernière réponse

Classement des membres dans ce topic

Classement des membres dans ce topic

Images publiées

Posté(e)

Oui il va te falloir un Extracteur.

 

Il faudra que tu enlève le cardan du moyeux puis sortie la première partie du moyeux à l'aide du premier outil.

 

Puis le second pour sortir le roulement.

 

Ou démonter le bras et sortir le tout à la presse si tu connais quelqu'un qui en as une.

 

Si tu n'a pas les outils je pense que tu y gagnerais à aller chez un pro

ac9ed95fa803eaccbd308f6e7da120ed.jpgaa57bad92d837338da2510c32223aad0.jpg

Posté(e)

salut ,

merci pour les info sm et bam top !! :marcelpoire: , j ai reussi a la mac gyver roulement exploser certaine bille presenter des plats , je vais faire les deux du cout comme je refait a neuf haldex et cardan powerflex etc un peu comme le post avec la Nogaro ma donne trop envie ... du coup c est partir mais il fait chaud chaud ... :race: :race:

Posté(e)

bonjour des avis sur les powerflex des demi train arrière sur non s3 bien ou a eviter ..merci d avance

Posté(e)

Salut

Je suis monté en Powerflex avant/arrière et RAS depuis 25000kms.

Posté(e)

J'ai des Powerflex de tourelle de suspension au cas ou tout neuf à vendre

Posté(e)

BONJOUR POUR DEMONTER LE FLECTOR ARRIERE C EST UNE DOUILLE DE COMBIEN 12 PANS MAIS JE SECHE ...MERCI D AVANCE ...

Posté(e)

Bonjour,

 

Je vais devoir acheter une durite pour le turbo 06A145832L , sur ebay la marque Forge est dans les 85E, mais celui là est bien moins chère

http://www.ebay.fr/itm/FORGE-MOTORSPORT-TURBO-HOSE-FM225TH-TT-210-225-LEON-CUPRA-R-S3-1-8T/252944852637?_trksid=p2047675.c100005.m1851&_trkparms=aid%3D222007%26algo%3DSIC.MBE%26ao%3D1%26asc%3D20140620091323%26meid%3D2e0df57efc2f4407b2dd4d9d4c636df8%26pid%3D100005%26rk%3D4%26rkt%3D6%26sd%3D331274985884

 

Il est marqué dans le titre : These hoses are missing the Fluro lining , traduit par google : Ces tuyaux manquent de la doublure Fluro

 

Sa veut quoi ? il y a pas la doublure rouge ? :nixweiss:

 

J'ai acheter la meme durite avec une autre marque

http://www.ebay.fr/itm/AUDI-S3-TT-SEAT-LEON-CUPRA-R-TURBO-SILICONE-HOSE-INTERCOOLER-BOOST-FM225TH-225-/121186475303?hash=item1c3746dd27:g:nucAAOxy4XNSSsSx#rwid

 

J'ai réussi à la mettre mais en forçant, le diamètre est trop petit je pense, donc pas sur que c'est top :nixweiss:

Posté(e)

Si il est en place il faut le laisser

Posté(e)

Salut Yaz01, oui la durite bleu de marque DPH est en place, mais c'était vraiment Très limite pour la mettre, à comparaison avec la durite d'origine, il y a bien une différence de diamètre.

Du coup je me dis que l'air doit être restreinte à l'intérieur.

 

Pour le Forge a petit prix, une idée pour ce qui manque ? je penserais pour la doublure en rouge, sa doit pas être important car sa serais pas vendu sinon ? :nixweiss:

Posté(e)

Pour la durite, c'est bien le revêtement rouge de finition qui n'est pas présent, d'après la réponse du vendeur.

 

Je recherche le PDF de la procédure du changement de turbo par le dessous de la voiture, quelqu'un aurait cela svp ?

  • 2 semaines plus tard...
Posté(e)

bonsoir les audiste petite question comment peux on savoir si l haldex donne ce qu il faut quand on accélère , hormis la mettre sur un pont ? merci d avance :race: :race:

Posté(e)

Salut, met toi en première et pied au plancher, si sa patine pas c'est que c'est bon je pense

 

Envoyé de mon D6633 en utilisant Tapatalk

Posté(e)

+1, moi çà patine pas :eldiablo:

Posté(e)

Oui mais plein bourre

Posté(e)

bonjour , les enceinte arriere sur le s3 c est du 16.5 ou 17 je vais les remplacer mais j aimerai demonter et remonter dans la meme journee merci par avance , il faut des cales ou pas besoin ..?merci

Posté(e)

bonjour , les enceinte arriere sur le s3 c est du 16.5 ou 17 je vais les remplacer mais j aimerai demonter et remonter dans la meme journee merci par avance , il faut des cales ou pas besoin ..?merci

C'est du 16.5 3 trous, il faut donc un adaptateur.

 

Et pour le revêtement fluoro des durites, ça permet de protéger de l'huile et hydrocarbures le silicone qui n'aime pas trop et peux se détériorer donc je dirais que c'est à éviter si tu n'a pas de catch-can.

Posté(e)

merci pour l info jr boin ,

j ai encore une question le woofer dans le caisse d origine , j aimerai le remplacer par un woofer plus performent , mais j ai démonter et il y a 2 arriver de chaque cotes du woofer un fil noir et un rouge , et deux l autre cotes un bleu ciel et marron merci d avance sur quelqu sait .. je me demande a quoi ca sert ?? :race:

Posté(e)

quelqu'un a deja monté un adaptateur a place de la sortie chargeur cd pour passer en sortie aux jack pour mettre un lecteur mp3 ou telephone...

je me demande la connectique sur l'auto radio c'est les mini fiche bleu ou c'est de type fiche iso???

Posté(e)

Monte un xcarlink c'est le plus simple.

 

Tu te connecte en blutooth au boîtier et gère la musique depuis ton téléphone.

 

Il y aussi prise jack dessus et usb

Il se branche au chargeur cd, super facile à installer

Posté(e)

Bonjour à tous,

 

J'ai un soucis de de feux de croisement du côté droit. Le xénon s'allume quelques secondes puis s'éteint.

 

J'ai changé de phare, donc de ballast ainsi que le xénon mais toujours pareil.

J'ai regardé les fusibles 20 et 18 et c'est ok.

 

Lorsque j'ai changé de xénon, ça a fonctionné un jour et pareil quand j'ai interverti le fusible 18 et 19 pour voir si cela venait du fusible, cela a duré quelques heures.

 

Vous avez déjà eu ce problème?

 

( J'ai fait une recherche pour ma question, j'ai pas trouvé de topic concernant)

Posté(e)

Hello tout le monde,

 

Pouvez vous regarder si votre voiture fait pareil

 

- Après avoir rouler votre S, laissé la refroidir (genre toute une nuit) puis ouvrez le vase d'expansion et dite moi si vous entendez le pshiiit significatif d'un circuit qui était toujours sous pression.

 

Je m'explique. depuis quelques temps je perd du liquide mais impossible de savoir ou car pas de trace, pas de fumé, pas d'huile dans l'eau et vice versa.

La voiture roule normalement. Etant donné que ce n'est pas une grosse fuite je me suis dit que si ça passe dans un cylindre la fumé blanche sera discrète et donc dure a détecté.

 

Mais tout ça est en contradiction avec mon vase d'expansion qui reste sous pression. normalement qui dit pression dit pas de fuite ...

De plus je trouve bizzare qu'il y a toujours de la pression parfois plusieurs jour après la dernière utilisation

Posté(e)

Bonjour tout le monde je vous écrit car depuis quelques temps je suis inscrit sur le forum je le feuillette casi tous les jours sans oser poser des questions bien que j'ai l'impression de vous connaître voilà moi c filou je suis de Lyon /vienne

En fait jai besoin de vos lumières pour installer le fameux rnse jen ai trouver il va bientôt arriver à la maison ainsi que le volant 8p et dc pendant mes vacances je voulais m'attaquer au chantier j'ai quelques compétences mais votre aide be serai pas de trop vu que les topic sont assez vieux les photos ne fonctionne plus trop dc pour le faisceau ect je galère dc si quelqu'un peu m'aider meme voir se rencontrer pour partager se moment car je souhaite rentrer dans votre communauté jen suis à ma deuxième s3 immola celle la je la garde je sais pas si je suis au bonne endroit pour poster ve com mais vous me le direz si je suis hors sujet

Merci d'avance de vos réponses

Cordialement filou

 

 

Envoyé de mon iPhone en utilisant Tapatalk

  • 2 semaines plus tard...
Posté(e)

bonjour,

 

j'aimerais connaitre la taille de l'empreinte pour les vis de culasse

 

Merci

Posté(e)

Salut,

 

C'est du torx 55 il faut que tu meule légèrement les arrêtes

 

Envoyé de mon F8331 en utilisant Tapatalk

Posté(e)

Salut,

 

C'est du torx 55 il faut que tu meule légèrement les arrêtes

 

Envoyé de mon F8331 en utilisant Tapatalk

A ok merci pour l'astuce

 

Envoyé de mon F8331 en utilisant Tapatalk

Posté(e)

Malheureusement l'outil que j'ai n'est pas asse long pour passer à travers la culasse donc je vais en acheter un :/

 

Je souhaite mettre un radiateur d'huile mais je suis pas sûre de moi. vous avez des liens intéressant à me proposer ?

  • 2 semaines plus tard...
Posté(e)

Salut,

 

J essaye de remonte ma culasse et la je veux remonte le dephaseur sauf que c'est galere. Aparement il faut le comprimé avec un outil. C'est obligatoire ou il faut absolument l'outil ? Si il faut l outil ou je peux l'avoir ? Merci

 

Envoyé de mon F8331 en utilisant Tapatalk

Posté(e)

Salut,

 

J essaye de remonte ma culasse et la je veux remonte le dephaseur sauf que c'est galere. Aparement il faut le comprimé avec un outil. C'est obligatoire ou il faut absolument l'outil ? Si il faut l outil ou je peux l'avoir ? Merci

 

Envoyé de mon F8331 en utilisant Tapatalk

Outil VAG 3366 (on en trouve à 6€ sur eBay), sinon il me semble certains défont l'arbre à came qui n'à pas la distribution du côté déphaseur pour avoir du jeu et pouvoir défaire/remettre la chaine sans l'outil.

Posté(e)

Outil VAG 3366 (on en trouve à 6€ sur eBay), sinon il me semble certains défont l'arbre à came qui n'à pas la distribution du côté déphaseur pour avoir du jeu et pouvoir défaire/remettre la chaine sans l'outil.

Je te remercie mais j'ai vite vu la galere lol j'ai commandé l'outil.

 

Merci

 

Envoyé de mon F8331 en utilisant Tapatalk

  • 3 semaines plus tard...
Posté(e)

Salut à tous !

 

Petite question à la con !

 

Pour sortir le feux complet, il faut enlever la petite plaque noir sous le feux pour faire sortir le câble rouge de haute tension ? Peur de cassé.

 

J'ai déjà vu que d'un coter le moteur de réglage eSt sortit de la patte en plastique blanche et de l'autre la patte est cassé :/

 

Quelqu un se souvient de la personne du fofo qui en avait faite refaire et les vendais ?

 

Sportivement

Posté(e)

C'est bon j'ai réussi à sortir les feux par contre si certains ont deux trois conseil pour remboiter le moteur dans la patte en plastique je suis preneur...

 

Sachant qu'il doit sûrement le faire glisser depuis le coter vu que c'est rond la tige qui vient dedans, je vois pas trop comment faire :/

  • 2 semaines plus tard...
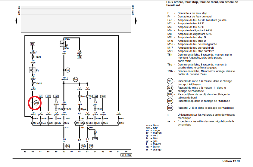
Posté(e)

Salut à tous ,quelqu'un saurait me dire où je peux trouver ce raccord 87 ( entourer en rouge ), merci

 

post-126504-0-92041900-1506183063_thumb.png

Créer un compte ou se connecter pour commenter

Vous devez être membre afin de pouvoir déposer un commentaire

Créer un compte

Créez un compte sur notre communauté. C’est facile !

Créer un nouveau compte

Se connecter

Vous avez déjà un compte ? Connectez-vous ici.

Connectez-vous maintenant
×
×
  • Créer...