Aller au contenu
  • En ligne récemment   0 membre est en ligne

    • Aucun utilisateur enregistré regarde cette page.

Messages recommandés

Posté(e)

Je comprends tout a fait ton histoire d'A4 du pauvre, de plus je préfère la remettre bien niveau moteur et direction que d'investir dans l'esthétique.

 

Car une belle voiture c'est bien, mais une voiture qui roule et qui est fiable c'est mieux. :bigthumbup:

 

Du coup c'est décidé elle repasse au garage vendredi prochain ou lundi dans 2 semaines, pour changer le cardan gauche, 200e max.

 

Si le problème ce règle, j'investis mes derniers euros dans un débitmètre et une vidange a la 10w40 (bien que ce soit pas sa le plus cher).

 

Sinon aujourd'hui grosse haine, en partant je m'aperçois que coté avant et arrière gauche mes pare-chocs sont rayés ! :colere:

 

J'ai lavé, c'est quasi invisible a l'avant, mais l'arrière a de grosse traces noires, ainsi qu'un peu de peinture bleu (que j'ai réussi a enlever).

 

L'enc**** qui m'as fait sa mérite la mort. (Oui je suis dur parfois. :bleble: )

 

Surtout là où j'étais garé le mec savait vraiment pas conduire pour me frotter... Et sa date d'aujourd'hui car hier je l'aurais vu en inspectant mes nouveaux bras.

 

Voilà, je vais investir dans un stylo répare rayure du coup. :angry:

  • Réponses 671
  • Créé
  • Dernière réponse

Classement des membres dans ce topic

Posté(e)

Merde je suis dégouté pour toi ! Mais c'est aussi pour ça que je veux pas trop investir dans l'esthétique : c'est ruiné en 10 secondes <_<

 

Tu te gares en créneau ??? Moi j'évite un max, car c'est la qu'on a les plus gros dégats mais bon on ne choisit pas toujours. Ceci étant mon rétro démonté la semaine dernière, c'était une place en créneau...

 

En outre tu te prends bien plus souvent des coups de clés quand tu es garé en créneau (en bataille le mec est obligé de faire le tour de la voiture, mais attention aux coups de portière !!)

 

Pour le cardan sur les A4 les soufflets se déchirent souvent, car les gens laissent toujours leurs roues braquées a fond sur le parking, un truc à ne pas faire bien entendu

 

OK pour la 10W40 tu vas voir au démarrage c'est vraiment mieux :)

Posté(e)

L'extérieur de la voiture c'est fou comme c'est impossible de la garder propre, je sais vraiment pas à quoi pensent les gens franchement, honteux. Mais bon au moins point de vue mécanique c'est tout bon donc tant mieux, c'est l'essentiel au final !

Posté(e)

Je me gare sur le bord d'une route en ce moment devant la boite où je taff,

mais je suis a 2m de la route, donc je sais pas d'où il sortait celui la, surement un mec qui a voulut ce garer a coté de moi, mais sa a pas dû passer, car ce soir plus personne.

 

Pour les créneaux, j'évite au max, je me gare en général sur des places en bataille, bien large, et "Moi" je fais toujours attention aux voitures des autres.

 

Enfin bon, c'est la vie.

Posté(e)

Je comprends, les boules :(

 

Mais dans tous les cas, ta voiture va avoir la patate :eldiablo:

Posté(e)

:coucou:

 

Ma voiture a passée la journée chez le garagiste pour le cardan gauche, mauvaise nouvelle, il a démonté pour remonter, car la transmission montée sur mon A4, n'est pas une transmission pour A4B5. Et de plus elle était mal montée. La vis est foirée.

 

Quand il a remonté, il a rajouté de la graisse, et changé le collier de soufflet. Le tout gratuitement en attendant Lundi.

 

Selon lui une transmission de Passat ou autres correspondances, et du coup le cardan d'A4 qu'il avait commandé n'est pas compatible avec.

 

Le résultat : Lundi je change la transmission complète coté gauche, 310e, cette fois un vrai modèle. Dommage j'attendrais pour le débitmètre.

 

J'ai remarqué que la voiture ne fesait plus de bruit lors des passages de ralentisseurs, par contre il claque toujours quand je tourne.

 

Décidément je suis pas au bout de mes surprises avec cette voiture... :blink:

Posté(e)

:coucou:

 

c'est clair pas de bol !!!!!!!

 

pour ton claquement quand tu tourne, est ce que tu as regardé ta rotule de suspension ????

 

@+

Posté(e)

Non je n'est pas pensé, elle pourrait être en cause?

 

Je verrais sa une fois le cardan changé, je pense qu'il est en cause, car même les claquements se sont atténués.

 

En plus ma mission c'est terminée ce soir, donc Lundi je reste avec le mécano pendant l'opération, c'est cool, comme sa je vais voir comment il se débrouille. :bigthumbup:

Posté(e)

C'est quand meme tordu cette histoire, car la Passat est censée avoir les memes moteurs et transmissions que l'A4 sur cette plateforme me semble-til !

 

A moins que l'ancien proprio ait voulu réparer à bas prix (et encore une fois, pas cher c'est bien, mais à long terme on n'est jamais gagnant)

 

Dommage que tu en fasses les frais mais ta voiture ne pourra que se sentir mieux apres !

Posté(e)

Ouai, c'est juste chiant car du coup je peux pas investir dans un nouveaux débitmètre, mais ce weekend je fais tenter un nettoyage par bain dans de l'acétone.

 

Je verrais bien si sa marche mieux que le nettoyant pour freins. B)

Posté(e)

L'important c'est que tu gardes le moral, c'est vrai que les A4 sont des voitures très fiables malheureusement l'entretien doit être irréprochable et vu l'age de nos voitures, c'est vraiment la loterie.

 

En epluchant les factures lundi je me suis rendu compte que mon calorstat devait être foutu depuis 3 ans, mon moteur a donc fait 40.000 kms sans chauffer, sachant que les deux précédents proprios avaient claqué 2.000 € de frais, entre les jantes, amortos, pneus, distrib et j'en passe...Et lundi j'ai vu que la boite d'ampoule qu'ils m'avaient laissé c'est du H4 alors que la phase 2 est entièrement en H7.

 

Bref, je pense que les anciens proprios de nos bagnoles se sont bien foutus de nos gueules, pour moi toutes les réparations ca s'est chiffré a 1300 € environ, que de l'entretien négligé au final, aucun problème depuis que je l'ai, je touche du bois <_<

Posté(e)

Là j'ai bien misé dessus ce mois-ci après peut-être que le mois prochain les finances me permettrons d'investir dans le débitmètre, comme sa elle seras nickel, et je laisserais plus trainer l'entretient comme l'on fait les anciens proprios.

 

La plupart des gens pensent qu'Audi c'est du solide. Je suis d'accord, mais si t'entretiens rien, sa lâche a un moment comme n'importe qu'elle marque.

 

C'est cool de retaper des voitures comme les nôtres, dans quelques années on en verra de moins en moins, fautes a ceux qui les entretiennent mal et accélère leur mise a la casse !

Posté(e)

C'est vrai que les Audi sont très exigeantes niveau entretien (d'ou l'importance de s'y connaitre) mais elles nous le rendent bien !

 

Vivement que tu puisses en profiter a 100 % :bien:

  • 4 semaines plus tard...
Posté(e)

Alors il parait qu'avec un filtre à air tout neuf tu as récupéré tout ce qu'il faut ? :eldiablo: :eldiablo:

Posté(e)

:coucou:

 

Honnêtement je comprends plus rien, le jour ou j'ai changé le filtre, elle a re-galerer a démarrer avec qu'il fesait une chaleur de fou, et depuis elle a redémarré tout le temps nickel.

 

Elle accélère parfaitement aussi, sauf parfois quelques accoups si je pousse au dessus des 3500T/min.

 

Je pense de plus en plus a la décatalysation, histoire de voir si toute cette affaire n'est pas due a un catalyseur partiellement bouché.

 

Et en quasi hors sujet, je suis passé de 1 paquet et demi de cigarettes par jour a 3-4 cigarettes, alors qui sais peut-être bientôt, des jantes ou autres je verrais si je tiens le coup ou pas :bigthumbup:

 

Et demain je posterais une photo car j'ai l'impression que la voiture suinte un tout petit peu d'huile par les tétines (au nombre de 3) en plastique qui sont fixées sur le haut du moteur, sur la partie peinte en noir alignées avec le bouchon d'huile, je sais pas si tu vois de quoi je parle, la photo de demain seras plus explicite ;)

Posté(e)

:coucou:

 

Je pense que pour ta fuite tu parles du cache culbuteur. Avec le temps le joint du cache finit parfois par fuire (assez courant) parfois il est juste deserrer.

 

Ca vaut dans les 30-40 selon les moteurs je crois

 

Perso sur ma 80 il fuyait depuis plusieurs années mais je ne l'ai jamais changé, je ne suis pas maniaque sur le moteur (bon c'était pas non plus une piscine a huile hein :bigsmile: )

 

Bravo pour tes cigarettes je voudrais que mes parents arretent aussi :bigsmile:

 

Pour ton filtre à voir avec la suppression du catalyseur comme tu dis. Normalement ca passe le CT. Moi j'ai juste senti que depuis l'EGR débranchée elle sent franchement pas bon à froid, pareil que ma 80 en fait <_<

Posté(e)

Pour répondre à ton HS:

Et en quasi hors sujet, je suis passé de 1 paquet et demi de cigarettes par jour a 3-4 cigarettes, alors qui sais peut-être bientôt, des jantes ou autres je verrais si je tiens le coup ou pas :bigthumbup:

Moi, qui fumais autant que toi, depuis 3 semaine et demi, je n'ai pas touché une clope,je suis passé à la clope électronique, et franchement, toutes ces économies m'ont permis de me payer quelques accessoires sur mon A6, je pense que les jantes seront aussi un projet qui verra le jour très bientôt! :P

Jette un oeil ICI si tu veux! :bien:

Posté(e) (modifié)

Moi aussi a froid l'A4 sent pas terrible <_<

 

Pour la photo en question :

 

dsc0050zy.jpg

 

Donc on voit bien l'huile légèrement suintante autour des contours en plastique, on voit aussi la réparation dégueulasse de mes cosses de bougies de préchauffage en arrière plan. :bigthumbup:

 

L'avantage du scotch orange de chantier, c'est qu'on repère directement les anomalies.

 

Blagues a part, il faudra que je me renseigne sur le changement de ces dernières.

 

Sinon sais-tu si le changement de ces joints de cache culbuteur est difficile?

 

H.S : Pour la E-cigarette, mon colocataire en fume toute la journée, café, menthe ou nature, j'ai essayé mais sa m'arrache la gorge. Autant que je reste a un paquet par semaine ou que j'arrête complétement. :bigsmile:

 

 

PETIT RAJOUT : Les feux de RS4 B5 ce montent-ils sur les a4 b5 Ph1?

 

2EME RAJOUT :

 

Cet aprem, après mon message j'ai décidé de dé-sigler !

 

La photo :

 

dsc0051xf.jpg

 

Seul regret : Maintenant on bloque plus sur les 3 accros de carroserie... Mais je suis content du résultat pour l'instant ;)

 

Bientot je ferais redresser la plaque d'immatriculation, sa fait vraiment tache. :furious:

Modifié par A4new
Posté(e)

Ca depend ce que tu appelles feux RS4...l'AR ou l'AV ? L'AV c'est comme passer sur du phase 2. Pour l'AR tu peux passer en phase 2 sans trop de souci (4 fils à inverser c'est tout)

 

Je confirme c'est bien ton joint de cache culbuteurs qui fuit, pas trop galère à priori beaucoup le font avec assez peu d'outillage au final ;)

Posté(e)

En fait pour les feux de la RS4 que j'avais trouvé, malheureusement je me suis aperçu que c'était des versions break.

 

Dommage, je vais continuer a chercher. La semaine prochaine je ferais un tour en casse, voir il y a pas d'audi qui trainent. :bigthumbup:

Posté(e)

Sachant qu'en règle général les feux phase 2 comme sur la mienne sont moins cher que des feux tunning imitation. Ca donnera un bon coup de jeune c'est clair :)

Posté(e)

Je vais me renseigner sur la manoeuvrea suivre, sa sent le tutoriel.

Posté(e)

Moi perso sur ma 80 la fuite ne me dérangeait pas trop, je ne consommais quasi pas d'huile et je faisais une vidange tous les 7500 kms, après c'est clair que ca faisait pas super propre ;)

 

Je me suis jamais senti le courage de le faire. Mais pour le prix, tu as raison on a tort de s'en priver

Posté(e)

Si il y a deja des tutos alors je vais pas en rajouter une couche, je vais faire un petit tour pour voir ce que les autres racontent. :bigsmile:

  • 2 semaines plus tard...
  • 2 semaines plus tard...
Posté(e)

:coucou:

 

Pas mal le sujet sur les enceintes dans les portes arrières, peut-être qu'un jour j'en mettrais :bigthumbup:

 

Sinon au niveau des tutoriels sur les joints de cache culbuteur, j'ai rien trouvé de bien spécifique a notre A4, dommage car du coup je ne sais pas par où commencer, et j'ai pas envie de confier sa au garagiste pour ensuite me dire (comme pour la transmission) qu'en fait c'est facile a faire et que j'aurais dû mieux me renseigner.

 

De plus les 3 cosses en plastique sur le haut du moteur ne s'enlèvent pas facilement et j'ai un peu la flippe de forcer, surtout que je ne sais pas ce qui ce trouve en dessous.

 

Bref, je continus mes recherches, en espérant que sa me mène quelques part :bigthumbup:

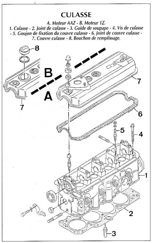
Posté(e) (modifié)

Aujourd'hui au détour d'un topic sur un mec qui cherchait quel moteur il avait sur sa audi 80, j'ai trouvé sa :

 

CULASSE.jpg

 

Plutôt pas mal, sachant que maintenant je sais qu'elles pieces va où et surtout je vois un peu mieu comment je vais mis prendre :bigthumbup:

 

L'enquête continue :eldiablo:

 

EDIT :

 

J'ai trouvé sa aussi, un tuyau de decatalysation, c'est un accessoire pour ceux qui veulent faire de la prepa moteur, mais dans mon cas sa pourrait ce révéler une bonne alternative plutôt que de dessouder/ressouder le catalyseur pour le vider. 203e pièce quand même :unsure: .

 

TS208.gif

Modifié par A4new
Posté(e)

Bon bah impeccable, as-tu commandé les pièces ? :bigthumbup:

 

Pour le cata perso je te conseillerai de le vider tout simplement. Inutilep our une voiture de ce kilométrage de payer 200 € pour ça.

 

D'ailleurs tu en es a combien de kilomètres ? :malelovies:

Posté(e)

Je viens tout juste de passer les 273000 ! :)

 

J'ai vu a leclerc des filtres puxflux a 15e ce weekend, et de la 10w40 a 15e, marque leclerc.

Je garde sa de coté pour la prochaine vidange !

 

Sinon la voiture bloque toujours parfois autour des 120-130, mais c'est tres rare depuis le changement de filtre.

 

Pour le vidage du cata, reste a voir le prix de l'opération, mais je pense que sa regleras pas mal de mes soucis.

Posté(e)

Alors dans ce cas, que fais-tu connecté au lieu de rouler ? :bigsmile: :bigsmile: :bigsmile:

Posté(e)

J'arrive de 60 kms de route ! :bigsmile:

 

Je dis que je vise le double mais je pense que je me séparerais de la b5 avant, même si c'est ma première allemande, et que je suis amoureux de son confort, j'aimerais passer a plus puissant d'ici quelques temps, et surtout un peu plus récent.

 

Mais dans tout les cas elle restera dans la famille je pense, car au vu de ce que j'ai déjà investis dedans, et de ce que je compte encore faire dessus, je ne pense même pas une seconde m'en défaire pour 1500 ou 2000e je préfère encore la donner a mon père ou ma sœur quand elle aura le permis :bigthumbup:

 

Mais pour l'instant, elle reste avec moi :P

Posté(e)

on père a croisé une passat B5 TDI 110 : 519.000 kms :bigthumbup:

Posté(e)

J'ai vu une Passat 110 chv, a vendre l'autre jour, 560 000 kms un truc du genre.

 

1600e a deb, mais bon a ce kilométrage c'est risqués !

Posté(e)

Bah tu vois tu peux vendre la tienne le double :bigthumbup: :bigthumbup: :bigthumbup: :bigthumbup:

 

Bon, trêve de plaisanterie, à quand la prochaine modif ? Je peux rien faire sur la mienne avec ce temps pourri alors je lorgne chez les autres :bigthumbup:

Posté(e)

Bah tu vois tu peux vendre la tienne le double :bigthumbup: :bigthumbup: :bigthumbup: :bigthumbup:

 

Bon, trêve de plaisanterie, à quand la prochaine modif ? Je peux rien faire sur la mienne avec ce temps pourri alors je lorgne chez les autres :bigthumbup:

 

+ 10000000 :bleble:

Créer un compte ou se connecter pour commenter

Vous devez être membre afin de pouvoir déposer un commentaire

Créer un compte

Créez un compte sur notre communauté. C’est facile !

Créer un nouveau compte

Se connecter

Vous avez déjà un compte ? Connectez-vous ici.

Connectez-vous maintenant
×
×
  • Créer...