Aller au contenu
  • En ligne récemment   0 membre est en ligne

    • Aucun utilisateur enregistré regarde cette page.

Messages recommandés

Posté(e)

Bonjour à tous,

 

Moteur AFB (271 000 km)

 

J'ai une fuite d'huile au niveau d'un des joints du cache culbuteur et au niveau d'un injecteur.

Je compte changer celui ci moi même et par la même occasion changer le second qui commence à presenter des signes de faiblesse.

 

Ca n'a l'air pas bien compliqué, mais je veux rester prudent et m'assurer que je ne ferais pas de degats, n'ayant aucune connaissance en mecanique.

Je pense pincer les durites de sortie de carburant niveau filtre à gazoil avant de demonter les "tuyeaux arrivant aux injecteurs, afin d'eviter à avoir à reamorcer la pompe d'injection, ensuite demonter le debimetre et demonter le cache culbuteur afin de changer le joint.

Une question tout de même :

 

y a t'il des joints entre le tuyeau en acier et l'injecteur à prevoir ?

 

Comment proceder au changement du joint entre l'injecteur et le cache culbuteur ?

Je n'ai pas de vue eclatée de cette partie du travail et j'aurais aimé savoir avant de demonter afin d'avoir les bonnes pièces de rechange

Merci pour votre aide à ma requete

 

Amicalement

Mickel

 

post-11811-1241452274_thumb.jpg

Posté(e)

Bonsoir,

Sur l'AFB, les joints entre les injecteurs et les couvre-culasse ne se détaillent pas.

Ce moteur dispose d'un filtre de reniflard qui doit être remplacé régulierement sous peine de voir la pression dans le bas moteur dépasser la valeur prescrite (et causer ces fuites, les joints des couvre-culasse servant de soupape de sécurité).

Voir Ici

 

Bon courage

 

 

Fred38

Posté(e) (modifié)

Merci pour ta reponse Fred38, je viens effectivement d'apprendre que les joints entre les injecteurs et le couvre culasse ne se detaillent pas !

Il faut acheter le couvre culasse complet 80 euros HT :furious:

 

Par contre si je venais à acheter ces couvres culasses, leur changement est il facile, car il faut dans ce cas demonter les injecteurs de l'ancien couvre culasse, je suppose qu'ils ne sont pas vissés ?

 

Cordialement

Modifié par Mickel
Posté(e) (modifié)

Bonjour,

Les injecteurs ne sont pas fixés aux couvres culasse.

Les couvres culasse disposent de joints en "cylindre", les injecteurs "glissent" dedans.

Prévoir de la pâte a joint pour certain recoins : ici

 

Fred38

Modifié par Fred38
Posté(e)

Merci Fred38 :coucou::bigthumbup:

Me voici maintenant bien informé

 

J'ai pris la decision de faire changer les caches culasses chez Audi, j'ai la crainte de passer du temps sur le vehicule et que le probleme reapparait si la crepine est à changer.

 

J'ai rendez vous chez Audi le 18 mai

ils me changerons les 2 caches culasses ainsi que la crepine

cout entre 600 - 700 euros (Mo + Pièces)

 

Je vous tiendrais au courant

 

Amicalement

Mickel

Posté(e) (modifié)

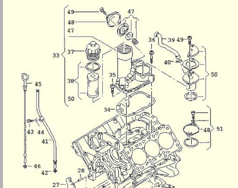
Bonjour,

 

quelqu'un peut il me faire voir ou se situe la crepine sur ce schema ?

 

Merci de votre aide

:bigthumbup:

post-11811-1241629235_thumb.jpg

Modifié par Mickel
Posté(e) (modifié)

Merci Nico225 :coucou:

Modifié par Mickel
  • 2 semaines plus tard...
Posté(e) (modifié)

Bonjour à tous,

 

Quleques nouvelles de ma fuite d'huile

J'ai pris rendez vous et deposé mon A6 chez Audi pour changement des couvres culasses et de la crepine lundi 18 mai.

Je depose la voiture le lundi matin à 8h00

 

"Pas de soucis Mr, vous recuperez votre voiture ce soir"

A 9h00, le garage m'appelle, désolé Mr, on a oublié de commander les caches culbuteurs, nous les commandons en urgence, et travaillerons sur votre vehicule, vous recuperer votre vehicule ce mardi. :furious:

 

Mardi 12h00 coup de fil, Bjr Mr ! votre voiture est terminée, vous pouvez venir la recuperer.

Un ami me depose au garage, l'A6 m'attend sur le parking, mon ami me fait remarquer une grosse flaque sous la voiture, ben surement de l'eau ils ont dut la nettoyer avant de ma la rendre.

 

Je paye ma facture "632 euros", ils ont soit disant fait un petit geste sur la main d'oeuvre pour le retard.

 

Avant de partir, je fais le tour du vehicule, ouvre le capot pour verifier les niveaux !

He là ! je rage :furious: :furious:

Niveau d'huile en deça du niveau mini et la grosse flaque sous la voiture, ben c'est l'huile et non de l'eau.

 

Je fais constater le probleme au commercial qui vient d'encaisser ma facture, celui ci très embarassé, essaie de me calmer et ne comprends pas ce qui c'est passé.

 

La voiture est restée au garage et demain le mecano doit verifier le vehicule aux premieres heures.

 

Demain, j'ai rendez vous avec le responsable et je vais demander un geste commercial sur ma facture, me rembourser purement et simplement la main d'oeuvre !

 

Immaginez si j'avais roulé sans faire verifier le vehicule, c'est vraiment scandaleux !!!

 

Amicalement

Mickel

Modifié par Mickel
Posté(e)

Bonjour à tous,

 

J'ai enfin recuperé mon A6

Le technicien a reconnu son erreur de debutant :furious: il a laissé des morceaux du vieux joint sous le joint neuf d'un des caches culbuteurs.

d'ou la fuite importante d'huile.

 

J'ai demandé de rencontrer le responsable de la concession, pour obtenir un geste commercial, il voulais m'offrir la vidange gratuite (main d'oeuvre et accessoires), non ai je repondu ! je fais mes vidanges moi même, au moins elles sont bien faites et quand j'ai terminé, je n'ai pas de flaque d'huile sous la voiture (ai-je retorqué) :eldiablo:

 

Ils m'ont donc fait une remise de 50% sur ma facture, soit 316 euros de reupéré ! :bigthumbup:

 

J'ai retrouvé le sourire - par contre en rentrant chez moi, je me suis aperçu qu'ils m'ont menti, j'avais demandé à ce que le moteur soit nettoyé, ce qui n'a pas été fait le cache plastique sous la voiture est plein d'huile :furious:

 

Vendredi je fais ma vidange, je nettoierai tout ça, on est jamais mieux servi que par soi-même

 

Amicalement

Mickel

Posté(e)

tu as eu chaud... tu aurais roulé comme ça, les AAC n'auraient pas bien été lubrifiés et tu risquais de casser tout le moteur...c'est vraiment des nazes...c'est vrai qu'on y voit pas grand chose dans le moteur mais faut pas pousser, ils ont des lampes quand même...mais certains n'ont pas de cerveau il semble :rolleyes:

 

bon, content que ça se soit terminé avec une facture divisée par 2, tu as tout gagné au final :bien:

 

te voila reparti pour 270 00 km :)

 

Steph

Posté(e)

Bon ben ! c'est pas de chance ! :furious:

Les fuites sont reapparues au niveau des caches culbuteurs, un est gras, l'autre fuit pas mal.

 

J'ai rappelé Audi qui me reprends le vehicule ce jour, pour tout refaire !

J'espere que cette fois ci sera la bonne, car je commence vraiment à me poser des questions sur la competence du mecano de cette concession

 

Amicalement

Mickel

Posté(e) (modifié)

Bonjour à tous,

 

Suite des evenements, j'ai recuperé mon vehicule

Ils ont changé de nouveau le cache culbuteur qui fuyait bien sous garantie et mis de la pate à joint sur l'autre.

Ils ont testé et aucune fiuite pour eux.

 

Je rentre chez moi, et devinez quoi - tache sous la voiture :furious:

 

Je nettoies tout le haut moteur correctement, enelve toute trace d'huile

 

Hier j'ai roulé 450 km, route mixte (autoroute et ville)

 

Ce matin je verifie mon niveau et je remarque que j'ai perdu à peu près la quantité d'un verre à vin d'huile.

 

Je verifie les caches culbuteurs, sur celui qui ont mis de la pate à joint, on va dire que ca peut aller, malgré qu'il parait legerement gras.Sur celui qui ont changé de nouveau, je retrouve une fuite, c'est très gras sur les durites d'eau situé au dessous de ce cache.

Par contre je m'apercoies d'une coulure d'huile le long de la "cheminée" là où se situe le bouchon de remplissage d'huile, ca a d'ailleurs coulé tout le long de cette cheminée, suinté sur le premier injecteur.

 

Je me demande si ce n'est as le joint de mon bouchon de remplissage qui est HS ?

Si c'etait le cas, je pense que le mecano d'Audi l'aurait vu ??

 

Une question, est ce normal que l'huile remonte aussi haut dans le moteur jusqu'au bouchon de remplissage (moteur AFB) ?

Je vous rappelle que j'ai fait changer la crepine du reniflard en meme temps que les caches culbuteurs

 

Merci de votre aide

Cordialement

Mickel

Modifié par Mickel
Posté(e) (modifié)

Bonjour,

Voir "Message #2"

Vérifier la pression dans le bas moteur, si elle n'est pas trop élevée, alors poursuivre les travaux autour des joints.

Dans tous les cas, le garage doit s'en sortir seul:

- faire le bon diagnostic.

- faire le bon devis.

- faire le bon travail.

 

Fred38

Modifié par Fred38
Posté(e)

je pense que le gros coup de gueule s'impose là. tu vas la remmener combien de fois chez Audi ta voiture ??? tant qu'à faire, ils devraient mettre un atelier en implant chez toi, comme ça ils pourraient démonter les cache-culbut tous les jours :furious:

 

Steph

Posté(e) (modifié)

Bonjour à tous

 

Je dois les appeler demain et je vais leur demander s'il se foute pas de moi, car à force de demonter - remonter, ils vont finir par me petter quelque chose.

La fuite provient bien du cache culbuteur, au niveau du joint :furious:

 

J'ai imprimé et je vais leur donner la methodologie de la pose d'un cache culbuteur que Fred38 (que je remercie au passage) à deposer sur le topic.

Je vais egalement demander à rencontrer le technicien qui travaille sur ma voiture.

 

J'espere qu'ils ne m'ont pas habimé la surface d'etanchehité du haut moteur, je trouve effectivement bizarre que sur 3 deposes et reposes ca fuit toujours au même endroit.

 

Quoiqu'il en soit je vous tiendrais au courant

 

Amicalement

Mickel

Modifié par Mickel
Posté(e) (modifié)

Bonjour à tous,

 

Encore de mauvaises nouvelles.

Audi a enfin reparé les fuites au niveau des caches culbuteurs mais m'ont decouvert une grosse fuite au niveau d'un joint de villebrequin (derriere une plaque)

du côté de l'alternateur.Pour changer ce joint, il faut demonter tout l'avant du vehicule, le dessous moteur (joint de carter) + 2 eme joint partie basse moteur.

Il faut egalement demonter la distribution que j'ai fait faire le mois dernier :furious:

 

Cout de l'intervention : 1170 euros :colere:

En plus des 316 euros precedent, c'est une fuite d'huile qui m'aura couté chere (1486 euros)

 

Dire que je pensais avoir fait une bonne affaire, je l'ai acheté il y a 3 mois (5650 euros), l'ancien proprio devait être au courant mais avait masqué le rpobleme en utilisant de l'huile 15w40 plus epaisse que celle preconisée par le constructeur

 

Je recupererai ma voiture en fin de semaine prochaine

 

Amicalement

Mickel

Modifié par Mickel

Créer un compte ou se connecter pour commenter

Vous devez être membre afin de pouvoir déposer un commentaire

Créer un compte

Créez un compte sur notre communauté. C’est facile !

Créer un nouveau compte

Se connecter

Vous avez déjà un compte ? Connectez-vous ici.

Connectez-vous maintenant
×
×
  • Créer...