Aller au contenu
  • En ligne récemment   0 membre est en ligne

    • Aucun utilisateur enregistré regarde cette page.

Messages recommandés

Posté(e)

bonsoir a tous je vais vous presenter mon projet sur une A4 break de 2000 en TDI 115

 

tout d'abord j'avais acheté une Berline A4 de 96 mais la vis de la poulie de vilebrequin a cassé du coup toute la distribution a pris cher... petite photo de ma berline qui me servira de donneuse finalement

 

759865IMG20170101160302.jpg

 

et petite photo de la distribution

 

928483IMG20170101160312.jpg

 

donc comme ne trouvant pas de moteur je me suis mis a la recherche de la suivante et je suis tombé sur un break de 2000 en TDI 115 avec un embrayage a faire et surtout le vendeur avait un interieur de S4 qu'il a vendu en gros tout le tableau de bord et l'interieur est demonté les photos vont mieux que des longs discours

 

212586IMG20170101160341.jpg

 

361629IMG20170101160354.jpg

 

donc il y a du boulot, surtout que ma donneuse est une phase 1 et que le break est en phase 2

Posté(e)

Salut,

 

Je comprends pas pourquoi tu t'es fait chier à racheter ça tout dépouillé alors qu'on doit franchement trouver des A4 pour pas trop cher... La seule chose que tu peux faire avec ça à mon sens (mais faut la girafe ou la chèvre comme vous dites en France) c'est retirer le moteur de la break et le mettre dans la berline.... Ca te fera encore moins de boulot que devoir refaire tout 'intérieur de la break, en plus remonter quand tu n'as pas démonté toi-même ça va être un cauchemar et qui plus est avec le pari que toutes les pièces de la berline iront dans le break, ce qui n'est pas forcément le cas... Tandis que le moulin lui est identique, ça doit monter sans problème...

Posté(e)

..... et les tableaux de bord phase 1 et phase 2 sont différents.

Posté(e)

apres commencement du remontage il ne manque que la console centrale avec la commande de clim, alors je continu ou je monte le moulin dans la berline???

et si je monte le moulin dans la berline il faut que je prenne quoi comme element pour faire le swap hormis moteur et tous ses peripheriques ,faisceaux, calculateur

Posté(e)

WAUZZZ pourrait peut-être nous éclairer, mais je me demande si tu ne peux pas prendre le bloc nu de la 115ch, c'est à dire les pistons, carter huile, embiellage, puis remonter la culasse et les éléments restants de ta berline car effectivement, un swap de 115ch dans une berline de 96 tu risques de galérer, et comme l'a dit Fred : les intérieurs ont énormément évolué en 4 ans..

 

Si c'est possible je ferai dans ce sens la en tout cas. Ca te fait du boulot certes - dépouiller les deux moteurs - mais tu pourras revendre :

 

- Les deux feux phase 2

- La calandre RS4

- La culasse complète du 115

 

Déja rien que ça tu as un bon billet pour retaper à neuf ton ancien moulin

Posté(e)

et les sieges sont différents aussi a l'arriere , a part récuperer le moteur les phares avant la calandre type RS4 du TDI 115 il n'y a pas grand chose a prendre ,

Bon courage faut etre motivé surtout que le TDI 115 injecteurs pompes est bien différent d'un TDI 90

  • 2 semaines plus tard...
Posté(e)

bon apres avoir pris mon courage a deux main le remontage de la break avance bien, et du coup il me reste l'embrayage a terminé et a remonté boite a gant et rangé le faisceau coté conducteur je mettrai des photos prochainement

Posté(e)

Salut,

 

Le bloc du TDI 115 et celui du 90 sont incompatibles.

@+

Posté(e)

Bon bah autant pour moi j'étais vraiment parti sur une fausse piste :(

Posté(e)

bon j'ai besoin de votre aide je viens de terminé de tout remonté mais petit probleme, le calculateur ne communique pas avec le vag.com. du coup je controle quand je met le contact le relais 219 ne claque pas donc j'aimerai savoir ce qui pourrai empeché le relais 219 de fonctionné j'ai bien un + aprés contact qui arrive sur la borne T et 30

 

une idée car je pense que tout mon proble viens de la

Posté(e)

bon malgré mon souci photo de mon avancé

 

mini_491435IMG20170113162629.jpg

 

mini_166697IMG201701131626251.jpg

 

mini_419706IMG20170113162637.jpg

 

mini_513147IMG20170113162634.jpg

 

mini_986977IMG20170112121341.jpg

 

au fait dessus il y a 4 Combiné fileté bilstein B16

Posté(e)

Mais le problème elle demarre pas du fait que le relais 219 ne claque pas du coup le calculateur n'est pas alimenté ...

Posté(e)

Mais le problème elle demarre pas du fait que le relais 219 ne claque pas du coup le calculateur n'est pas alimenté ...

Salut,

 

A voir éventuellement un défaut au niveau du contacteur de Neiman ou sur la mise à la masse du relais 219.

@+

Posté(e)

Salut,

 

A voir éventuellement un défaut au niveau du contacteur de Neiman ou sur la mise à la masse du relais 219.

@+

J'ai bien du plus sur la borne 30 et T du relais donc je pense a la mise a la masse auriez vous des schémas ou des éléments concernent cela

Posté(e)

A part la RTA N°625.1 de la Passat TDI (10/96 à 10/2000) qui traite la motorisation AJM et Elsawin, je ne vois pas trop pour le schéma électrique moteur.

Ah si, il y a aussi le logiciel de diagnostic WOW de WURTH qui dispose des schémas électriques moteur.

Pour la RTA de la passat, voir ici :

https://www.revue-technique-auto.fr/trouvez-votre-revue-technique-auto

@+

Posté(e)

Par contre j'ai pas de préchauffage non plus, je ne sais pas si c'est lié donc j'emet ce que je trouve

Merci wauzzz de m'aider

Posté(e)

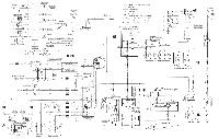
salut ,

 

à tout hasard

 

RTA 720 1996

mini_170116074856119953.jpg

 

mini_170116074905652437.jpg

 

je pense qu'il faut cliquer dessus pour voir en plus grand !

apres je ne sais pas si ça aide ..........à prendre ou à jeter

Posté(e)

Merci mais cela correspond au moteur 1z c'est a dire tdi 90cv qui est commun avec le 110

Mais merci quand même

Posté(e)

C'est toi qui a monté les aiguilles ?

Elles sont compatible avec n'importe quel compteur ces aiguilles ? :icon_confused:

 

bon malgré mon souci photo de mon avancé

 

 

 

mini_166697IMG201701131626251.jpg

 

 

En tout cas beau montage, un mix de phase 1 et 2 pour la console centrale. ( et d'aiguille de S4/RS4 pour le compteur ) :bien:

Posté(e)

pour les aiguilles ce n'est pas moi mais c'est vrai que cela fait pas mal

Posté(e)

Pour Wauzzz , elsawin est en cour de téléchargement

Posté(e)

C'est toi qui a monté les aiguilles ?

Elles sont compatible avec n'importe quel compteur ces aiguilles ? :icon_confused:

 

 

En tout cas beau montage, un mix de phase 1 et 2 pour la console centrale. ( et d'aiguille de S4/RS4 pour le compteur ) :bien:

 

Ce qui est moche, c'est la découpe de l'emplacement de l'horloge, ... et le fait qu'elle n'atteindra pas les 7000Tr/min.

Posté(e)

 

Ce qui est moche, c'est la découpe de l'emplacement de l'horloge, ... et le fait qu'elle n'atteindra pas les 7000Tr/min.

 

c'est vrai que pour l'horloge .. :sic:

apres j'avais pas fait attention que c'est un TDI 115, donc pour toucher la zone rouge, va falloir être patient ( ou passer une mauvaise vitesse en roulant .. )

en attendant, j'aime beaucoup les aiguilles blanches ( mais sur compteur d'origine de la voiture )

Posté(e)

Effectivement c'est sans doute le fond de compteur d'une S4 phase 1 recollé sur le compteur d'origine à mon avis ;)

Posté(e)

Apres plusieurs test voila les résultats:

 

-Quand je mets la borne 86 du relais 219 il claque

-Cet borne 86 ( masse du circuit de puissance du relais) est commandé par quoi?

-sur le bornier dans l'habitacle je n'est pas de +12 sur la borne 87/diesel elle est alimenté quand celle la ?

- j'ai contrôlé mon contacteur de neiman il est bon

 

Sinon j'ai téléchargé elsawin et je n'arrive pas a atteindre le schema électrique de la voiture ca me fait comme si il n'y avais pas internet ...

 

Aidé moi cela deviens compliqué pour allé bosser

Posté(e)

bon aprés mettre bien pris la tete j'ai trouvé ma panne, en m'aidant de Elsawin j'ai recuperer la methode de recherche de panne sur l'injection et resultat le +15 n'arrivé pas au calculateur car une fois alimenté miracle tout mes relais on claqué et la voiture a demarré donc j'ai remonrté le faisceaux et donc petite surprise au niveaux de l'epissure du +15 le fil etait coupé... donc resultat une A4 TDI 115 CV acheté 300€ qui va etre sauvé et remise en etat

Posté(e)

Salut,

 

Nickel !!! Merci Elsawin.

@+

Posté(e)

bon une fois tout remonté je lance un diag forcement et la il va y avoir du taf....

 

Dimanche,22,Janvier,2017,14:58:20:36870
Version VCDS: FRM 11.11.1
Version données: 20120106
Type chassis: 8D - Audi A4 B5
Scanner: 01 02 03 08 15 16 17 25 35 37 45 55 56 57 67 75 76 77
VIN: XXXXXXXXXXXXXXXXX Kilometrage: 481340km
-------------------------------------------------------------------------------
Adresse 01: Moteur Labels: FRM\038-906-019-115.lbl
No. pièce: 038 906 019 BR
Pièce: 1,9l R4 EDC G000SG 1064
Codage: 00002
No. Atelier: WSC 06325
VCID: 68D456530868FB8
1 Code défaut trouvé
18057 - Bus grpe motopropulseur Pas de message du Calculateur d’ABS
P1649 - 35-10 - - Intermittent
Tests passés: 0 0 X X X
-------------------------------------------------------------------------------
Adresse 08: Climatronic Labels: Echec redir!
No. pièce: 8D0 820 043 H
Pièce: A4-KLIMAVOLLAUTOMAT_D65
Codage: 00043
No. Atelier: WSC 02324
VCID: 254A1F67BFFA260
11 Codes défaut trouvés
00785 - Détecteur de température au tableau de bord (G56)
30-00 - Rupture/court-circuit au pôle +
00799 - Transmetteur de température du liquide de refroidissement (G110)
30-00 - Rupture/court-circuit au pôle +
00603 - Servomoteur de volet au plancher/de dégivrage (V85)
41-10 - Bloque ou n´est pas sous tension - Intermittent
01272 - Servomoteur de volet central (V70)
41-10 - Bloque ou n´est pas sous tension - Intermittent
01274 - Servomoteur de volet de pression dynamique (V71)
41-10 - Bloque ou n´est pas sous tension - Intermittent
00601 - Potentiomètre -servomoteur pour volet central (G112)
37-10 - Défectueux/défectueuse(s) - Intermittent
00600 - Potentiomètre -servomoteur pour volet de température (G92)
37-10 - Défectueux/défectueuse(s) - Intermittent
00604 - Potentiomètre -servomoteur pour volet de pression dynamique (G113)
37-10 - Défectueux/défectueuse(s) - Intermittent
00801 - Contacteur H. P. pour coupleur électromagnétique (F118)
30-00 - Rupture/court-circuit au pôle +
01273 - Soufflante d´air frais (V2)
17-10 - Différence de régulation - Intermittent
00797 - Cellule photo-électrique pour rayonnement solaire (G107)
30-00 - Rupture/court-circuit au pôle +
-------------------------------------------------------------------------------
Adresse 15: Airbags Labels: 8D0-959-655-AI8.lbl
No. pièce: 8D0 959 655 J
Pièce: Airbag Front+Seite 1001
Codage: 00106
No. Atelier: WSC 06325
VCID: 3D7AD707376A8E0
5 Codes défaut trouvés
01217 - Détonateur d´airbag latéral côté conducteur (N199)
32-00 - Valeur de résistance trop élevée
01218 - Détonateur d´airbag latéral côté passager AV (N200)
32-00 - Valeur de résistance trop élevée
01213 - Détonateur de rétracteur de ceinture centr. AR (N198)
36-00 - Coupure
01221 - Détecteur de collision d´airbag latéral côté conducteur (G179)
36-00 - Coupure
00532 - Tension d´alimentation
07-10 - Signal trop bas - Intermittent
-------------------------------------------------------------------------------
Adresse 17: Instruments Labels: 8D0-920-xxx-17.lbl
No. pièce: 8D0 920 932 FX
Pièce: B5-KOMBIINSTR. VDO D17
Codage: 00140
No. Atelier: WSC 00135
VCID: 830EE1FF910EB80
XXXXXXXXXXXXXXXXX AUZ7Z0E2724592
Aucun code défaut trouvé.
-------------------------------------------------------------------------------
Adresse 35: Verr. centralisé Labels: FRM\8L0-862-257.lbl
No. pièce: 8L0 862 257
Pièce: CV-Pump D06
Codage: 00000
No. Atelier: WSC 00000
VCID: F2E0B43BBEB4818
Aucun code défaut trouvé.
-------------------------------------------------------------------------------
Adresse 45: Surveill. habitacle Labels: 4B0-951-173.lbl
No. pièce: 4B0 951 173
Pièce: Innenraumueberw. D03
Codage: 00102
No. Atelier: WSC 06325
VCID: E0C4CE736058038
Aucun code défaut trouvé.
-------------------------------------------------------------------------------
Adresse 55: Portée des feux Labels: 4B0-907-357-AUT.lbl
No. pièce: 4B0 907 357
Pièce: LEUCHTWEITEREGLER D003
Codage: 00011
No. Atelier: WSC 06325
VCID: E5CADF677F7A660
1 Code défaut trouvé
00776 - Transmetteur d´assiette AV G (G78)
31-00 - Rupture/court-circuit à la masse
Fin ---------------------------------------------------------------------
Posté(e)

Salut,

 

Le calculateur d'ABS à mon avis doit être déposé pour envoi chez un réparateur (ECU.fr ou VP44.fr).

Les fusibles de la clim sont-ils tous bons ?

As-tu tenté un effacement de tous les codes pour savoir ceux qui remontent réellement. En effet, certains codes peuvent être anciens et plus d'actualité ?

@+

  • 2 mois plus tard...
Posté(e)

bon comme cela faisais longtemps que je n'etait pas venu je vais vous donner des nouvelles de ma grosse... depuis un peut tous ce petit bordel j'ai changé completement l'interieur, supprimé quelque defaut mais cela avance doucement meme si ce n'est pas evident quand on roule tout les jours avec la voiture mais franchement elle est plaisante et j'en suis ravi

je remettrai des photos bientot surtout que les beaux jours reviennent

Créer un compte ou se connecter pour commenter

Vous devez être membre afin de pouvoir déposer un commentaire

Créer un compte

Créez un compte sur notre communauté. C’est facile !

Créer un nouveau compte

Se connecter

Vous avez déjà un compte ? Connectez-vous ici.

Connectez-vous maintenant
×
×
  • Créer...