dsts
Utilisateur-
Compteur de contenus
7 427 -
Inscription
-
Dernière visite
-
Jours gagnés
2
Tout ce qui a été posté par dsts
-
Bonjour, 1) Vous voulez regarder la chaîne de télévision Audi TV: Audi channel, c'est possible en Belgique et dans une partie de la France! 2) Vous voulez voir les programmes de la chaîne Audi TV, c'est possible dans le monde entier! Pour 1) vous devez capter "Sky Digital" et choisir le canal 259 Pour 2) grâce à l'ADSL, vous allez à: http://www.audi.co.uk/experience/channel/ Bonne vision de la chaîne ou des programme Audi TV, bon amusement et bonne route! [attachmentid=14979]
-
[8L]comment on sait que nos bougies sont HS?
dsts a répondu à un(e) sujet de karim55 dans S3 8L - (1999 à 2003)
Bonjour, il faut faire très attention lorsque l'on a un filtre à air en coton (genre KN, Green,...), après son nettoyage avec le détergent spécial, rinçage, séchage, puis huilage. Il faut utiliser l'huile adaptée (par exemple KN pour KN). Cette huile modifie la couleur du coton de façon à ce que l'on puisse voir que le filtre est huilé partout (nécessité pour un bon filtrage), mais surtout pour que l'on ne mette que le stricte nécessaire. L'huile en trop se fera aspirer et une partie viendra se mettre sur le débimètre pour l'aider à mourrir rapidement! Bonne route! -
[8P]Essuie glaces
dsts a répondu à un(e) sujet de axenar dans A3 8P / A3 8PA Sportback / A3 Cabriolet - (2004 à 2012)
Bonjour, il est possible que vos bras d'essuie-glace aient été tordus (balais bloqués par le gel), voyez le réglage sur le dessin ci-dessous (ou qu'il y ait du jeu à la fixation du balais sur le bras). Pour les nettoyer, vous avez peut-être souvent essuyé vos balais avec un tissu sec. Il faut toujours nettoyer les balais avec un tissu très mouillé, sinon on enlève une partie du graphite qui est incorporé dans la matière du balais afin de lubrifier sa zone de contact avec la surface du pare-brise. On peut légèrement regraphiter un balais en frottant avec un charbon gras de moteur électrique (on le frotte de la façon dont un boucher frotte un couteau avec le fusil à aiguiser). Il redeviendra plus ou moins silencieux et glissera de façon régulière sur le pare-brise. [attachmentid=14975][attachmentid=14976] Bon travail et bonne route! -
Bonjour, ma première Audi 100GL achetée en 1973 avait les freins à disques accolés à la boîte de vitesse (diminution du poids non suspendu) et première direction à déport négatif Il faut se rappeler qu'à cette époque, les routes n'étaient pas des billards comme maintenant. Sur mauvaise route, la tenue de route était bien meilleure grâce à ce système. Malheureusement, les cardans devaient pouvoir encaisser le couple de freinage qui est beaucoup plus important que celui du moteur. Le cardan droit de ma voiture a rendu l'âme, mais vers 260.000 km. L'Audi 100GL 1973 ne pesait que 1100 kg, maintenant c'est le poids d'une petite voiture, alors quand on sait que le couple maxi de freinage est fonction du poids du véhicule, il faudrait des cardans de camion pour l'encaisser. [attachmentid=14974] Bonne route!
-
Distribution sur IBIZA 1.9D de 94(moteur golf 3)
dsts a répondu à un(e) sujet de kikounet69 dans Seat
Bonjour, ne vous contentez pas de réponses vagues, du genre: il me semble que, etc... Pour vous répondre exactement, il faudrait d'abord connaître le type exact de moteur. La distribution est un élément vital pour votre moteur. N'avez-vous pas le carnet d'entretien de votre voiture? Normalement, vous y trouvez ces renseignements. Voici un forum Seat avec un espace IBIZA: >>>leon concept<<< Bonne route! J'espère qu'à Audipassion, lorsqu'on donne un avis différent de celui d'un modérateur, le message passe quand même. (Pas comme sur auto-évasion, où si vous rectifiez poliment une grosse erreur d'un modérateur, celui-ci s'empresse d'ôter immédiatement votre message chaque fois que vous essayez de le mettre sur le forum). Audipassion qui pour moi est le forum le mieux tenu et le plus convivial des forums auto. -
Bonjour, un mélange de deux huiles a grosso modo les qualités minimales de chacune des huiles qui le composent. Bonne route!
-
Re: Oufmen me signale que le lien >>>"Audi TV"<<< permet bien de regarder Audi TV depuis la France! Bonne vision, bon amusement et bonne route!
-
Bonjour, magnifique voiture, en plus dans ma couleur préférée!
-
Bonjour, voici le lien: >>>Audi TV<<< [attachmentid=14952] Je pense qu'il est réservé à la Belgique (Belgacom/Skynet), quelqu'un connaît-il un lien équivalent pour la France? Bonne vision, bon amusement et bonne route!
-
L'ODB ne détecte pas le kit Xénon
dsts a répondu à un(e) sujet de Vincekmer dans Electricité / Electronique
Bonjour, vous avez raison: c'est l'ensemble qui est homologué. Faire un montage dans lequel il manque un élément est illégal! Bonne route! -
pédale de frein dure, tres dure meme
dsts a répondu à un(e) sujet de jammin dans Electricité / Electronique
Bonjour, "l'autre coup je part du parking et au moment de freiner au portic, pédale bloqué, pas de frein, freinage frein a main" "je recule 30cm et op débloquée Pas très logique tout cela! Pour aller au portique, tu avais dû rouler plus de 30 cm! Passe chez ton concessionnaire d'urgence avant d'avoir un accident! Bonne route, à vitesse très réduite! -
Question sur révision des 90000km
dsts a répondu à un(e) sujet de R1 the One dans A4 B6 / A4 B6 Cabriolet - (2001 à 2004)
Bonjour, n'oubliez pas la fonction "Recherche". >>>calendrier des entretiens Audi<<< Bon travail et bonne route! -
Pose régulateur de vitesse
dsts a répondu à un(e) sujet de titi19brive dans Electricité / Electronique
Bonjour, >>>pose d'un régulateur de vitesse sur Passat<<< Bon travail et bonne route! -
[C5][C5][C5]Pression dans les pneus, combien ?
dsts a répondu à un(e) sujet de beps38 dans A6 C5 / allroad C5 - (1997 à 2005)
Bonjour, >>>pression des pneus de votre Audi<<< Bonne route! -
-
-
Bonjour, la différence avec Peugeot, c'est que VW compte mettre sur le marché son véhicule. D'abord au USA. [attachmentid=14890][attachmentid=14891]
-
Bonjour, le type de carburant à utiliser est indiqué sur le portillon d'accès au réservoir de votre voiture. Bonne route!
-
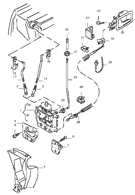
Bonjour, quelques vues éclatées qui peuvent vous aider. Bon travail et bonne route! [attachmentid=14811][attachmentid=14812][attachmentid=14813][attachmentid=14814][attachmentid=14815]
-
FILTRE A POLLEN SUR A3 TDI 140 ?
dsts a répondu à un(e) sujet de audi-tourisme dans Electricité / Electronique
Bonjour, voici où se trouve (dans l'habitacle, derrière la boîte à gants) et comment en 10 petites minutes changer le filtre à pollen d'habitacle de votre nouvelle Audi. Bon travail et bonne route! [attachmentid=14725] -
[8P]reference pieces audi
dsts a répondu à un(e) sujet de lours8 dans A3 8P / A3 8PA Sportback / A3 Cabriolet - (2004 à 2012)
Bonjour, le catalogue téléchargeable de pièces pour Audi a été mis à jour. Voici le nouveau lien (testé, il fonctionne, n'oubliez pas que c'est 500 pages avec des photos: temps de chargement ADSL 20"): >>>catalogue téléchargeable pièces pour Audi<<< Bonne route! -
Catalogue pièces de rechange (500 pages
dsts a répondu à un(e) sujet de dsts dans Electricité / Electronique
Bonjour, voici le nouveau lien du catalogue mis à jour (l'ancien lien est HS): >>>catalogue téléchargeable de pièces pour Audi<<< Si un modérateur veut bien le replacer en début de post, merci. Bonne route! -
[8P]reference pieces audi
dsts a répondu à un(e) sujet de lours8 dans A3 8P / A3 8PA Sportback / A3 Cabriolet - (2004 à 2012)
Bonjour, il y a déjà le >>>catalogue téléchargeable<<< avoir sur le disque dur de son PC un catalogue de pièces de rechange pour votre Audi (du français, 500 pages avec photos, références, descriptions et applications) peut être très pratique. La fonction "Recherche" du forum est aussi bien utile. Bonne route! -
Bonjour, c'est ce que l'on appelle le "Wébasto" (du nom du fabricant, comme on dit un delco pour un ditributeur). Bonne route!
-
[C5][C5][C5]Montée en température lente ?
dsts a répondu à un(e) sujet de slinouille dans A6 C5 / allroad C5 - (1997 à 2005)
Bonjour, "Ma conduite tant que le moteur n'est pas chaud et très très coulante, je ne dépasse pas les 1600trs/min et cela sans appuyer !" Une conduite très coulante, c'est très bien, mais attention quand même de ne pas être en sous-régime si vous ne montez qu'à 1600 t/min avant de changer de vitesse. Même à froid, en douceur on peut monter sans problème au couple maxi (3.000 à 3.500 t/min), le moteur respire mieux et est mieux lubrifié qu'en ne montant qu'à 1600 t/min. Il y a les conseils d'Audi dans le manuel de la voiture. Ce qui n'est pas excellent, c'est de laisser chauffer à l'arrêt (sur le ralenti, la lubrification peut ne pas être parfaite). Si vous aviez un Wébasto, cela chaufferait plus vite! >>>on en parle ICI<<< Bonne route!
| Quelques Liens | |||||||||||||||||||||
|---|---|---|---|---|---|---|---|---|---|---|---|---|---|---|---|---|---|---|---|---|---|
|
Administrateur |
La Charte du Forum |
||||||||||||||||||||
Rappel sur la Diffamation et la Calomnie
La diffusion d’informations fausses ou erronées visant à déstabiliser, voire à compromettre l’intégrité d’autrui, voire même jugée tendancieuse ou malhonnête, pourra être considérée comme de la diffamation pouvant faire valoir nos droits en déposant plainte contre les auteurs de ces propos.
C'est pourquoi, vous êtes tenus de respecter notre Charte d'Utilisation à l'instant même que vous vous trouvez dans ces lieux.
Information
Merci à vous d'être dans ces lieux, de participer et de partager vos expériences dans la communauté des 4 anneaux.
Il est important de ne pas oublier, qu'en naviguant sur cette plateforme et qu'en vous connectant sur AudiPassion, que vous avez lu et accepté notre charte d'utilisation.
Publicité
AudiPassion vit grâce à son référencement par les moteurs de recherche et de la publicité non-intrusive.
L'utilisation de filtres bloquant les scripts de référencement statistique ou l'affichage de bannières publicitaires n'est pas recommandé.
Pour faire vivre le forum gratuitement, nous vous remercions de ne pas activer cette fonctionnalité dans votre navigateur...