Aller au contenu
  • En ligne récemment   0 membre est en ligne

    • Aucun utilisateur enregistré regarde cette page.

Messages recommandés

Posté(e) (modifié)

C'est sans grande prétention que je vous propose un tutoriel pour le remplacement du joint de cache culbuteurs pour moteur ACE (2.0l 16v). Je vous fait une synthèse de mon sujet sur le forum Audi80Passion.

 

Au delà, la démarche consiste également valider une hypothèse concernant la spécificité Competition par rapport aux autres ACE, voir dans le déroulé du traité.

 

Tout d'abord je vous conseille de bien acheter un joint adapté, dans mon cas, pas celui d'Oscaro, mais de chez VAG:

Ref: 051198025 (32.68€ HT)

 

Pour le joint, vous avez la ref. ci-dessus, mais pour savoir à quoi il ressemble: plat et des fines nervures de caoutchouc sur une âme métal. seules les parties arrondies (poulie) sont fines et "verticales" (profil)

http://www.vwspares....roducts_id=1173

profil10.jpg

 

Si les conditions sont réunies, il vous faudra moins de 3h, mais si vous cassez un boulon ou autre, vous pouvez largement excéder ce temps.

 

Etape 1: dévisser et démancher/ l'objectif est de ne pas tout démonter, mais de faire basculer l'ensemble d'admission sur le côté du K-jet pour laisser la place suffisante au démontage du cache culbuteurs.

Commencer par débrancher la batterie (le +, on ne sait jamais avec une mauvaise manip...)

Démancher les fils HT des bougies. Les bougies peuvent rester dans leur logement. repousser ces fils afin qu'ils ne gênent pas les manips suivantes.

enlevez la jauge pour éviter de casser la pièce de liaison "entonnoir"

Dévisser les 2 supports de connecteurs en bas de la tubulure côté Mastervac:

devis_11.jpg

Dévisser la tubulure d'admission côté bougies: besoin clés Allen longues

vis_ad10.jpg

Dévisser la tubulure d'admission côté K-jet: besoin clé 13

vis_ad11.jpg

Démonter la grosse tubulure entre le plateau sonde et le papillon d'admission.

Démancher des tubes et connecteurs qui gênent (attention, il y en a davantage que sur cette photo... :

deconn11.jpg

Basculer l'ensemble tubulure au-dessus de l'ensemble K-Jet:

normal10.jpg

Tiens, il y a un numéro gravé manuellement sous la tubulure à côté de la base du papillon... numéro perso? Il semblerait que les Competition aient un numéro gravé et qui suive la logique d'ordre d'assemblage des caisses. Me contacter si vous avez une ACE qu'elle soit Competition ou non, nous avons des questions sur la tubulure à poser pour valider nos supputations!

ici_nu10.jpg

Penser à protéger les ouvertures d'admission dans la culasse, ce serait bête de perdre une pièce la dedans!

 

Etape 2, on démonte le cache culbuteurs: clé de 10

vis_ca10.jpg

Attention avec les écrous récalcitrants... une astuce si besoin, le ciseau à bois...

vis_dy10.jpg

on fait levier sur l'angle côté mastervac avec un ciseau à bois large, puis à l'opposé en diagonale et si besoin sur les 2 autres angles, normalement ça vient sauf si le mécano précédant a utilisé une pâte à joint moteur... Bref...

 

Etape 3, on nettoie le plan de joint et on pose les nouveaux joints...

 

Etape 4, on remonte tout en sens inverse.

 

Désolé, je n'ai pas les valeurs de couple de serrage....

Parmi mes mésaventures:

- joint non conforme chez Oscaro...

- une vis hexagonale de serrage de cache culbus "arrondie" à dévisser au ciseau à bois,

- une tête de vis hexagonale de fixation du pare chaleur était déjà cassée dans la culasse (résolu en tordant un chouilla le reste de tige + dégrippant et en dévissant avec une simple pince multiprise

- j'ai cassé une vis hexagonale prise dans le pare chaleur ( résolu en reforant le reste de tige, comme un pro!)

- j'ai cassé le manchon orange de la jauge à huile... un conseil, enlevez là avant! sinon 3.40€ HT ref 050103663

- le joint était bien collé !!!!

 

Profitez de l'opération pour nettoyer tout l'ensemble cache culbus et tubulures...

ça vaut le coup... d'oeil! (différences avec les photos lors du démontage)

20140813.jpg

 

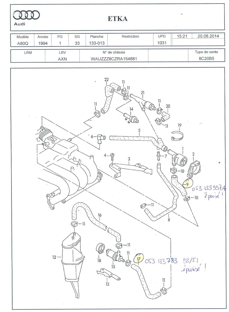
une découverte aussi, la durite N°17 sur ETKA coupée au niveau du collier sur le papillon... ceci explique les problèmes de régimes au démarrage à froid, je pense. cette pièce n'est malheureusement plus dispo ni en France ni chez VAG europe.

admiss10.jpg

Modifié par GTFR1
Posté(e)

J'avais oublié de préciser, donc, possesseurs d'ACE ou de Competition, merci de bien vouloir répondre au sujet (ou MP) concernant:

- le type d'auto que vous avez ou avez eue équipée d'ACE

- la présence ou non d'un numéro gravé à la main sur la tubulure d'admission au niveau du papillon

- la suite se fera par MP afin de ne pas divulguer de données perso ou numéros persos au public.(on cherchera le num gravé, la fin du num VIN de la carte grise, une photo de la tubulure non démontée prise du côté conducteur pour vérifier si la forme diffère entre ACE et Compie)

Merci de vos témoignages.

Posté(e)

Joli le collecteur d'admission, tu as fait ça avec quoi ?

 

Merci pour ton tuto, c'est très sympa ! ;)

Posté(e)

Joli le collecteur d'admission, tu as fait ça avec quoi ?

 

Merci pour ton tuto, c'est très sympa ! ;)

C'est bien le collecteur d'origine, la seule chose que j'ai faite c'est de le nettoyer! ;)

Créer un compte ou se connecter pour commenter

Vous devez être membre afin de pouvoir déposer un commentaire

Créer un compte

Créez un compte sur notre communauté. C’est facile !

Créer un nouveau compte

Se connecter

Vous avez déjà un compte ? Connectez-vous ici.

Connectez-vous maintenant
×
×
  • Créer...