Aller au contenu
  • En ligne récemment   0 membre est en ligne

    • Aucun utilisateur enregistré regarde cette page.

Messages recommandés

Posté(e)

hugg!

 

mon régulateur de vitesse est en rade y a t'il des pannes connues et récurente la dessus?

 

merci d'avance

Posté(e)

A ma coinnaissance je n'ai jamais entendu parler de défaut sur le régulateur de vitesse de l'A8. <_<

 

Un coup de valise pour voir s'il y a un défaut?

 

:coucou:

 

Posté(e)

ben oui je serais assez preneur je serais au prochain rassemblement de vincennes si quelq'un a un vag com ça serait bien sympa la mienne est de 98 :coucou:

Posté(e)

J'ai eu mon régulateur de vitesse qui est tombé en panne il y a 5 mois. Audi me la réparé et avait détecté un défaut au niveau du boitier électronique qui gère la colonne de direction. Le tout sous garantie, heureusement.

Posté(e)

merci de ta reponse, je ne sais pas si c'est geré electroniquement sur une a8 de 98 je crois qu'il y a un systeme à membrane

  • 4 mois plus tard...
Posté(e)

j ai toujour ce probleme si qqun a eun idée je suis preneur <_<

Posté(e)

et la valise a donné un defaut?

 

sinon ca peut etre plein de trucs :)

sur la v8, y a eu le commodo qui avait un faux contact et un des tubes de depression qui etait parti. bon courage

  • 2 semaines plus tard...
Posté(e)

Je viens d'avoir le même problème sur ma S8 de 97.

Si tu trouves une solution, je suis preneur.

De même si j'ai du nouveau, je te le dis.

  • 1 mois plus tard...
Posté(e)

Audi a réglé le problème sur ma S8 de 1997.

L'ordinateur ne trouvant pas de défaut, ils ont pensé au comodo.

Ce n'était pas ça et ils ont alors détecté que la pompe à vide n'était plus alimentée.

Ils ont changé l'appareil de commande réf 4B0907305 et ça marche.

Coût total : 408€76.

 

J'espère que cela pourra aider quelqu'un.

 

Philippe

Posté(e)

merci de l'info :bigthumbup: sais tu ou est cette piece et la pompe a vide sur l 'auto?

Posté(e)

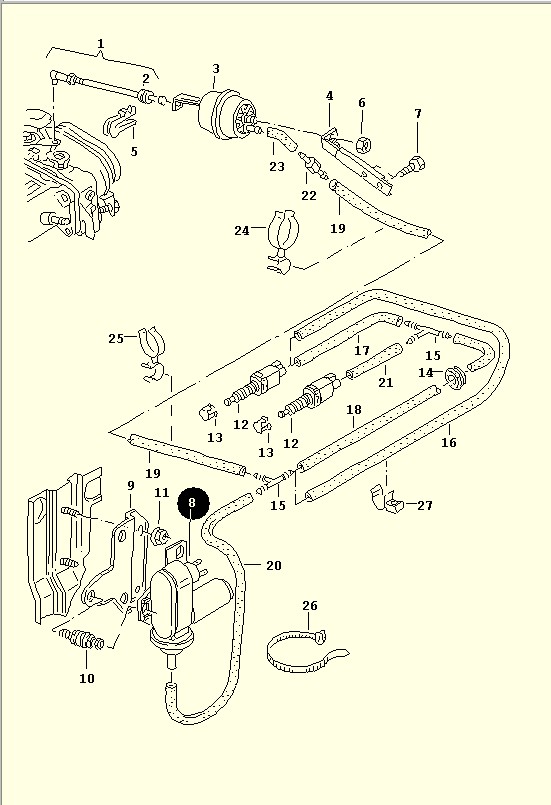
si ca peux t'aider, ca ressemble a ca :

 

 

 

le meilleur moyen je pense, c'est de suivre le flexible de depression :bien:

post-94-1183326348_thumb.jpg

Posté(e)

Sur ma s6 c'etait dans l'aile cote conducteur derriere le vase d'expansion

  • 6 ans plus tard...
  • 2 semaines plus tard...
Posté(e) (modifié)

Soudure "sèche" sur le calculateur du régulateur ! ! j'en ai déjà réparé deux ! à la loupe scruter les soudures et celle qui apparaisse avec un petit rond gris autour du pic du composant sont à reprendre... Après impec ! ;-)

Modifié par noir mat
  • 6 mois plus tard...

Créer un compte ou se connecter pour commenter

Vous devez être membre afin de pouvoir déposer un commentaire

Créer un compte

Créez un compte sur notre communauté. C’est facile !

Créer un nouveau compte

Se connecter

Vous avez déjà un compte ? Connectez-vous ici.

Connectez-vous maintenant
×
×
  • Créer...