Aller au contenu
  • En ligne récemment   0 membre est en ligne

    • Aucun utilisateur enregistré regarde cette page.

Messages recommandés

Posté(e)

Audia4b5 1,9tdi 90ch moteur:1Z

Bonjour, je vous expose mon problème suite a deux nombreuses,essai route,effacement code,test débitmètre,changement de durite de dépression jusqu'au calculateur,test détendeur de suralimentation,test capteur de pression d'air et de suralimentation,nettoyage turbo,nettoyage et suppression de la vanne EGR,je pense que je n'ai rien oublier alors voici mon rapport vcds:

 

 

Type chassis: 8D - Audi A4 B5 (1995 > 2001)
Scanner: 01 02 03 08 15 16 17 25 35 37 45 55 56 57 67 75 76 77

Kilometrage: 279900km
-------------------------------------------------------------------------------
Adresse 01: Moteur Labels: FRM\028-906-021.lbl
No. pièce: 028 906 021 GM
Pièce: 1,9l R4 EDC 00SG 1421
Codage: 00002
No. Atelier: WSC 06335
VCID: 60CF5669E03BD01EF49-4A3A

2 Codes défaut trouvés:
65535 - Calculateur défectueux
37-10 - Défectueux/défectueuse(s) - Intermittent
00575 - Pression de la tubulure d´admission
17-10 - Différence de régulation - Intermittent
Tests passés: N/D

 

Autres:

Quand j'ai démonter la durite qui aller au calculateur il y avait un peu d'huile a l'intérieur,donc perte de puissance aléatoire en monter plus de puissance a 90km/h et sur grande route à 110km/h(j'arrive a monter ma vitesse tout doucement pied au plancher sauf en monter)mais on sent vraiment la perte de puissance.

 

Ma question est donc est-ce que la perte de puissance peut venir du calculateur défectueux sinon qu'est ce que j aurais oublier de tester ?

 

En vous remerciant d'avance;))

Posté(e)

Hello;

 

Si tu es certain de tout tes tests (notamment debitmetre, turbo), c'est possible que le calculateur y soit pour quelque chose, mais quand tu parles de perte de puissance, est ce que tu veux dire mise en securité du turbo? Oui simplement que tu as moins de patate?

 

Envoyé de mon SM-A510F en utilisant Tapatalk

Posté(e)

Bonjour Maestrours oui je suis sur de mes test,le moteur se met en mode sécurité,mon turbo est touche du au manque de dépression,donc plus de patate.Quand je coupe le contact et que je redémarre en roulant tout redevient normale,jusqu’à la prochaine perte de puissance.D’où la question du calculateur vu qu'il est la pour tout calculer :(Si c'est vraiment le calculateur comment le choisir,par rapport a un numéro,par rapport à la cylindré,par rapport a quoi faut il que je me base pour le changer?

Posté(e)

Salut,

Déjà tu peux exclure le problème fréquent des TDI 110cv et 150cv relatif au mécanisme des aubes du turbo, puisque sur le 90cv la régulation de la pression de suralimentation se fait via la wastegate (pas de turbo à géométrie variable)

As-tu fait un test d'actionneur sur la commande du turbo, pour vérifier que la wastegate fonctionne correctement, fait un contrôle du circuit de suralimentation ?

Posté(e)

S'il n'y a pas de fuite sur le circuit de dépression, que la pompe à vide débite suffisamment, que la wastegate fonctionne bien, je dirais que le soucis provient de l'electrovanne 3 voies ( N75 ) qui pilote la régulation.

Posté(e)

Bonjour Fredmurphy excuse-moi enfaite elle est prise sur le gros tube noire en plastique qui relie le collecteur d'admission à l'échangeur,,et elle va jusque dans le calculateur.Pour le test actionneur oui ça à été fait ça ma marquer activer sur les test avec sur la n75 un clic clic clic pendant le test, désoler débutant avec vcds. ;)) j'ai fais moteur/test actionneur/ depart/suivant sur les test et c'est active

Posté(e)

Entre l'échangeur et le collecteur d'admission il n'y a pas de dépression sur un tdi.

La durite dont tu parles est reliée au capteur de pression qui est intégré au calculateur.

Posté(e)

Salut,

Déjà tu peux exclure le problème fréquent des TDI 110cv et 150cv relatif au mécanisme des aubes du turbo, puisque sur le 90cv la régulation de la pression de suralimentation se fait via la wastegate (pas de turbo à géométrie variable)

As-tu fait un test d'actionneur sur la commande du turbo, pour vérifier que la wastegate fonctionne correctement, fait un contrôle du circuit de suralimentation ?

Salut,

 

Désolé de te contredire Fred mais il existe un TDI 90CV avec turbo à GV, code moteur AHH

http://audi.7zap.com/fr/rdw/audi+a4+avant/a4/1998-218/1/131-131016/

@+

Posté(e)

Mon moteur est un 1z mais sur les sites de vente de pièces détachés m'indique ahu.J'ai tester la n75 a l'ohms elle m'indique 0.28ohms donc pour moi elle est bonne ensuite serait il possible que ma wastegate soit en cause,j'ai aspiré et ça aspire j'ai soufflet et ça bloque croyez vous que je puisse la mettre hors de cause?j'ai démonter la durite qui se connecte dessus est bouche aucune différence toujours pareille au niveau des symptômes que j'ai indiquer est-ce normale?

Posté(e)

Salut.
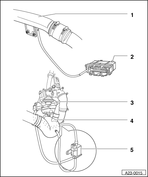
Je crois avoir vu sur un site (que je ne retrouve pas bien sur) qu'il y a à l'intérieur du calculateur un bout de durite qui va jusqu'au circuit imprimé du calculateur. Il faudrait donc sortir le calculateur de dessous le pare brise et l'ouvrir.

 

Une image toutefois même si ce n'est pas le site auquel je fais référence :

ecu%2520Hose.JPG

Posté(e)

Mon moteur est un 1z mais sur les sites de vente de pièces détachés m'indique ahu.J'ai tester la n75 a l'ohms elle m'indique 0.28ohms donc pour moi elle est bonne ensuite serait il possible que ma wastegate soit en cause,j'ai aspiré et ça aspire j'ai soufflet et ça bloque croyez vous que je puisse la mettre hors de cause?j'ai démonter la durite qui se connecte dessus est bouche aucune différence toujours pareille au niveau des symptômes que j'ai indiquer est-ce normale?

 

Et sur ta carte grise, et sur l'étiquette qui se trouve dans le bac de la roue de secours, tu as quelle code moteur ?

Les durites entre la capsule de la wastegate, la N75, et le turbo ont été remplacées également ?

Posté(e)

Salut.

Je crois avoir vu sur un site (que je ne retrouve pas bien sur) qu'il y a à l'intérieur du calculateur un bout de durite qui va jusqu'au circuit imprimé du calculateur. Il faudrait donc sortir le calculateur de dessous le pare brise et l'ouvrir.

 

Une image toutefois même si ce n'est pas le site auquel je fais référence :

ecu%2520Hose.JPG

 

Et au bout de la durite, c'est le capteur de pression de suralimentation, qui est directement intégré au calculateur.

Posté(e)

Salut,

 

Effectivement cette durite est présente sur les vrai phase 1 puisque capteur intégré au calculateur. A partir des phase 1,5 (1998) ce capteur se trouve sur la durite d'admission.

Sur la mienne, j'ai remplacé cette durite car elle était devenue très molle (certainement à cause de lhuile). Ne soit pas surpris de trouver de l'huile dans le calculateur, ce montage ne peut conduire qu'à ce résultat !

Posté(e)

Bonjour,après changement de cette durite a l’intérieur du calculateur(qui était en mauvaise état)effectivement y avait un peu d'huile,mon électrovanne 75 fait clic clic clic très rapidement sauf quand j’accélère,j'ai un rendez vous cette après midi.Je verrais si il y a un changement sur la route niveau puissance,apparemment,en cherchant sur plusieurs site c'est normale avant mon électrovanne n'avais pas ce clic clic clic et c'est une preuve qu'elle marche bien.Vous dire si avant elle le faisait je ne peux pas vous dire car je l'ai acheter comme ça, pour pouvoir finir ma formation:) .

Et oui toute les durites ont été changer sauf celle qu'il y avais dans le calculateur je croise les doigts.

Ce qui me chagrine c'est que cette perte de puissance c'est aléatoire.

Posté(e)

En 1997 ?

Salut,

 

AHH : millésime 98 (A partir de septembre 97), donc à voir en fonction du mois.

@+

Posté(e)

Bonjour de retour de mon petit tour,ayant effacer les codes erreurs avant,pas eu de soucis.Le changement de la durite a l'intérieur du calculateur a du faire quelque chose car il n'y a même plus le code erreur:

 

65535 - Calculateur défectueux
37-10 - Défectueux/défectueuse(s) - Intermittent

code qui rester tous le temps du moment que je démarrer.

Les deux codes erreur devait être lie,est-ce que c'est la durite à l'intérieur du calculateur qui fausser la pression de suralimentation a voir pour la suite car c'était aléatoire du a la durite un peu couper,merci a vous de m'avoir lu et de vos réponses.

Posté(e)

Salut,

 

AHH : millésime 98 (A partir de septembre 97), donc à voir en fonction du mois.

@+

 

Salut WAUZZZ,

 

Merci pour l'info sur l'année de lancement du AHH, d'ailleurs on parle de la date de fabrication ou de mise en circulation ?

Y a t-il un lien pour connaitre la date de fabrication de nos B5 ?

Posté(e)

Bonjour de retour de mon petit tour,ayant effacer les codes erreurs avant,pas eu de soucis.Le changement de la durite a l'intérieur du calculateur a du faire quelque chose car il n'y a même plus le code erreur:

 

65535 - Calculateur défectueux

37-10 - Défectueux/défectueuse(s) - Intermittent

code qui rester tous le temps du moment que je démarrer.

Les deux codes erreur devait être lie,est-ce que c'est la durite à l'intérieur du calculateur qui fausser la pression de suralimentation a voir pour la suite car c'était aléatoire du a la durite un peu couper,merci a vous de m'avoir lu et de vos réponses.

Content pour toi que le problème soit résolu, as-tu nettoyé le capteur de pression au passage ?

C'est étonnant qu'il n'y ait pas de filtre sur nos Audi (si bien pensées), pour empêcher l'huile d'y pénétrer, quand on voit que les capteurs des manomètres "aftermarket" sont livrés avec.

Posté(e)

Salut,

 

Apparemment, il s'agit du moteur 1Z qui est strictement équivalent à l'AHU.

Ces types de moteurs possèdent un turbo classique avec vanne de décharge (wastegate).

La résistance de la N75 qui est spécifique à ces moteurs doit avoir une résistance comprise entre 25 et 45 ohms; ce qui paraît bon vu les valeurs que tu as obtenues.

Pour information, la présence d'huile est normale dans la tubulure d'admission et dans la petite durite de repiquage qui va jusqu'au capteur de pression G71 sur la carte mère de l'ECU. L'huile provient du recyclage des vapeurs d'huile du reniflard réinjecté dans l'admission par le compresseur de turbo.

Enfin, il est possible que le code défaut 65535 ne puisse pas être effacé. Si le véhicule fonctionne : ne pas en tenir compte.

 

Si le véhicule avait un problème de fonctionnement, voici ce qu'il faudrait faire :

65535 Appareil de commande défectueux

Cause / symptômes :

- Défaut interne de l'appareil de commande

- Défauts en marche

- Arrêt du moteur

Solution :

- Remplacer l'appareil de commande

 

 

- Problème de communication entre le lecteur de défauts et l'appareil de commande du moteur

- Aucun effet

- Effacer la mémoire de défauts et continuer d'observer le véhicule.

 

Liste des codes défaut du 1.9TDI phase 1 :

http://forums.audipassion.com/index.php?app=core&module=attach&section=attach&attach_id=70597

@+

Posté(e)

Super!!!Merci pour les infos supplémentaires.

Posté(e)

Salut Fred Murphy, en fait il existe un 1.9 tdi 90 avec Geometrie Variable, il s'agissait en fait d'un tdi 110 dégonflé (je crois qu'on le reconnait au I rouge... Mais pas sûr.

Pour en revenir au probleme, et pour resumer (j'ai pas tout suivi).

 

Dans cette situation (je l'ai eu comme beaucoup.. sur un 110), le mieux est de verifier du moins pire au pire...

 

Donc d'abord les durites (toutes!) A verifier: egr, gv du turbo, vanne 75, calculateur... visiblement pour toi c'est bon, verifie quand même également ce qui sort de ta pompe a vide: notamment la durite qui va jusqu'au servofrein. C'est une durite solide qui fait souvent un coude, et il arrive très fréquemment qu'elle soit craquelée a l'une ou l'autre des extremités. Tu peux savoir s'il y a une fuite en pompant plusieurs fois sur ton frein, moteur allumé. Si au bout de 3 coups de pedale environ tu n'as déja plus d'assistance, c'est qu'il y a une fuite dans le circuit de vide, fuite qui se répercute sur le circuit manoeuvrant electrovanne 75, gv, egr.. et également sur le clapet etouffoir, d'où un arrêt brutal du moteur (le "sursaut" du Tdi).

Elle ressemble a ça;

 

164513f1fd4e961c6719090494937d83.jpg

 

Ensuite, controler les vannes directement, notamment la wastegate, le mieux étant d'aspirer a la bouche: ça monte facilement?

 

Tester, meme si tes valeurs sont bonnes, un autre debitmetre et une autre vanne 75. Meme non defectueux dans les valeurs, ils sont souvent responsables.

Et sinon, derniere option, la plus chiante mais bon... Turbo mort. Perso je l'avais demonté, nettoyé integralement et remonté, mes coupures avaient stoppé 2mois pas plus... j'avais fini par me resoudre a en monter un neuf (300€ en echange standard environ), et la plus de problemes...

 

Bonne chance. (Et desolé pour les raccourcis pris, je ne m'embete plus maintenant, je change tout...)

Posté(e)

Salut Fred Murphy, en fait il existe un 1.9 tdi 90 avec Geometrie Variable, il s'agissait en fait d'un tdi 110 dégonflé (je crois qu'on le reconnait au I rouge... Mais pas sûr.

Pour en revenir au probleme, et pour resumer (j'ai pas tout suivi).

 

Dans cette situation (je l'ai eu comme beaucoup.. sur un 110), le mieux est de verifier du moins pire au pire...

 

Donc d'abord les durites (toutes!) A verifier: egr, gv du turbo, vanne 75, calculateur... visiblement pour toi c'est bon, verifie quand même également ce qui sort de ta pompe a vide: notamment la durite qui va jusqu'au servofrein. C'est une durite solide qui fait souvent un coude, et il arrive très fréquemment qu'elle soit craquelée a l'une ou l'autre des extremités. Tu peux savoir s'il y a une fuite en pompant plusieurs fois sur ton frein, moteur allumé. Si au bout de 3 coups de pedale environ tu n'as déja plus d'assistance, c'est qu'il y a une fuite dans le circuit de vide, fuite qui se répercute sur le circuit manoeuvrant electrovanne 75, gv, egr.. et également sur le clapet etouffoir, d'où un arrêt brutal du moteur (le "sursaut" du Tdi).

Elle ressemble a ça;

 

164513f1fd4e961c6719090494937d83.jpg

 

Ensuite, controler les vannes directement, notamment la wastegate, le mieux étant d'aspirer a la bouche: ça monte facilement?

 

Tester, meme si tes valeurs sont bonnes, un autre debitmetre et une autre vanne 75. Meme non defectueux dans les valeurs, ils sont souvent responsables.

Et sinon, derniere option, la plus chiante mais bon... Turbo mort. Perso je l'avais demonté, nettoyé integralement et remonté, mes coupures avaient stoppé 2mois pas plus... j'avais fini par me resoudre a en monter un neuf (300€ en echange standard environ), et la plus de problemes...

 

Bonne chance. (Et desolé pour les raccourcis pris, je ne m'embete plus maintenant, je change tout...)

 

Dans le cas présent c'est un Tdi 90 de 97, moteur 1Z, donc pas de turbo à géométrie variable, donc le circuit de vide n'influe pas sur la commande du turbo.

Posté(e)

Autant pour moi; dans ce cas je ne vais pas être d'une grande aide... :/

 

Mais dans ce cas, si le circuit sous vide n'influe pas... Qu'est ce qui commande la wastegate?

Posté(e)

Sur un turbo à géométrie variable, l'électrovanne N75 régule une dépression (entre le circuit de vide et la pression atmosphérique) pour actionner le mécanisme des aubes et ainsi réguler la pression de suralimentation.

Sur un turbo "traditionnel" (comme sur le 1Z), la N75 régule une surpression (entre la pression interne du turbo et la pression atmosphérique) pour actionner la wastegate et ainsi réguler la pression du circuit de suralimentation suivant la consigne.

Posté(e)

Ravi de savoir que la piste de la durite à l'intérieur du çalculateur a amélioré la situation.

  • 4 semaines plus tard...
Posté(e)

Bonjour à tous,

 

Topic bien complet merci les gars. J'essaye de m'y retrouver un peu car c'est un peu complexe pour moi. Nombreux sont ceux qui ont accès au vag com...ce qui n'est pas mon cas malheureusement. J'ai pourtant posté un message dans le forum où les personnes mettant à dispo leur vag sur Toulouse ou environs...pas de réponses...

 

Depuis le changement de distri + boite embrayage, je rencontre le même soucis. Perte de puissance ++ la voiture met énormément de temps à monter à plus de 100km/h. Dans les montées sur autoroute c'est effrayant...80km/h, obligée de rétrograder jusqu'en 3ème parfois, pied au plancher! Aux alentours de 90km/h il lui arrive même de brouter sévère...et obliger de rétrograder.

 

Nous avions déconnecté la vanne EGR au vu des conseils de tous sur les forums. Par précaution je l'ai rebranchée afin de voir si il y avait une différence...rien n'y a fait. Je vais envoyer ce topic à mon frangin afin de voir si il trouve les réponses à mes questions dans cette discussion.

Je ne souhaitais pas ouvrir un nouveau topic pour cette question car j'ai bien l'impression que c'est ici que je trouverais mes réponses :icon_wink:

 

Bon weekend à tous les audistes!

Posté(e)

Salut,

 

M'étonnerait pas que tu aies soit un problème de débitmètre soit le véhicule qui se met en sécurité (consigne de suralim dépassée ou non atteinte)... Vérifie avant tout toutes les durites de dépression et le manchon qui arrive au collecteur d'admission, il se déchire et cela provoque des fuites... Au-delà de ça il te faut un vagcom, commande-le sur le net il coute deux fois rien...

Créer un compte ou se connecter pour commenter

Vous devez être membre afin de pouvoir déposer un commentaire

Créer un compte

Créez un compte sur notre communauté. C’est facile !

Créer un nouveau compte

Se connecter

Vous avez déjà un compte ? Connectez-vous ici.

Connectez-vous maintenant
×
×
  • Créer...