Aller au contenu
  • En ligne récemment   0 membre est en ligne

    • Aucun utilisateur enregistré regarde cette page.

Messages recommandés

Posté(e)

oui c'est les relais qui active le chauffage stationaire et l'envoie du carburant dans la chaudiere

  • Réponses 258
  • Créé
  • Dernière réponse

Classement des membres dans ce topic

Posté(e)

AU Module 19 (Gateway) - Codage 07 - Assistant codage long - byte DE - je n'ai pas l'option 18 (auxiliary heat unit)

Sinon tout le reste est ok

 

Mais par contre quand j'ai tester le chauffage stationnaire j'entendais des petit clic et clac au niveau du réservoir a l'arrière j'imagine que c'est la demande du carburant, puis quelque temps après de la fumer a l'avant du véhicule sa je c'est que c'est normal, mais est ce que c'est normal que j'ai aussi des clic et clac plus importent qui vient du meme coté que la fumer??? et c'est claquement on les entend énormément dans la voiture...

Est ce que c'est normal???

 

Merci

 

Dans le module 19, Liste Installation, as-tu une case à cocher "Chauffage stationnaire" ou "Auxiliary heat unit" ? la cocher le cas échéant

Posté(e)

Bonjour,

 

pensez vous que le chauffage stationnaire soit activable sur A4 aussi ?

  • 1 mois plus tard...
Posté(e)

Petite question sur le chauffage stationnaire, Sur l'écran de clim je ne peux pas activer simultanément chauffage stationnaire et ventialtion stationnaire. Si j'active l'un ça désactive l'autre.

 

De plus j'ai l'impression que la ventilation ne se met pas en route quand j'ai activé le chauffage stationnaire.

Ca ne me parait pas bien efficace, malgrès que l'on entendent la "chaudière" se mettre en route à l'avant du véhicule et que de la fumée s'en échappe en dessous.

 

Il vous faut longtemps avant que la voiture soit réchauffée avec ce chauffage ?

Posté(e)

non quand le chauffage additionel se lance tu attends environ 1 minute puis la ventilation dans l'habitacle se lance

Posté(e)

Et pour mettre les deux sur "on" (chauffage + ventilation stationnaire) c'est possible ?

Posté(e)

ok merci, je vais faire le test en attendant dans la voiture alors voir si la ventilation finie par se mettre en route.

Posté(e)

sinon ta la solution du feu de bois dans l'habitacle pour le réchauffé plus vite, ça procure une chaleur agréable avec une bonne odeur champetre :panda:

Posté(e)

pas besoin sur l'essence le chauffage est opérationnel en 2 min montre en main !!!

Posté(e)

pas besoin sur l'essence le chauffage est opérationnel en 2 min montre en main !!!

 

Et oui encore un intérêt de l'essence ... en même temps en roulant grace à la chaudière (et je parle du chauffage stationnaire pas du moteur :ripeer: ) moins de 3 km et ça chauffe !

 

Le chauffage stationnaire c'est surtout utile pour dégivrer la voiture pendant que t'es au chaud à finir ton café, ou faire chauffer la voiture avant d'y mettre le bébé sans avoir à laisser tourner la voiture sans personne dedans ...

Posté(e)

exact essai de faire l'ouverture de la peche au mois de mars par -25 -30 degre et tu aprecie de demarrer le chauffage a la telecommande : pas besoins de gratter et il fait chaud quand tu demarre :)

Posté(e) (modifié)

C'est vrai que sur l'essence c'est un luxe presque inutile. Alors que sur ces foutus TDI qui ne chauffent pas, c'est indispensable !

Moi j'ai programmé 15min avant de rentrer dans la voiture, histoire de dégivrer, et 10 min après être rentré; histoire d'aider à chauffer moteur et habitacle. Cela fait pile poil mon temps de trajet (13km) jusqu'au péage où je met gaz...

Modifié par theoden
Posté(e)

Donc il doit bien y avoir un soucis quelque part chez moi alors, parce que 15mn les vitres ne sont pas dégivrées !!

Posté(e)

tu es sur que tu as de la ventilation quand le webasto est demarrer

 

tu as de la fumee qui sort de dessous le parechoc avant ?

Posté(e)

les deux sont déjà faits à plusieurs reprises, dernièrement je la branche assez souvent au vag com, si ça continue je vais y mettre le feux pour racheter une grrr !

Posté(e) (modifié)

Il y a de la ventilation (un peu, ce n'est pas non plus la grosse soufflerie), et le climatronic est allumé avec les derniers réglages faits : l'idéal est de mettre à 22, en mode circuit recyclage, ou en mode désembuage parebrise (et là tu vas l'entendre la ventilation). De la fumée sort de sous la voiture, en effet, parfois, surtout quand il fait froid, et c'est normal, c'est l'échappement de la chaudière Webasto. Lorsqu'on programme, les petits icones ventilation et chauffage apparaissent près de l'horloge, mais ceux-ci en fait ne sont sélectionnés automatiquement qu'en fonction de la température extérieure et de la consigne. A un moment donné, soit il y a chauffage, soit il y a ventilation stationnaire, mais pas les 2 en meme temps. D'ailleurs on voit bien que c'est exclusif lorsqu'on essaie de le mettre via les réglages du climatronic. Mais ce comportement est tout à fait NORMAL.

Important, comme l'a fait remarquer lclerc69audia8, ceci ne fonctionne qu'avec une batterie bien chargée et en bon état, sinon la ventilation fait partie des systèmes coupés par le gestionnaire d'énergie.

Modifié par theoden
Posté(e)

exact essai de faire l'ouverture de la peche au mois de mars par -25 -30 degre et tu aprecie de demarrer le chauffage a la telecommande : pas besoins de gratter et il fait chaud quand tu demarre :)

 

y a qu'a besançon pour avoir des températures pareille!!!

Posté(e)

les deux sont déjà faits à plusieurs reprises, dernièrement je la branche assez souvent au vag com, si ça continue je vais y mettre le feux pour racheter une grrr !

 

au moins ta pas de soucis de localisation de prise diag toi !!! laisse le branché en permanence, ton PC feras un magnifique écran gps :icon_biggrin: :icon_lol:

Posté(e)

trop la classe.. j'y ai pensé à laisser un petit pc branché en permanence (genre Asus EEEpc)

Posté(e)

pour le chauffage stationnaire, si on arrive à activer l'option, pensez vous qu'on puisse acheter la télécommande d'origine ??

Posté(e)

oui tu peux.

Quand j' ai acheté la voiture, il manquait la telecommande, du coup j'en ai commandé une, et elle fonctionne parfaitement :)

Posté(e) (modifié)

Bon, j'ai bien activé le chauffage stationnaire et ça marche, par contre j'ai fait la formule pour le rabaissement de 25 mm et j'ai l'impression que ça n'a rien changé

 

Comment être sur que la suspension est bien rabaissée ?

 

 

Sinon, si ça peut aider quelqu'un la référence de la télécommande : 4F0 909 507 B

Modifié par snowfree52
Posté(e)

prend la mesure entre le centre de la jante et l'aile

sur une A8 c'est 416 a l'avant 398 a l'arriere

Posté(e) (modifié)

pour le chauffage stationnaire, si on arrive à activer l'option, pensez vous qu'on puisse acheter la télécommande d'origine ??

 

Je reviens la dessus mais êtes vous sur que la télécommande fonctionne en ayant activé l'option avec vag com sans l'avoir d'origine ??

 

Vu que la clé est radio, ne faut il pas un module en plus ??

 

Vu le prix de la clé (240€ chez Audi !!!) je ne voudrai pas la commander pour rien !

 

je me demande si il ne faut pas acheter un truc du genre : http://www.carsystems.pl/audi-q7-4l-t91-upgrade-kit-engine-heater-parking-heater,id512.html

Modifié par snowfree52
Posté(e) (modifié)

la cle qui emet jusqu'a 1 km ca fait rever

en plus c'est la meme cle que celle d'origine avec 2 pile 12V

d'ailleur je pari que c'est la meme chose que d'origine

Modifié par lclerc69audia8
Posté(e)

je pense effectivement que c'est le système d'origine.

 

sinon,

 

quelqu'un aurait la marche à suivre pour activer la fermeture automatique des portes ?

 

Merci

Posté(e) (modifié)

merci beaucoup !

 

ça alors, depuis tout ce temps c'était si facile de l'activer.

 

EDIT : Je parle du verrouillage des portières automatique au delà d'une certain vitesse, c'est bien cela ?

Modifié par snowfree52
  • 3 semaines plus tard...
Posté(e)

Après avoir fouillé dans elsawin à propos du chauffage stationnaire, il y a deux version : chauffage d'appoint et chauffage stationnaire.

 

le premier est montée d'office sur les diesels. la seule différence mécanique (hormis la télécommande) est la présence sur le stationnaire d'une pompe de recirculation du LDR électrique (la V55).

 

Donc ce qui explique chez moi que tout se mets bien en marche (chaudiere etc ) mais la chaudiere s'arrete vite et le chauffage de la voiture ne chauffe pas. logique, le LDR chauffe vite au niveau du webasto mais uniquement à ce niveau vu que le LDR ne circule pas.

 

Reste à voir le prix de la V55, du calculateur (je crois qu'il est différent) et où ça ce place, ça devient plus compliqué ...

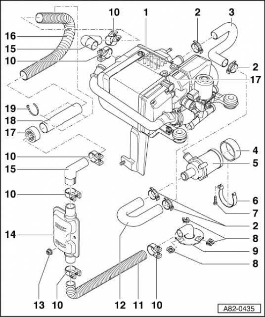
Posté(e)

Voici la vue où figure la V55 (n°5)

 

Si quelqu'un peut trouver la ref ce serait sympa.

 

 

849641A8V55.png

Posté(e)

Merci !

Faut que je regarde s il y a beaucoup de petites choses autour à remplacer aussi

Créer un compte ou se connecter pour commenter

Vous devez être membre afin de pouvoir déposer un commentaire

Créer un compte

Créez un compte sur notre communauté. C’est facile !

Créer un nouveau compte

Se connecter

Vous avez déjà un compte ? Connectez-vous ici.

Connectez-vous maintenant
×
×
  • Créer...