Aller au contenu
  • En ligne récemment   0 membre est en ligne

    • Aucun utilisateur enregistré regarde cette page.

Messages recommandés

  • Réponses 99
  • Créé
  • Dernière réponse

Classement des membres dans ce topic

Classement des membres dans ce topic

Posté(e)

J'ai reçu mes 2 bras supérieurs ce matin.

Je ne sais pas encore si je vais m'y atteler ce WE ou entre Noël et Nouvel An.

Pour les couples de serrages je pense que erWin devrait pouvoir me renseigner.

Y a-t-il d'autres sources techniques ?

Posté(e)

Personne pour les couples de serrages ?

Posté(e)

demande à tout hasard à simplex (section S/RS6 C5) il peut peut être t'aider

  • 2 mois plus tard...
  • 4 ans plus tard...
Posté(e)

Bonjour,

 

je dois prévoir le remplacement des bras de suspension avant haut et bas sur mon A6 C6 4F de 2006.

 

1° - Pouvez-vous me communiquer les couples de serrage des bras hauts et bas ainsi que le couple de serrage de la tête d'amortisseur ?

2° - Avez vous une bonne adresse pour commander ce type de kit ?

 

Merci d'avance pour vos réponses.

Posté(e)

Pour le kit soit du lemforder (origine) soit du Meyle hd c'est ce que Megatron et moi avont mis...

Pour les couple en recherchant sur le forum tu devrai trouver sinon une âme charitable te trouvera sûrement ça☺

 

Envoyé de mon SM-G531F en utilisant Tapatalk

Posté(e)

Si tu bloque sur le couple de serrage ça va, tu vas vites résoudre ton problème !! enlève déjà la vis supérieur après on verras la routine

Posté(e)

Bonsoir ,

 

j'attends les couples de serrage pour commander le kit et démarrer le chantier.

J'ai commandé le eRTA , mais cette revue technique ne sert à rien.

Posté(e)

J'ai trouvé les informations suivantes sur le net.

http://www.audiworld.com/forums/a6-s6-c6-platform-discussion-58/front-sway-bar-end-connecting-links-2837795/

 

Ce document contient aussi les couples de serrages nécessaires à mon post ci-dessous.

http://forums.audipassion.com/topic/190485-suspensions-essieu-avant-91000-kms/

 

241393IMAGE1.png

 

1 - Subframe

2 - Bonded rubber bush

3 - Nut

4 - Nut

5 - Bolt 60 Nm +90°

6 - Cross piece for subframe

7 - Bolt 70 Nm +180°

8 - Subframe support

9 - Bolt 55 Nm

10 - Bolt 5 Nm

11 - Bolt 40 Nm +90°

12 - Bolt 115 Nm +90°

13 - Bolt 10 Nm

14 - Retaining bracket

15 - Front left vehicle level sender -G78-; front right vehicle level sender -G289-

16 - Bolt 115 Nm +90°

17 - Guide link

18 - Nut

19 - Bolt 40 Nm +90°

20 - Coupling rod

21 - Track control link

22 - Nut 8 Nm

23 - Anti-roll bar

24 - Clamp

25 - Nut 25 Nm

26 - Nut 40 Nm, vehicles with 10-cylinder FSI engine / 55 Nm, vehicles with 10-cylinder TFSI engine

27 - Bolt 40 Nm

28 - Cross member

29 - Bolt 75 Nm

30 - Console for engine mounting

31 - Engine mounting

32 - Bonded rubber bush

33 - Aluminium bush

34 - Bolt 70 Nm +180°

35 - Nut

 

 

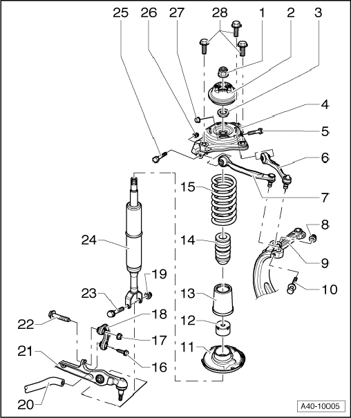
115738IMAGE2.png

 

1 – Nut 50 Nm

2 - Shock absorber mounting

3 - Washer

4 - Mounting bracket

5 – Bolt 50 Nm +90°

6 - Upper link (rear)

7 - Upper link (front)

8 - Nut

9 - Wheel bearing housing

10 – Bolt 45 Nm / 50 Nm for RS 6 vehicles

11 - Spring plate

12 - Protective cap

13 - Protective sleeve

14 - Auxiliary spring

15 - Spring

16 – Bolt 40 Nm +90°

17 - Nut

18 - Coupling rod

19 - Nut

20 - Anti-roll bar

21 - Track control link

22 – Bolt 40 Nm +90°

23 – Bolt 90 Nm +90°

24 - Shock absorber

25 – Bolt 50 Nm +90°

26 - Nut

27 - Nut

28 – Bolt 50 Nm +90°

Posté(e)

Sinon, j'avais changer que les silentblocs, commander sur oscaro et il faut une presse pour les enlever et les remettre. Ça se fait bien si tu as la presse. La plus grosse galère c'est d'enlever la vis supérieur qui tiens les deux rotules des bras supérieur sinon ça se fait bien.

Posté(e)

Bonjour Manu A6,

 

Je préfère remplacer l'ensemble car je ne veux pas conserver les vieilles rotules.

Cet après midi, j'ai démonté et remonté les deux bras supérieurs des deux cotés pour valider la commande du kit.

Le remplacement des bras inférieurs n'est pas très compliqué.

Posté(e)

Non c'est très simple, mais quelque fois les vis qui font 110 mm de long sont complètement gripper dans le pivot en alu et bonjour la galère pour les sortir mais si tu les as déjà enlever, pas de soucis :bien:

Posté(e)

Bonjour,

 

quelle procédure as-tu utilisé pour marquer les angles des bras supérieurs lors du démontage ou du montage ?

 

mini_137249mini793640UPPERARMSANGLE.png

 

Pour les bras inférieurs, il faut serrer les rotules au couple, remettre le véhicule sur les roues et serrer tous les écrous et boulons des silentblocs au couple ( essieu, barre stabilisatrice, amortisseur etc. ).

 

L'installation des nouveaux bras sans respecter ces angles endommagera prématurément les silentblocs.​

Posté(e)

Il y a une côte à respecter, il faut que je retrouve ça.

Posté(e)

Voila, j'ai retrouver les côtes de serrage des bras supérieurs.

 

873677brassuprieur.png

Posté(e)

Merci pour l'information,

tu me confirmer les valeurs pour le bras supérieur avant 94mm à +/- 2mm

et pour le bras supérieur arrière 85mm à +/- 2mm :agenoux:

 

774715HauteursBrasDeSuspensions.jpg

Posté(e)

et pour l'allroad connaissez vous les cotes SVP?

Posté(e)

Bonsoir 4A13,

 

Quel est le code de ton châssis ?


Bonsoir Manu A6,

 

La cote "A" pour les bras supérieurs dépend t'elle du type de châssis ?

Posté(e)

salut, je ne pense pas vu que ce n'est pas préciser ??

Posté(e)

il me semble pourtant avoir vu sur un post concernant ELSA une cote à respecter mais celle ci partait du centre de roue au bord de l'aile pour l'allroad mais je ne retrouve plus l'info :mur: :mur:

Posté(e)

Apres avoir devissé les rotules des bras superieurs, tu peux certainement prendre des repères entre le haut des rotules et l'intérieur du passage de roue au pied à coulisse.

 

377278Brasdemonts.png

Posté(e)

Non pas du tout c'est justement les silentblocs de ces bras qui sont usés et du coup la position du bras bouge.

Posté(e)

Voila, le kit est en place !

Les rotules du triangle inférieur m'ont fait souffrir, vive le WD40 !

J'en ai profité pour remplacé les silentblocs de la barre stabilisatrice.

 

le volant est droit, mais j'ai pris rendez vous pour contrôler et régler la géométrie .

 

MERCI A TOUS ! :bien:

Posté(e)

+1 content pour toi, est tu as bien fait de tout changer.

Posté(e)

bravo guilux33, tu as du tomber l'amorto pour changer les 2 demi bras superieur ou pas?

qu'est ce que tu as pris comme marque? oscaro eBay?

Posté(e)

J'ai suivi le conseil des spécialistes, J'ai acheté le KIT LEMFORDER sur la BAY.

Magatron et Vivian31 sont apparemment très satisfait de la marque Meyle HD.

 

Il faut effectivement sortir les amortisseurs pour changer les bras supérieurs.

Tu peux au passage jeter un œil sur les coupelles des tes amortisseurs en fonction de ton kilométrage ( 2 - Shock absorber mounting sur l'image ci-dessus )

Posté(e)

oui mais moi c'est l'allroad il faut que je me fasse ces 4 demi bras sup prochainement :race: :race:

et j'ai peur pour le degonflage de l'amorto, j'ai peur aussi de flinguer le raccord d'air en plastique au demontage qui semble fragile :mur: ...

du coup je me demande si sans demonter la jambe completement juste en la baissant en desserant les 3 vis du haut et en defaisant le bas ça serait possible de sortir les vis des 2 demi bras sup?

 

j'ai vu ce tuto sur un a8 avec suspention pneumatique qu'en pensez vous

Posté(e)

Pourquoi veux tu dégonfler l’amortisseur ?

Tu mets la voiture sur chandelles, tu libères le bas de l'amortisseur sur le bras inférieur, tu devises le raccord d'air et tu enlèves les 3 vis ( attention l'amortisseur est assez lourd ).

Posté(e)

oui mais moi c'est l'allroad il faut que je me fasse ces 4 demi bras sup prochainement :race: :race:

et j'ai peur pour le degonflage de l'amorto, j'ai peur aussi de flinguer le raccord d'air en plastique au demontage qui semble fragile :mur: ...

du coup je me demande si sans demonter la jambe completement juste en la baissant en desserant les 3 vis du haut et en defaisant le bas ça serait possible de sortir les vis des 2 demi bras sup?

 

j'ai vu ce tuto sur un a8 avec suspention pneumatique qu'en pensez vous

Salut 4A13, il faut effectivement débrancher le raccord sur l'amortisseur pour le déposer se qui entraîne sont dégonflage. Le raccord se dévisse très bien, il faut bien nettoyer avant de le dévisser et bien protégé le raccord ainsi que le tuyau pour évité toute impuretés dans le système. Après la repose des deux amortisseurs et que tout est bien remonter,il faut brancher le VAGCOM et refaire le calibrage des amortisseurs, Et du coup, quand j'avais fait mes silentblocs, au reparamétrage des amortisseurs, j'ai abaisser la voiture de 10 mm par apport à l'origine.

Posté(e)

le souci est de savoir quelle est la meilleur position pour faire la manip, je pense la faire en mode dynamic comme cela il y aura moins d'air dans l'amorto et celui ci sera comprimé non? du coup j'aurais plus de marge lorsque je le désacouplerais du bras inferieur.

j'ai bon ou pas?

faut-il mettre la position cric pour cette manip? d'ailleurs en quoi consiste la position cric sur l'allroad est ce que quelqu'un peut expliquer??

Posté(e)

merci ça je savais :race:

je voulais dire par là techniquement qu'est ce qu'il se passe?

  • 11 mois plus tard...
Posté(e)

:mur: :mur: :mur: bonjour grosse galère pour extraire les vis de 110mm qui sont restées soudées dans l'alesage des deux fusées qui sont en alu => du coup les tetes ont cassées =>obligé de couper à la meule les vieux bras sup et de tout sortir avec les cardans et bras inferieur pour pouvoir percer et extraire ces put.. de vis chez un atelier pro...

Créer un compte ou se connecter pour commenter

Vous devez être membre afin de pouvoir déposer un commentaire

Créer un compte

Créez un compte sur notre communauté. C’est facile !

Créer un nouveau compte

Se connecter

Vous avez déjà un compte ? Connectez-vous ici.

Connectez-vous maintenant
×
×
  • Créer...