Aller au contenu
  • En ligne récemment   0 membre est en ligne

    • Aucun utilisateur enregistré regarde cette page.

Messages recommandés

Posté(e)

bonjour !

 

un ami ayant acheté un apy noir ébène avec problème électrique, je recherche solutions... (il va s'inscrire sous peu...pour se présenter )

 

alors voila, au début défaut de relais de pompe a essence, changement relais et pompe qui était naze aussi ... et voilà que tout se met en défaut..... problème trouvé c'était la centrale de relais ....

 

Mais maintenant qu'elle est prête à démarrer les injecteurs ne sont pas pilotés et je n'ai rien au vagcom...sur que c'est un fil fondu ou autre connerie comme ça.... quelqu'un pour me donner une piste ?

le relais qui pilote les injecteurs c'est lequel ? faut je regarde sur elsa mais j'ai pas l'ordi, il est resté dans ma voiture :/

Cela peut il être autre chose ?

Posté(e)

Salut,

 

Pour moi les injecteurs sont commandés directement par l'ECU. Je regarde ce soir si j'ai un schéma électrique.

Posté(e)

Salut,

 

Pour moi les injecteurs sont commandés directement par l'ECU. Je regarde ce soir si j'ai un schéma électrique.

 

 

Oui merci ça serait super !

 

On a tester le calculateur sur la mienne, il fonctionne, elle a démarrée et calée après ...

Il n'y a pas de relais entre les injos et l'ecu ?

Posté(e)

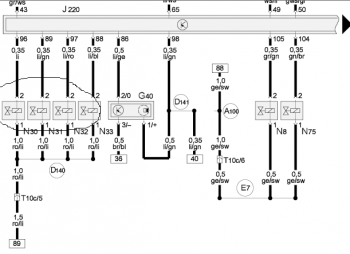
C'est bien en direct entre l'ECU et les injecteurs :

 

7ae2d3249045540.jpg

 

Je t'ai entouré les injecteurs; Le J220 c'est le calculateur moteur.

Posté(e)

:marcelpoire: merci, si j'ai bien compris le shéma et ce que tu me dis, ils sont branchés en direct, donc ça ne devrait pas trop dur de faire le chemin pour voir les fils, ça oriente ma recherche merci je vous tiens informé ;)

Créer un compte ou se connecter pour commenter

Vous devez être membre afin de pouvoir déposer un commentaire

Créer un compte

Créez un compte sur notre communauté. C’est facile !

Créer un nouveau compte

Se connecter

Vous avez déjà un compte ? Connectez-vous ici.

Connectez-vous maintenant
×
×
  • Créer...