Aller au contenu
  • En ligne récemment   0 membre est en ligne

    • Aucun utilisateur enregistré regarde cette page.

Messages recommandés

Posté(e)

Salut, fred60 m'avait donné le "tuyau" à couper (dump->admission) pour contrôler la pression est je viens de regader j'ai -0.850 à 0.550 bar. Confirmez vous la valeur à cette endroit ? bigsmile.gif

Posté(e)

ouaip, ça parrait cohérent.

 

par contre, 0.85 bars pour un 1.8T 150cv, ça fait pas mal ...

 

tu as 0.55 bars au dela de 5000 t/m ?

Posté(e) (modifié)

non au ralenti -0.850 (dépression) et en charge 0.550 bars. je te dirais demain si elle tombe après les 5000 trs (c'est plus bigsmile.gif ) Il n'y a pas un autre endroit pour faire une mesure avec une pressqion plus forte (pression artificielle) ?

Modifié par TOONS
Posté(e)

Bin non si t'as la pression au mano c'est que tu as bien la valeur de pression qui se trouve dans le circuit de suralimentation

tu pourra donc pas trouver d'autre endroit ou il y a plus de pression coucou.gif

Posté(e)

Pour gmac: En enchaînant les rapports 1 ére 2 éme 3 éme , la pression perd 0.100 (0.400) mg à l’arrivée des 6000 tours. Sur une reprise en 3 éme la perte de 0.100 arrive plus tôt sur les 5500 trs. coucou.gif

Posté(e)

Salut biggthumpup.gif

 

 

 

je profite de ton topic(desole unsure.gif )pour savoir si quelqu'un saurait ou se piquer ou sur quelle sonde se brancher pour avoir la pression de turbo sur un tdi 130?

 

 

merci

 

LUDO03

Posté(e)

Normal que ta pression baisse au fur et a mesure que le régime moteur augmente.

 

Le petit K03 s'essoufle vite.

 

 

je suis assez tenté par une pipe d'admission pour essayer de garder plus de pression dans les tours, mais ça fait cher le bout de tuyaux.

Posté(e)

ou prendre la pression du turbo sur un TT 180 ou 4 cyl turbo 5v

Posté(e)

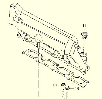
Idem même moteur, sur le petit tuyau de la dumpvalve qui va jusqu'à la pipe

N°15--->surpression dumpvalve

N°19---->pression suralimentation(n°11)

 

 

post-7565-1120456162_thumb.jpg

Posté(e)
Salut, fred60 m'avait donné le "tuyau" à couper (dump->admission) pour contrôler la pression est je viens de regader j'ai -0.850 à 0.550 bar. Confirmez vous la valeur à cette endroit ?  bigsmile.gif

212945[/snapback]

biggthumpup.gif bonjour la pression du 1L8T n'est pas énorme elle se situ entre 0,5 et 0,6 bar maxi non préparer donc toi tout est bon bien.gif , moi j’ai 1 bar voir 1,2 bar mais avec la prépa Turbo ko4 biggthumpup.gif

@+ tongue.gif

Posté(e)

donc on fait un T sur le tuyau 19

 

 

 

Idem même moteur, sur le petit tuyau de la dumpvalve qui va jusqu'à la pipe

N°15--->surpression dumpvalve

N°19---->pression suralimentation(n°11)

215170[/snapback]

 

Posté(e)

Y a pas que la taille du turbo qui entre en compte mais le programme entré dans le boitier... c'est lui qui commande la pression du turbo si c'est comme la S3 ou le TDI.

Créer un compte ou se connecter pour commenter

Vous devez être membre afin de pouvoir déposer un commentaire

Créer un compte

Créez un compte sur notre communauté. C’est facile !

Créer un nouveau compte

Se connecter

Vous avez déjà un compte ? Connectez-vous ici.

Connectez-vous maintenant
×
×
  • Créer...