Aller au contenu
  • En ligne récemment   0 membre est en ligne

    • Aucun utilisateur enregistré regarde cette page.

Messages recommandés

Posté(e)

Tomclear tu mélanges avec quelle SP toi?

  • Réponses 1,6k
  • Créé
  • Dernière réponse

Classement des membres dans ce topic

Classement des membres dans ce topic

Images publiées

Posté(e)

En fait il faudrait faire des log des sondes lambda et du canal "adaptation" pour voir quel coefficient d'adaption il y a et si les valeurs lambda restent bonnes.

 

Il est possible que l'adaptation (et donc l'enrichissement) se fasse bien, mais que le défaut mélange pauvre apparaisse quand même car la valeur d'adaptation dépasse le seuil de déclenchement qui doit être de 10% il me semble.

 

Tomclear tu as un vagcom ?

Posté(e)

Pour faire simple fait un log des canaux 32 et 33 en roulant. Si les lambda control du canal 33 oscillent bien tout le temps entre des valeurs - et + proche de 0/2% l'adaptation est bonne.

Posté(e)

Jerem toi qui avais bidouillé des commandes sur le bloc chauffage sur une des tiennes, une idée pour le flux d'air chaud?

Posté(e)

Salut Vertick

Merci mais non ça c'est le chauffage stationnaire, moi c'est au niveau du bloc chauffage a l'intérieur de la voiture, les moteurs et volets de positionnement d'air, température...

Posté(e)

Je pensais avoir plus de choses ... Moi j'avais changé un servomoteur de volet dynamique d'admission (V71). J'avais le V71 et le V113 en défaut et le changement du premier a résolut par magie le second ...

Posté(e)

ok merci jerem, mais a priori je vois pas de volets qui commanderais le froid et le chaud pour chaque coté.

Posté(e)

Envoie moi une adresse e-mail en mp, je peux t'envoyer un doc en anglais où il y a des infos sur le fonctionnement du chauffage de l'A8, comme l'anglais n'est malheureusement pas naturel pour moi je ne l'ai pas encore "déchifreé".

 

Edit désolé j'ai un peu loupé mon message :)

Posté(e)

Envoie moi une adresse e-mail en mp, je peux t'envoyer un doc en anglais où il y a des infos sur le fonctionnement du chauffage de l'A8, comme l'anglais n'est malheureusement pas naturel pour moi je ne l'ai pas encore "déchifreé".

 

Edit désolé j'ai un peu loupé mon message :)

Ok j'tenvoi mp

Posté(e)

En fait il faudrait faire des log des sondes lambda et du canal "adaptation" pour voir quel coefficient d'adaption il y a et si les valeurs lambda restent bonnes.

 

Il est possible que l'adaptation (et donc l'enrichissement) se fasse bien, mais que le défaut mélange pauvre apparaisse quand même car la valeur d'adaptation dépasse le seuil de déclenchement qui doit être de 10% il me semble.

 

Tomclear tu as un vagcom ?

oui j'ai une copie chinoise qui marche très bien

j'ai jamais pensé à le faire en roulant

j'ai un dongle wifi avec une appli ios qui permet d'enregistrer les logs, je dois faire le plein cette semaine, désolé de polluer ton topic j'ai un peu peur d'en créer un aussi polémique lol :)

Posté(e)

Salut,

 

Ca ressemble à une sonde ton problème de chauffage, le vag com ne dit rien?

Posté(e)

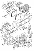
Au vag il m'indique la pompe de circulation d'eau pour le chauffage qui ce trouve avec le boîtier de vannes, d'où la supposition pour ce boîtier !

Mais la pompe a l'air de fonctionné et je vois pas le lien que ça chauffe d'un côté et pas de l'autre, si l'eau circulais pas comme il faut j'aurai pas de chauffage du tout.

Posté(e)

Encore une chouette histoire lol, le système de "chauffage" est une une usine à gaz , la voiture est bardée de capteurs et transmetteurs en tout genres, il y a des transmetteurs

de température côté gauche et droite avant et arrière, le système régule l'ensemble de l'habitacle donc si le capteur avant droit déconne et dit qu'il fait plus chaud que la temp souhaité

à droite il va envoyer du froid a droite, le vag me laisse pantois...

Posté(e)

Pour vérifier les sondes, il faut aller vérifier le groupe de mesure correspondant dans le calculateur de clim à l aide du vagcom.

 

Si la valeur affichée n est pas la température réelle tu seras fixé à ce sujet.

 

Le chauffage multizone est assez répandu maintenant.

  • 4 semaines plus tard...
Posté(e)

Nan j'ai pas eu le temps de m'en occupé...

  • 2 mois plus tard...
Posté(e)

Salut jja8,

 

Les ressorts de maintien pour les plaquettes, as-tu mis ceux de la S8 finalement ?

Posté(e)

Salut Titaa

Non finalement j'avais laissé tombé mettre des logos S8 sur une qui n'en est pas ça me gênais

Posté(e)

Oui Titaa ça peut être sympa aussi

Posté(e)

Petite photo de titine à Cassis 😜

 

610701image597.jpg

Posté(e)

Aaah Cassis, ca evoque les vacances pour moi !

En tout cas très belle photos !

 

Tes jantes me paraissent plus "à ras des ailes" que les miennes, tu connais leur ET ?

Pourtant on les a acheté au même endroit il me semble ?

Posté(e)

Merci Jerem oui surtout pour le beau temps ça évoque les vacances lol

Sinon pour le ET je me souviens plus, mais effectivement je pense pas qu'il soit différent du tiens!

Après c'est peut être que tu as pas la même dimension de pneus qui font cette effet, moi je suis en 275/35/20. Je me souviens plus sur la tienne?

Posté(e)

quand vous passez par ma région avec vos "grosses"

 

n'oubliez pas de me faire signe les gars

Posté(e)

t'habite trop loin toi :)

 

et le pb c'est que si on va chez toi (enfin dans ta region) on prend 15kg

Posté(e)

T habite dans quel coin Chris82 ?

 

Sinon une photo de mon A8 pour comparer, désolé avec le temps d ici elle est "un peu" plus sale lol :)

 

212788image570.jpg

671862image117.jpg

Posté(e)

t'habite trop loin toi :)

 

et le pb c'est que si on va chez toi (enfin dans ta region) on prend 15kg

 

si tu restes raisonnable, y'a pas de raison :nanana:

après trop loin c'est une question de point de vue, avec vos diesel ça ne se sent pas trop......pour moi 90 l pour faire moins de 500 bornes ça pique un peu plus :MdrDevil:

 

T habite dans quel coin Chris82 ?

 

 

entre Toulouse et Montauban,

 

dommage que je ne remonte plus aussi souvent, car je passais régulièrement par Troyes et Reims..........

 

 

 

Posté(e)

quand vous passez par ma région avec vos "grosses"

 

n'oubliez pas de me faire signe les gars

Avec plaisir mais du côté de Toulouse c'est pas trop mes coins, j'y vais rarement, il faudra que je fasse une exception à l'occasion

Posté(e)

 

si tu restes raisonnable, y'a pas de raison :nanana:

après trop loin c'est une question de point de vue, avec vos diesel ça ne se sent pas trop......pour moi 90 l pour faire moins de 500 bornes ça pique un peu plus :MdrDevil:

 

Ou un diesel ? Me parle pas de mazoute lol

Moi pareil avec un plein c'est 350 à 450 kms en moyenne

Le mieux que j'ai fais c'est 750 kms exclusivement sur autoroute mais alors sans trop d'écart des vitesses autorisées, donc ca ce reproduit pas souvent, pour pas dire presque jamais mdr

Et toujours env. 60000 kms par ans avec...

Posté(e)

T habite dans quel coin Chris82 ?

 

Sinon une photo de mon A8 pour comparer, désolé avec le temps d ici elle est "un peu" plus sale lol :)

 

212788image570.jpg

671862image117.jpg

Effectivement Jerem, bizarre oui elles ont l'air bien moins à fleur d'aile...
Posté(e)

quand j'avais la D3 V8 4.2 ess je l'avais mis au GPL ca me revenai moins cher que maintenant avec mon V8 4.2 tdi :)

Posté(e)

Je veux bien te croire Lclerc69audia8, le gasoil est pas tres bon marché et malgré tout le V8 4.2 en tdi boit quand même quand ont s'en occupe...

 

Moi maintenant très souvent je met la moitié voir les 3/4 du plein en éthanol et elle s'en plein pas et en moyenne a 0,70 euros le litre ça représente une belle économie vu les kilomètres que je fais.

Posté(e)

Je roule 100% à l'éthanol et ça me coûte le même prix que la tdi au km, du coup la tdi roule beaucoup moins !

Va falloir que je regarde l'ET de mes jantes, ça me tracasse cette histoire.

 

JJA8, tu avais résolu ton problème de chauffage ? Avec tes 60 000km/an tu dois pas être loin des 600 000 maintenant ?

Créer un compte ou se connecter pour commenter

Vous devez être membre afin de pouvoir déposer un commentaire

Créer un compte

Créez un compte sur notre communauté. C’est facile !

Créer un nouveau compte

Se connecter

Vous avez déjà un compte ? Connectez-vous ici.

Connectez-vous maintenant
×
×
  • Créer...