Aller au contenu
  • En ligne récemment   0 membre est en ligne

    • Aucun utilisateur enregistré regarde cette page.

Messages recommandés

Posté(e)

Ouh, ça va vite me gonfler ça ! <_<

 

Il faut le VAS1551 c'est ça ?

 

Et si c'est bien mon calculateur qui deconnait elle devrait démarrer 2 secondes c'est bien ça ?

  • Réponses 157
  • Créé
  • Dernière réponse

Classement des membres dans ce topic

Classement des membres dans ce topic

Posté(e)

J'ai eu mon pote mécano chez VW qui m'a dit qu'il n'y avait pas besoin de reconfigurer le boitier...

 

Si c'est le cas, tant pis pour lui, il sera obligé de se déplacer avec son VAS1551... <_<

 

Normalement, le boitier part aujourd'hui par courrier... :carre:

 

J'ai hâte de reprendre mes 230 canassons... Parceque la Twingo 1.2 :bleble:

Posté(e)
Parceque la Twingo 1.2 :bleble:

 

:nanana: :nanana: :nanana: :nanana:

ne pas dire ca.. Une Rino, ca depanne bien !! :P

Posté(e)

C’est clair !

 

Mais avec ma femme, la petite et la poussette, ce n’est pas simple ! Et ça n’avance pas une cacahouète ! :bigsmile:

 

Possible que ça soit le capteur à effet Hall ?

 

Je devance déjà ma très certaine déception ! Je deviens pessimiste…

Posté(e)

Ma voiture ne démarre plus du tout

Le boitier Motronic n'a pas encore était changé, je l'aurai en début de semaine.

 

:coucou:

Posté(e)

Alors :

 

Pas de jus aux bougies et aux bobines.

 

Pas d'arrivée d'essence non plus (la pompe à essence ne démarre pas)

 

:coucou:

Posté(e)

Logiquement non...

 

C'est mon pote (mécano VW/Audi) qui a controlé...

Posté(e)

Bobine testée devant moi sur le couvre culasse...

 

Fusibles et Relais ok

 

Modules d'allumage ok

 

Le capteur pmh, c'est quoi ? c'est le Pin sur le volant moteur ou c'est le effet Hall ? Je m'y perds des fois...

 

C'est quoi le ODB 1 et le ODB 2 ? C'est quoi la différence ?

Posté(e)

Et tu le changes comment ton Pin sur le volant moteur ?

 

Faut tout démonter non ? C'est pas accessible ?

 

Sinon, j'ai l'ODB 1.

Posté(e)

Salut moi je suis aussi en obd1 , je vais regardée si il y a des valeurs de contrôle pour ces deux capteurs, sur beaucoup de véhicule si il n'y a pas d'impulsion au volant moteur il n'y a pas d'allumage , et pas d alimentation en essence , il n'y a pas forcément de défaut , vu que le moteur ne démarre pas ,

J essai de te trouver ça dans l après midi

 

A bientot

Posté(e)

Chose aussi importante : avec le VAS1551, impossible de se connecter au boitier moteur...

 

C'est ça aussi qui me fait pencher sur le fait que mon boitier est peut être mort...

Posté(e) (modifié)

voici les controles pour le capteur:

Diagnostics

Vérifier le(s) connecteur(s): Vérifier les connecteurs et si nécessaire les nettoyer ou les fixer pour s'assurer de la qualité de la connexion.

Vérifier la résistance

Couper le contact. Retirer le connecteur du capteur d'accélération.

Mesurer la résistance entre les deux broches de la bobine du capteur d'accélération. Comparer à la résistance préconisée.(résistance: 800 - 1 200 ohm)

 

Vérifier la connexion à l'unité UEC :

Couper le contact. Retirer le connecteur du capteur d'accélération et de l'unité UEC.

Mesurer la résistance entre chaque borne du connecteur de la bobine et les bornes correspondantes sur le connecteur de l'unité UEC. Elles devraient être < 1 ohm.

S'il est présent, vérifier la connexion de la masse

Vérifier schématiquement si la cosse de masse est connectée à une masse directe ou bien à l'unité UEC. Lorsqu'elle est connectée directement à la masse: Couper le contact. Retirer le connecteur du capteur d'accélération. Mesurer la résistance entre la borne de masse du connecteur et la borne négative de la batterie. La résistance devrait être < 1 ohm. Lorsqu'elle est connectée à l'unité UEC: Couper le contact. Retirer le connecteur du capteur d'accélération et l'unité UEC. Mesurer la résistance entre la borne de masse du connecteur et la borne correspondante sur le connecteur de l'unité UEC. Elle devrait être < 1 ohm. Sinon, vérifier le câblage.

Vérifier le signal du capteur

Brancher l'oscilloscope à la broche de signal de l'unité UEC et à la masse. Mettre le moteur en route ou tourner à la manivelle et comparer à l'image d'oscilloscope représentée.

 

pour les fusibles je n'ai pas de donné mais il y en a a coté du calculateur,ce qui aurait été bien c'est de pouvoir controlé sont alimentation en + aprés contact, il n'y a pas eut de coup de cable de batterie ou autre qui aurai pu faire grillé un fusible ou autre chose ,

tu es d'ou ,

 

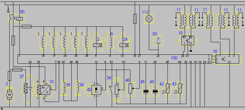
voici un shema de la gestion moteur

mo07_t10.gif

 

/1.injecteur

/2.électrovanne de purge canister

/3.pompe à carburant

/6.soupape de commande de la vitesse de ralenti

/10.module d'allumage

/11.bobine d'allumage

/24.électrovanne waste gate

/31.débitmètre d'air massique

/34.capteur de position du papillon des gaz avec commutateur de ralenti

/37.sonde lambda

/39.capteur magnétique sur vilebrequin

/40.capteur Hall/ MRE sur arbre à cames

/42.capteur de température du liquide de refroidissement

/43.capteur de température d'air

/45.capteur de détonation

/46.potentiomètre CO

/83.connecteur de diagnostic

/90.relais principal

/100.unité de commande

/112.témoin d'anomalie

 

bon courage

 

a controler le relais principale il ce trouve derriere le vide poche conducteur peut etre le 301 a verifier !!

Modifié par gt95turbo
Posté(e)

Non pas de booster pour la batterie.

 

Je dois recevoir mon nouveau boitier en début de semaine, je verrai bien c'est c'est ça, sinon je remplacerai le pin sur le volant moteur, mais je me pose la question de l'accessibilité de cette pièce...

 

Je suis sur Amiens dans le 80.

 

Merci pour votre aide à tous...

Posté(e) (modifié)

il y a du nouveau j'ai modifier mon message ,moi je suis de cergy !!

ton boitier que tu a acheter c'est un d'origine ? ou avec une puce !!

j'ai tester sur la mienne le relais 208 c'est le relais principale ,

 

@ bientot

 

ps donne moi ton email je vais faire des photos avec mon tel !! si ça peut t'aider !!

Modifié par gt95turbo
Posté(e)

Cergy, c'est pas super loin ;)

 

Le boitier c'est un d'origine sans puce...

 

Je t'envois mon mail par MP :coucou:

Posté(e)

Le relai 208 il est dans le caisson derrière le moteur avant la bais de pare-brise ?

Posté(e)

Ah oki, oui j'avais vu... Mon mécano l'a démonter, je pense qu'il a controlé... <_<

Posté(e) (modifié)

j'ai pas ce qu'il faut sous la main pour le shunter, c'est pas un relais classic,

regarde cette page c'est en anglais mais ça peut aider , surtout controler l'entrefer qui n'y ai pas de limaille!! comme sur une des photos

 

http://forums.quattroworld.com/s4s6/msgs/20986.phtml

 

et une photos du shema du relais en question (j17 relais 208)

 

j17fun10.jpg

 

voici le lien en anglais http://forums.quattroworld.com/s4s6/msgs/22583.phtml ,ou il t'explique l'importance du capteur g28 sans lequel ce relais ne s'enclenche pas !!

 

@ +

Modifié par gt95turbo
Posté(e)

moi je saisie pas une chose

au debut bentley rouler super

et juste il a rouler quasi en panne seche et

ca a pu faire tout sait probleme ?

 

ou sait juste une coincidence :unsure: :unsure: :unsure:

Posté(e)

En recherchant sur le forum , je crois qu'il y a un sujet sur les différents fusible et relais !!

@ bientôt

Posté(e)

Je vais remplacer mon boitier cette semaine, en fonction de ça on verra ce que je vais devoir faire...

 

Donc si c'est pas ça, faut fouiner du coté des 3 capteurs...

 

Merci à vous les amis :coucou:

Posté(e)

Boitier reçu ce matin...

 

J'essai de le monter ce soir...

 

:coucou:

Posté(e)

:hot: :hot: :hot: :hot:

allez, on y croit tous !! :bien:

Posté(e) (modifié)

Bon...

 

 

 

J'ai pas réussi à retirer le petit tuyau vert sur le boitier moteur...

 

Il est fixé sur le petit tuyau couleur laiton du boitier (voir image)

 

Pareil, j'ai pas exactement la même référence sur le boitier de ma voiture... :blink:

 

4A0 907 551 E contre sur le miens 4A0 907 551 A ou C je ne sais plus :biere:

 

dsc00280wm1.jpg

 

Uploaded with ImageShack.us

Modifié par Bentley
Posté(e)

Donc faut tirer dessus comme un goret c'est ça ?!

 

J'ai effectivement un collier en métal dessus...

Posté(e)

Pas de risque d'abimer la durite ?

 

Je vais pas être embêté après pour resserrer ce collier ?

Posté(e)

Ok je ferai ça demain...

 

En plus c'est pas hyper accessible...

 

J'espère que ça va fonctionner...

 

Par contre bizarre cette différence de référence d'ECU...

Posté(e)

Je ferai ça demain dans la journée, aujourd'hui pas eu le temps...

 

J'espère que ça fonctionnera...

 

Bentley

Posté(e)

J'ai réussi à défaire le collier, j'ai rebranché mon nouveau boitier...

 

Elle n'a pas démarré, pas de signe de mieux ! :angry:

 

On m'a dit de vérifier les 3 alimentations de mon boitier.

Posté(e)

y'a aussi des fusibles sur le cote gauche sur les A6/S6 :bien:

Créer un compte ou se connecter pour commenter

Vous devez être membre afin de pouvoir déposer un commentaire

Créer un compte

Créez un compte sur notre communauté. C’est facile !

Créer un nouveau compte

Se connecter

Vous avez déjà un compte ? Connectez-vous ici.

Connectez-vous maintenant
×
×
  • Créer...