-
Compteur de contenus
1 539 -
Inscription
-
Dernière visite
-
Jours gagnés
20
Tout ce qui a été posté par gizmo06
-
[Présentation] - Gizmo06
gizmo06 a répondu à un(e) sujet de gizmo06 dans Présentation - Votre Garage
Salut, Un peu de nouvelles sur l'A4 B6 bleue : l'ayant terminée (ou presque, il reste des détails à reprendre), j'avais rendez-vous aujourd'hui pour le CT. Donc ce matin je démarre la voiture, je pars de chez moi, puis d'un coup un bruit sourd et des vibrations, et les voyants ABS/ESP qui s'allument !!!! Je fais demi-tour (j'appelle le centre de contrôle pour annuler le rdv), je mets la valise déjà pour voir le code défaut : pb sur le capteur AVG. Je mets le cric, j'enlève la roue : le capteur ne tient pas bien dans son logement, la vis est cassée :-( Je dégage le capteur et ce qu'il y a autour, je commence à percer dans la vis pour refaire un trou et le tarauder. La mèche avance doucement, puis part d'un coup comme si j'avais traversé ... Je regarde, je ne vois plus la vis. Je me dis "zut, elle a dû tomber à l'intérieur, elle risque de bousiller les encoches pour le capteur abs". Donc me voilà à démonter les bras inférieurs, supérieurs, la vis du cardan. J'attrape le moyeu pour faire bouger la jambe de force et la dégager du cardan mais, bizarrement, le moyeu a du jeu. Étrange, je ne l'ai pas encore défait de la jambe de force... Je tire en peu dessus, et il me reste dans les mains : Donc, voilà d'où venait le bruit sourd... Du coup, pas de CT aujourd'hui, je ne peux toujours pas rouler avec le V6 :-( Le roulement est commandé, je l'aurai mercredi. En attendant, je vais reprendre la marron qui attendait patiemment que je m'occupe d'elle. Je lui ai remis une courroie pour la DA, j'ai rebranché les durites de refroidissement. Demain je refais l'appoint de LdR, je nettoie les durites d'arrivée d'air (depuis le temps qu'elles sont débranchées, il y a un tas de saletés qui ont dû s'y glisser), et je retente un démarrage, le but étant déjà de trouver pourquoi elle se désamorce, et réussir à la faire tourner rond. -
Avec quoi a été fait le diag ? Si c'est avec un petit boitier, peut-être n'est il pas assez poussé pour voir ce genre de défauts ?
-
Recalage distribution suite à Galet HS
gizmo06 a répondu à un(e) sujet de Wil-78 dans A4 B6 / A4 B6 Cabriolet - (2001 à 2004)
oui, vu que tu dois démonter, vérifies bien tous les AAC car ils ont cette maladie de s'user rapidement. Pour les poussoirs, je crois qu'il y a une procédure pour les réamorcer, mais je ne la connais pas :-( -
Bravo pour avoir trouvé. Je ne pensais pas que la chaleur aurait pu influer sur son fonctionnement... Et c'est bizarre qu'il n'y ai pas eu de code erreur. Bonne route ;-)
-
Recalage distribution suite à Galet HS
gizmo06 a répondu à un(e) sujet de Wil-78 dans A4 B6 / A4 B6 Cabriolet - (2001 à 2004)
Sur cette photo, la pièce de gauche est le poussoir, et celle à droite c'est le linguet. C'est ce dernier qui a tendance à casser, donc c'est peut être un morceau de ça que tu as trouvé ? Edit : je n'avais pas vu que tu as corrigé les photos. Donc effectivement c'est le poussoir qui est cassé. Mais vérifies bien également les linguets. Et, plus important, dans quel état sont les cames ? Elles ne sont pas trop usées ? -
Salut, tu as pu faire le diag ?
-
Recalage distribution suite à Galet HS
gizmo06 a répondu à un(e) sujet de Wil-78 dans A4 B6 / A4 B6 Cabriolet - (2001 à 2004)
C'est quoi ce format de fichier que tu as mis ? Je ne peux pas l'ouvrir ... Le morceau que tu as trouvé, ce ne serait pas plutôt un morceau de linguet ? -
Défaut capteur vitesse/abs
gizmo06 a répondu à un(e) sujet de kalimer0 dans A4 B6 / A4 B6 Cabriolet - (2001 à 2004)
-
[Tuto] Rénovation optiques et feux en plastiques
gizmo06 a répondu à un(e) sujet de Mani71 dans Entretien extérieur
Si si c'est fait à la lampe d'aladin, c'est ça la polymérisation ;-) -
Recalage distribution suite à Galet HS
gizmo06 a répondu à un(e) sujet de Wil-78 dans A4 B6 / A4 B6 Cabriolet - (2001 à 2004)
C'est bizarre si ton moteur tournait sans claquer.... -
[Tuto] Rénovation optiques et feux en plastiques
gizmo06 a répondu à un(e) sujet de Mani71 dans Entretien extérieur
Salut, Donc petit retour de ce que j'ai fait : j'ai tenté la première méthode qui consiste à polisher les phares : résultat nul , je penses que le phare était trop attaqué (ou alors je n'avais pas le bon polish ?). De plus, les phare AVG avait été refait et vernis, et ce vernis était mal fait (il y avait 2 bulles en plein au milieu, et dans les angles qui se détachait). Du coup j'ai acheté un ensemble de papier à poncer à l'eau, de 400 à 3000. J'ai poncé mes phares en passant toutes les étapes de papier (400, 600, 800, 1000, 1200, 1500, 2000, 2500 et 3000), sauf pour le phare ci-dessous où je devais enlever ce satané vernis, j'ai attaqué au 360. Après tout ça, une petit polymérisation. Voici pour le premier : Quant au phare AVD : Avant Après Pour le résultat, je trouve les feux légèrement opaques, mais on verra dans le temps si ça tient mieux que le lustrage... -
Recalage distribution suite à Galet HS
gizmo06 a répondu à un(e) sujet de Wil-78 dans A4 B6 / A4 B6 Cabriolet - (2001 à 2004)
Pour les AAC, celui côté conducteur il te faut démonter la pompe à vide (3 vis BTR de 4 il me semble). Pour celui côté passage, il te faut enlever le bouchon en espèce de métal, mais il ne sort pas facilement tu es obligé d le percer pour l'enlever (avec un tournevis) -
Recalage distribution suite à Galet HS
gizmo06 a répondu à un(e) sujet de Wil-78 dans A4 B6 / A4 B6 Cabriolet - (2001 à 2004)
Oui, c'est bien ce trou là Pour vérifier si ta pige est bien mise, essaye de faire tourner ton moteur d'un côté ou de l'autre, il ne doit pas y avoir de jeu. -
Recalage distribution suite à Galet HS
gizmo06 a répondu à un(e) sujet de Wil-78 dans A4 B6 / A4 B6 Cabriolet - (2001 à 2004)
Sur le V6, il faut mettre la pige sur le vilo, en plus des cales sur les AAC et la PI. Par contre, fais bien attention de bien être dans le trou adéquat : quand j'ai fait ma distrib pour la première fois, je me suis basé sur "OT", la pige est rentrée, mais j'avais du jeu lorsque je faisais tourner le vilebrequin. En fait, je n'étais pas dans le bon trou. En alignant le tout par rapport aux AAC, j'ai remis la pige du vilo, et là il ne tournait plus... -
essaye ---> cette procédure <---
-
Recalage distribution suite à Galet HS
gizmo06 a répondu à un(e) sujet de Wil-78 dans A4 B6 / A4 B6 Cabriolet - (2001 à 2004)
Salut, ton moteur ne claquait pas ? Ce qui est important c'est que les soupapes ne tapaient pas contre les pistons. Si c'est bon, avec une douille de 24 à 12 pans, tu fais tourner ton moteur dans les sens des aiguilles d'une montre jusqu'à faire apparaitre "OT" sur l'AAC que tu verras dans le bouchon de remplissage d'huile. Ceci dit, sur la mienne, le OT n'était pas aligné, d'où l'intérêt d'avoir les piges. Tu les as ? -
Salut, Je ne l'ai pas sous la main, mais en faisant une recherche sur le site tu vas la trouver, le sujet a été traité plusieurs fois
-
Recherche Restaurateur Automobile
gizmo06 a répondu à un(e) sujet de ARNO25 dans 100 S4 / 100 S6 V8 / S6 Plus
En tous cas, ta voiture a l'air en bon état. J'ai pratiquement la même configuration : intérieur cuir noir, j'ai mis des jantes Boléro en 17'', je n'ai pas les barres de toit. Pour la ligne, j'ai mis aussi une ligne inox de chez Fox. J'ai supprimé la marmite centrale, ça fait un bruit au top (regarde cette vidéo) -
Recherche Restaurateur Automobile
gizmo06 a répondu à un(e) sujet de ARNO25 dans 100 S4 / 100 S6 V8 / S6 Plus
Malheureusement cette voiture ne côte pas grand chose. Avec le 2.2 20v Turbo, les annonces tournent entre 10 et 15000€, mais en V8 on n'est qu'à 6000€ :-( Sur la mienne, j'ai fait l'équivalent de 8000€ de frais, et je dois en refaire à cause de la segmentation. Mais c'est vrai que c'est une voiture très agréable à conduire. Si tu veux, je peux demander à mon collègue qui est vers Bagnols sur Cèze, c'est lui qui a refait mes culasses. Un passionné Audi... -
Défaut capteur vitesse/abs
gizmo06 a répondu à un(e) sujet de kalimer0 dans A4 B6 / A4 B6 Cabriolet - (2001 à 2004)
Exactement ;-) -
salut, Ton code défaut ne dit pas qu'il n'y a plus de gaz, mais qu'il y a un problème avec le capteur.
-
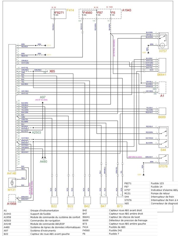
Défaut capteur vitesse/abs
gizmo06 a répondu à un(e) sujet de kalimer0 dans A4 B6 / A4 B6 Cabriolet - (2001 à 2004)
Tu as la référence de ton boitier ABS ? J'avais récupéré sur ce forum ce schéma, regardes si c'est le bon. -
Code défaut 01826
gizmo06 a répondu à un(e) sujet de spychris dans A4 B6 / A4 B6 Cabriolet - (2001 à 2004)
Non, c'est une voiture que j'ai achetée en partie démontée, je l'ai remontée et je corrige tous les défauts pour pouvoir la passer au CT. -
Salut, si ton ventilo est en court-circuit, le fusible va griller. As-tu un ohmmètre (ou un multimètre) ? Avec ça, tu pourras mesurer la résistance du moteur de ton ventilo, mais aussi vérifier si tu as du 12V qui arrive à ta sonde.
-
[Tuto] Rénovation optiques et feux en plastiques
gizmo06 a répondu à un(e) sujet de Mani71 dans Entretien extérieur
Salut, Je dois refaire les phares sur plusieurs de mes véhicules. Se pose la question de la solution choisie : soit le système de polissage comme expliqué ci-dessus, soit par polymérisation. J'avais vu dans une vidéo qui testait les différentes possibilités, que la polymérisation était la plus efficace dans le temps. Quelqu'un a des retours d'expérience ? Autre question : un collègue ne s'emm*$de même pas à poncer, il fait directement un coup de polissage. Le résultat est satisfaisant, mais ne dure pas longtemps (entre 6 mois et 1 an pour un véhicule qui dort dehors). D'où la question de la durée du traitement proposée par Fred...
| Quelques Liens | |||||||||||||||||||||
|---|---|---|---|---|---|---|---|---|---|---|---|---|---|---|---|---|---|---|---|---|---|
|
Administrateur |
La Charte du Forum |
||||||||||||||||||||
Rappel sur la Diffamation et la Calomnie
La diffusion d’informations fausses ou erronées visant à déstabiliser, voire à compromettre l’intégrité d’autrui, voire même jugée tendancieuse ou malhonnête, pourra être considérée comme de la diffamation pouvant faire valoir nos droits en déposant plainte contre les auteurs de ces propos.
C'est pourquoi, vous êtes tenus de respecter notre Charte d'Utilisation à l'instant même que vous vous trouvez dans ces lieux.
Information
Merci à vous d'être dans ces lieux, de participer et de partager vos expériences dans la communauté des 4 anneaux.
Il est important de ne pas oublier, qu'en naviguant sur cette plateforme et qu'en vous connectant sur AudiPassion, que vous avez lu et accepté notre charte d'utilisation.
Publicité
AudiPassion vit grâce à son référencement par les moteurs de recherche et de la publicité non-intrusive.
L'utilisation de filtres bloquant les scripts de référencement statistique ou l'affichage de bannières publicitaires n'est pas recommandé.
Pour faire vivre le forum gratuitement, nous vous remercions de ne pas activer cette fonctionnalité dans votre navigateur...