Aller au contenu
  • En ligne récemment   0 membre est en ligne

    • Aucun utilisateur enregistré regarde cette page.

Messages recommandés

Posté(e)

Bonjour à tous,

 

j'ai fait installer un kit bluetooth parrot MKI 9000 sur mon A6 avent 2L7 de 2007.

 

l'auto est équipé du systeme MMI.

 

Le parrot est autonome et auto amplifié or J'aimerais que le son sorte des HP et que l'autoradio passe en mute lors de la réception d'un appel.

 

L'installateur me dit que ce mode de fonctionnement n'est pas possible.

 

Quelqu'un à t il une solution ,

 

vous remerciant par avance de vos retours.

Posté(e) (modifié)

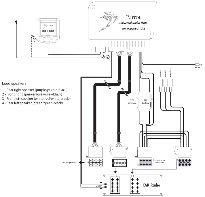
J'ai moi même un kit Parrot CK3200(j'en suis pas satisfait) et j'ai la musique qui s'arrête lors d'un appel et le son de la conversation dans les HP

 

Voici le schéma de montage :

 

post-88650-0-53411100-1341439002_thumb.png

 

Sur le site de Parrot, j'ai lu ça :

Afin de garantir une qualité audio optimale quand vous téléphonez, le Parrot MKi9000 associe la technologie du microphone double à un nouveau logiciel de traitement du signal (DSP-3) qui supprime les bruits ambiants et environnants ainsi que ceux perceptibles dans l'habitacle. Pour un confort d'écoute maximal, les conversations sont diffusées sur les haut-parleurs avant du véhicule.
Modifié par gasimoto
  • 2 semaines plus tard...

Créer un compte ou se connecter pour commenter

Vous devez être membre afin de pouvoir déposer un commentaire

Créer un compte

Créez un compte sur notre communauté. C’est facile !

Créer un nouveau compte

Se connecter

Vous avez déjà un compte ? Connectez-vous ici.

Connectez-vous maintenant
×
×
  • Créer...