-
Compteur de contenus
3 057 -
Inscription
-
Dernière visite
-
Jours gagnés
26
Tout ce qui a été posté par SIL
-
Présentation AUDI TT Quattro MK1 de STIMOROL
SIL a répondu à un(e) sujet de Stimorol dans TT MK1 : Coupé / Roadster / Le Mans / quattro Sport - (1998 à 2006)
Très classe. -
Le TT "S-Line réplica" de Gillou
SIL a répondu à un(e) sujet de Gilloubigniou dans TT MK1 : Coupé / Roadster / Le Mans / quattro Sport - (1998 à 2006)
Je ne me rappelle pas, tu change de couleur de carrosserie ? -
Le TT "S-Line réplica" de Gillou
SIL a répondu à un(e) sujet de Gilloubigniou dans TT MK1 : Coupé / Roadster / Le Mans / quattro Sport - (1998 à 2006)
Perso, j'ai acheté un hayon d'occas avec sa vitre (en réserve). Je n'avais pas trouvé le joint. Trouvé via LBC à quelques kms de chez moi. -
Problème de fumée
SIL a répondu à un(e) sujet de Quentinjiack dans TT MK1 : Coupé / Roadster / Le Mans / quattro Sport - (1998 à 2006)
Il y a des isolants thermiques sur la durite du turbo et sur le faisceau ils sont utiles (toile avec un coté alu). -
FEVRIER/MARS 2023 : " On monte dans les tours "
SIL a répondu à un(e) sujet de SIL dans Les Concours Auto
Peu importe la rotation, pourvu que la photo soit belle. -
A priori ta N75 est bien en place, contrôle son alimentation (parfois les fils sous la gaine annelé sont coupés ou presque coupés). Pour le reste, effectivement il te faut des leurres (résistances) pour tromper ton calculateur (lui faire croire que tout est en place). https://www.bar-tek-tuning.com/1.8t-tfsi-delete-resistor-for-evap-system
-
FEVRIER/MARS 2023 : " On monte dans les tours "
SIL a répondu à un(e) sujet de SIL dans Les Concours Auto
On peu être dans les tours sans dépasser la limitation de vitesse....... -
remplacement bride de refroidiss3ment
SIL a répondu à un(e) sujet de fen2ouf dans TT MK1 : Coupé / Roadster / Le Mans / quattro Sport - (1998 à 2006)
Il n'y a pas de purge sur nos TT, tu remplis au bon niveau, tu laisse tourner le moteur, tu ajuste si nécessaire. Concernant toutes les pièces en plastique du circuit de refroidissement, il existe des kits en métal. La finition est bof, mais elles font bien le job. J'ai poli les miennes. Exemple sur la Bay https://www.ebay.fr/itm/354478158685?hash=item52888b735d:g:nQQAAOSwvINi43q5&amdata=enc%3AAQAHAAABAAUQ08%2BgkQR%2BmcQiCjxHuLujnZrlDjZvUZYLaOumtucTxv5dDAVpgr79HAKFCICzSBwDORalkAV%2B5OrLPTUAdCidkyMTlz5q8szy26gT6tQgrLAHUN7EIcdzVAgCW2FQaQ2vok1KWwgPfMFtjA5kqRhaAwb7qDguRhr3YBntxzCgvvlT5SQ2XmZNd5sSFZhx%2FVv5unT50gLqUy4hYi8o9QxUrisp1sxYwCfSlAY0NYwuYYxqmGuVAbmwthQZX60U0JwemMGBw2LNuE%2FetM8qk%2FXFecDVa%2FjvPmL%2BCk4CDOzKsILUsOQvc62hplyybb8NlJw9McmFXyvQZ3LfMLPRAgE%3D|tkp%3ABFBMppPP28ph -
Le TT "S-Line réplica" de Gillou
SIL a répondu à un(e) sujet de Gilloubigniou dans TT MK1 : Coupé / Roadster / Le Mans / quattro Sport - (1998 à 2006)
Merci. -
TT vs les autres ...
SIL a répondu à un(e) sujet de nickbui dans TT MK1 : Coupé / Roadster / Le Mans / quattro Sport - (1998 à 2006)
Excellent Merci du partage. -
Le TT "S-Line réplica" de Gillou
SIL a répondu à un(e) sujet de Gilloubigniou dans TT MK1 : Coupé / Roadster / Le Mans / quattro Sport - (1998 à 2006)
Pour pouvoir travailler, il vaut mieux sortir le haut de la boite à air et sa durite. Pensez à tester régulièrement qu'il y a la place pour reposer tout ça.... (beaucoup plus facile pour ceux qui ont une boite à air plus petite). Voilà les 2 circuits (c'est très difficile d'arriver à placer toutes ces durites sans contraintes, ni frottements.). Voilà le tout en place..... le catch can est visé sur une platine d'origine (prévu pour un relai). -
Le TT "S-Line réplica" de Gillou
SIL a répondu à un(e) sujet de Gilloubigniou dans TT MK1 : Coupé / Roadster / Le Mans / quattro Sport - (1998 à 2006)
Suite...... -
Le TT "S-Line réplica" de Gillou
SIL a répondu à un(e) sujet de Gilloubigniou dans TT MK1 : Coupé / Roadster / Le Mans / quattro Sport - (1998 à 2006)
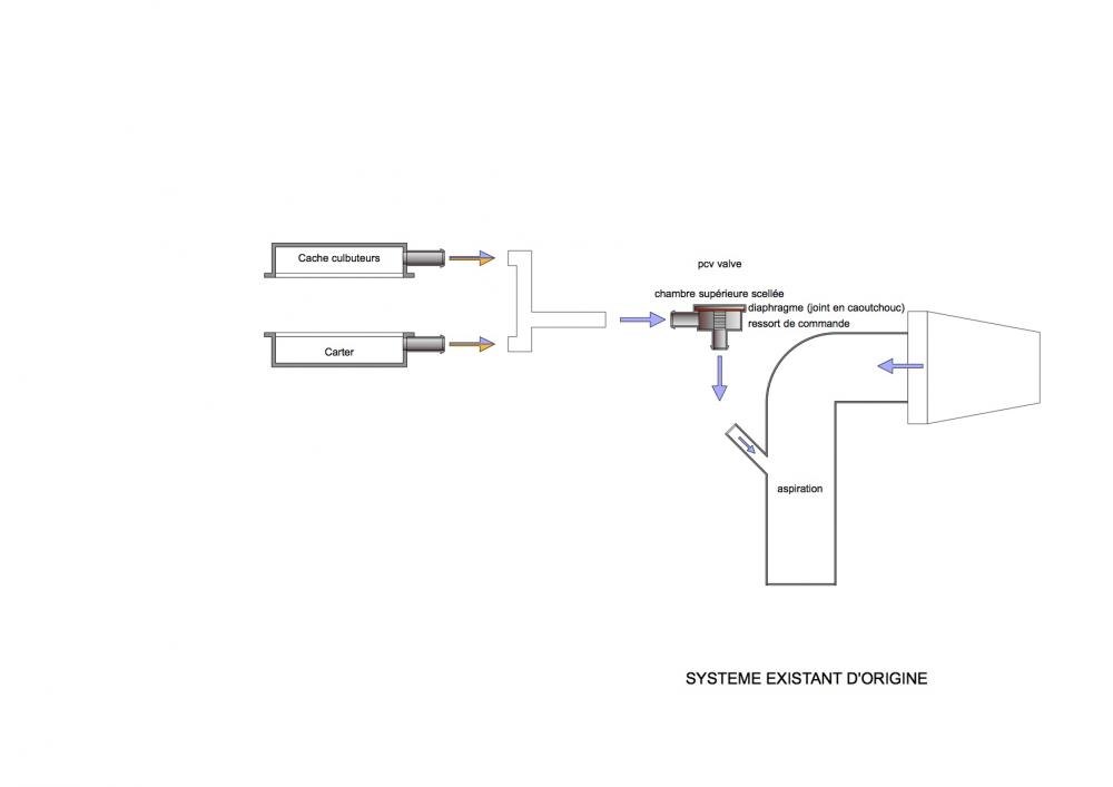
Bonjour Gilles, plus qu'une photo........un tuto. A la base, nous avons le schéma n°1... Le but est d'arriver au schéma n°2.... Voici la baie moteur du TT 8N (version 225 cv) C'est ici que ça se passe (on voit le "PUK" avec sa durite à 3 branchements). 1 branchement (arrivé) depuis le bas moteur 1 branchement (arrivé) depuis le haut moteur 1 branchement (sortie) vers le "PUK", vers la durite d'admission. (voir schéma n°1) Avant tout, préparer le matériel attention compter 3 bonnes heures (avec des moments de détente pour se calmer....) déposer le système existant (faire des photos pour pouvoir reposer le cas échéant) Voici le catch can de 42 Draft Design Entrée en bas, sortie en haut.............(pour le TT 225, l'inverse serait top)........ J'ai réglé avec un seul cran de décalage (il y a 6 possibilités me semble t'il). Il faut.............plein de trucs bizarre en silicone (T, L, + raccords,colliers,......) Diamètre int. environ 20 mm, colliers 30 mm, raccords diam: 20 mm environ. Pour les raccords, j'aime bien les éléments en plastique (rayon arrosage des magasins de bricolage). Il faut arriver à faire des pièces comme ça........ -
Le TT "S-Line réplica" de Gillou
SIL a répondu à un(e) sujet de Gilloubigniou dans TT MK1 : Coupé / Roadster / Le Mans / quattro Sport - (1998 à 2006)
Le catch-can est une bonne solution (bien que la quantité que je récupère dans le mien est anecdotique), je n'ai pas connaissance de PUK renforcé. -
Le TT "S-Line réplica" de Gillou
SIL a répondu à un(e) sujet de Gilloubigniou dans TT MK1 : Coupé / Roadster / Le Mans / quattro Sport - (1998 à 2006)
Rétros ovale, off course. J'adore le coté badass du TT sans le PC arrière. -
Probleme surchauffe audi tt 8n mk1 1.8l 180cv
SIL a répondu à un(e) sujet de xavier 8n dans TT MK1 : Coupé / Roadster / Le Mans / quattro Sport - (1998 à 2006)
Vérifie la platine de fusibles situé sur la batterie (sort les fusibles 1 à 1 et contrôle que la platine n'est pas déformé) -
Merci et félicitations à tous Super sujet.
| Quelques Liens | |||||||||||||||||||||
|---|---|---|---|---|---|---|---|---|---|---|---|---|---|---|---|---|---|---|---|---|---|
|
Administrateur |
La Charte du Forum |
||||||||||||||||||||
Rappel sur la Diffamation et la Calomnie
La diffusion d’informations fausses ou erronées visant à déstabiliser, voire à compromettre l’intégrité d’autrui, voire même jugée tendancieuse ou malhonnête, pourra être considérée comme de la diffamation pouvant faire valoir nos droits en déposant plainte contre les auteurs de ces propos.
C'est pourquoi, vous êtes tenus de respecter notre Charte d'Utilisation à l'instant même que vous vous trouvez dans ces lieux.
Information
Merci à vous d'être dans ces lieux, de participer et de partager vos expériences dans la communauté des 4 anneaux.
Il est important de ne pas oublier, qu'en naviguant sur cette plateforme et qu'en vous connectant sur AudiPassion, que vous avez lu et accepté notre charte d'utilisation.
Publicité
AudiPassion vit grâce à son référencement par les moteurs de recherche et de la publicité non-intrusive.
L'utilisation de filtres bloquant les scripts de référencement statistique ou l'affichage de bannières publicitaires n'est pas recommandé.
Pour faire vivre le forum gratuitement, nous vous remercions de ne pas activer cette fonctionnalité dans votre navigateur...