dsts
Utilisateur-
Compteur de contenus
7 427 -
Inscription
-
Dernière visite
-
Jours gagnés
2
Tout ce qui a été posté par dsts
-
5 cylindes 2,2 l
dsts a répondu à un(e) sujet de AudiPlus dans Coupé GT / UR-quattro / Sport quattro
Bonjour, voici le tableau Audi qui reprend 18 types de moteurs, voyez si le vôtre s'y trouve. [attachmentid=4437] Bonne route! -
Rien que dans un seul magasin. En choisissant 4 touches et pile 12 V (ainsi, elle peut même être alimentée par la batterie voiture): [attachmentid=4275][attachmentid=4276] Bonne route et bon parking!
-
[C5]Portière conducteur bloquée
dsts a répondu à un(e) sujet de nellysissi dans A6 C5 / allroad C5 - (1997 à 2005)
Bonjour, possible que la commande de poignée soit détachée. Il faut donc enlever l'habillage de la porte, voir ici: http://forums.audipassion.com/services/forums...wtopic=5494&hl= Bonne route! -
Quizz : découvrez la voiture et sa spécificité
dsts a répondu à un(e) sujet de Sylvain dans Audi - Horch - DKW - Wanderer - Auto Union - NSU : Patrimoine
-
Quizz : découvrez la voiture et sa spécificité
dsts a répondu à un(e) sujet de Sylvain dans Audi - Horch - DKW - Wanderer - Auto Union - NSU : Patrimoine
4 vitesses et sur-multiplication sur les 4. Elle était la plus chère des Horch. -
Quizz : découvrez la voiture et sa spécificité
dsts a répondu à un(e) sujet de Sylvain dans Audi - Horch - DKW - Wanderer - Auto Union - NSU : Patrimoine
Bonjour, cela ressemble fort à une Horch 853A de 1938. -
Bonjour, n'est-ce pas un système dangereux? Faut-il que le contact soit mis sur le véhicule pour que cela fonctionne? Il y a le danger que grâce à ce système quelqu'un copie vos codes (à votre insu lorqu'il va garer votre véhicule par exemple ou lors de l'entretien etc...) et puisse entrer chez vous. Je pense que monter un petit émetteur 12V à commande cachée est plus sûr. La commande pourrait être réalisée sans ajouter de bouton au véhicule. Le fait d'appuyer sur la pédale de frein tout en faisant un appel de phare pourrait permettre une telle commande; ou un microswitch placé sur l'ouverture du cendrier à mi-course etc.. Avec un peu d'imagination, il est possible de réaliser une commande "semi-automatique" ou même "automatique" invisible.
-
Installation Régulateur de vitesse
dsts a répondu à un(e) sujet de A 8 V 6 dans Electricité / Electronique
Bonjour, il faut vous adresser à votre agent Audi, car en plus du montage il faut faire de la programmation du système gestion moteur pour activer le régulateur. Bonne route! -
detection de panne
dsts a répondu à un(e) sujet de quattro.S2 dans 80 / 90 / Coupé / Cabriolet / 4000 / S2 / Coupé S2 / Avant S2 / RS2
Bonjour, dans la colonne description, il est dit en général à quoi correspondent les indication du genre: N71 = soupape de stabilisation du ralenti. Ces indications sont celle que vous retrouvez sur le schéma électrique spécifique à votre véhicule. Voici par exemple la signification de quelques G: G = transmetteur de l'indicateur de niveau de carburant, G1 = indicateur de niveau de carburant, G4 = transmetteur de point d'allumage, G5 = compte tours, G6 = pompe à carburant, G19 = potentiomètre du débitmètre d'air, G21 = tachymètre, G22 = transmetteur de tachymètre, G28 = transmetteur de régime moteur, G39 = sonde lambda avec chauffage, G40 = transmetteur de Hall, G44 = capteur de vitesse AR D (ABS), G45 = capteur de vitesse AV D (ABS), G46 = capteur de vitesse AR G (ABS), G47 = capteur de vitesse AV G (ABS), G61 = détecteur de cliquetis I, G62 = transmetteur de température de liquide de refroidissement, G69 = potentiomètre de papillon, G70 = débitmètre massique d'air, G108 = sonde lambda. Voici la signification de quelques N: N = bobine d'allumage 1 (cylindres 1 + 6), N17 = injecteur de départ à froid, N18 = soupape de recyclage des gaz, N30 = injecteur cylindre 1, N31 = injecteur cylindre 2, N32 = injecteur cylindre 3, N33 = injecteur cylindre 4, N39 = prérésistance du ventilateur de liquide de refroidissement, N43 = dispositif d'arrêt électromagnétique, N55 = unité hydraulique du dispositif antiblocage ABS, N56 = électrovanne du dispositif ABS AR D, N57 = électrovanne du dispositif antiblocage ABS AR G, N58 = électrovanne du dispositif antiblocaga ABS AV D, N59 = électrovanne du dispositif antiblocage ABS AV G, N70 = bobine d'allumage avec étage final de puissance 1, N83 = injecteur cylindre 5, N84 = injecteur cylindre 6, N71 = soupape de stabilisation du ralenti, N73 = régulateur de pression, N80 = électrovanne 1 pour réservoir de charbon actif (à impulsions) N 122 = étage final de puissance pour bougies d'allumage, N123 = élément de réglage pour élévation du régime de ralenti, N124 = élément de réglage pour accélération de départ à froid, N128 = bobine d'allumage 2 (cylindres 3 + 5), N158 = bobine d'allumage 3 (cylindres 2 + 4). Donc lorsque vous ne trouvez pas dans la colonne "description", il faut regarder sur le schéma électrique de votre voiture. Vous pouvez obtenir tous les schémas électriquesofficiels Audi (et toutes les doc.) ici: https://erwin.audi.com/erWinAudi/ Bonne route! -
detection de panne
dsts a répondu à un(e) sujet de quattro.S2 dans 80 / 90 / Coupé / Cabriolet / 4000 / S2 / Coupé S2 / Avant S2 / RS2
[attachmentid=3929][attachmentid=3930] Ceux qui désirent un document word plus lisible envoient un mail à: [email protected] Bonne lecture et bonne route! -
detection de panne
dsts a répondu à un(e) sujet de quattro.S2 dans 80 / 90 / Coupé / Cabriolet / 4000 / S2 / Coupé S2 / Avant S2 / RS2
Si vous avez un tableau plus récent ou plus complet, il est le bien venu. Si vous savez corriger des anomalies ou peut-être fautes de ce tableau, n'hésitez pas à le signaler. Merci. [attachmentid=3921][attachmentid=3922][attachmentid=3923][attachmentid=3924][attachmentid=3925][attachmentid=3926][attachmentid=3927][attachmentid=3928] -
detection de panne
dsts a répondu à un(e) sujet de quattro.S2 dans 80 / 90 / Coupé / Cabriolet / 4000 / S2 / Coupé S2 / Avant S2 / RS2
Attention!! Il faut utiliser une LED, pas une lampe de test qui consomme trop de courant et ferait des dégâts. Procédure: contact OFF ==== LED éteinte mettre le contact ON ==== LED brille ponter L au négatif pendant plus de 4 secondes et enlever le pontage ====LED s'éteint Puis vont débuter les codes clignotants. Un code clignotant est composé de 4 chiffres. Avant chaque code, la LED s'allume 2,5 secondes puis reste éteinte 2,5 secondes. Chaque chiffre du code sera indiqué par un nombre équivalent de clignotements rapides égal à lui-même (exemple: le chiffre 3 sera indiqué par 3 clignotements rapides, un code 0 par 0 clignotement!) Une pause de 2,5 secondes d'extinction de la LED a lieu entre chacun des chiffres. En résumé: pour connaître un code, il faut compter les 4 séries de clignotements entre les pauses de 2,5 secondes. Que signifient ces codes? voici par exemple les premiers codes qui pouvaient être mémorisés dans les appareils de commande d'allumage VEZ et dans les système de gestion moteur KE-Jetronic (lors de la lecture, sortaient d'abord les défauts affectant le VEZ, puis ceux du KE-Jetronic) [attachmentid=3920] Le nombre de codes a évidemment fortement augmenté avec les années, je vais donc essayer de placer un tableau plus complet qui date de quelques années, mais qui est toujours d'actualité. -
detection de panne
dsts a répondu à un(e) sujet de quattro.S2 dans 80 / 90 / Coupé / Cabriolet / 4000 / S2 / Coupé S2 / Avant S2 / RS2
Bonjour, dès 1973, Audi NSU a équipé ses voitures d'une prise de diagnostique. Cette prise permettait de faire quelques mesures, mais surtout d'accéder à deux fabuleuses mémoires (pour l'époque!). La première mémoire rapide nécessitant un appareil électronique de lecture qui n'apparaîtra dans les grandes concessions que 2 ans plus tard. La deuxième mémoire à lecture lente, permettant aux garagistes une lecture des défauts (maximum 16) grâce à un code clignotant. Il suffisait donc d'avoir un morceau de fil et une mini ampoule du type "goutte d'eau" de très faible puissance pour lire ces fameux codes clignotants. Les mémoires ont été contenues dans le système de gestion du moteur BOSCH et dans le module de commande d'allumage VEZ, puis TSZ-H de FAIRCHILD, etc.... [attachmentid=3919] Une aubaine pour les particuliers qui veulent soigner eux-mêmes leurs Audi NSU. [attachmentid=3907] Voici donc les schéma que vous devez réaliser pour lire les défauts contenus dans la mémoire. Le connecteur 1 est simplement une alimentation 12 V (il n'existe pas sur tous les véhicules); le connecteur 2 est celui de transmission de données rapides utilsé par les appareils électroniques comme par exemple le V.A.G. 1551; le connecteur 3 est celui délivrant les codes clignotants qui nous intéresse ici. L'exemple pris ici est celui d'une Audi 100/A6 C4. Le connecteur 3 peut se trouver ailleurs dans d'autres modèles (Audi 80 dans le câblage sous le volant, etc). Le câblage se résume donc à peu de chose: 1°) une diode lumineuse (LED) de 12 V, c'est à dire une LED qui possède une résistance d'au moins 1 k Ohm en série qui sera placée entre le positif du connecteur 1 et la borne du connecteur 3 (il faut absolument respecter la polarité pour la diode (vous pouvez la tester en la raccordant provisoirement entre le + et le - du connecteur 1); 2°) un morceau de fil (ou plus sûr: un bouton poussoir équipé de fils) permettant de ponter la borne L du connecteur 2 au négatif du connecteur 1 ou si ce connecteur n'existe pas sur votre véhicule, à une bonne masse bien franche. -
Installation Régulateur de vitesse
dsts a répondu à un(e) sujet de A 8 V 6 dans Electricité / Electronique
-
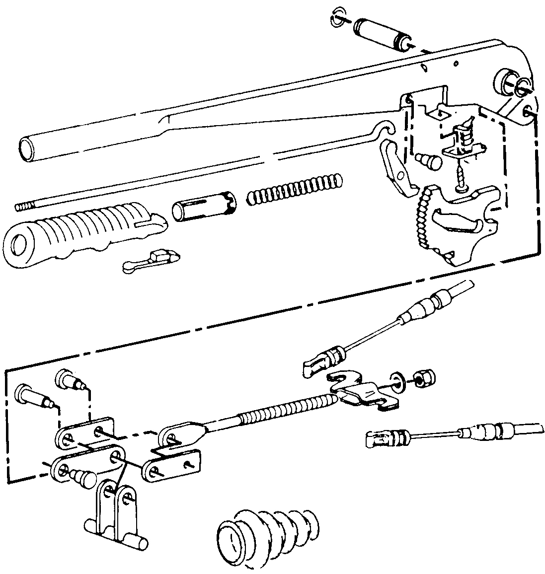
Changement du bouton de frein à main
dsts a répondu à un(e) sujet de doudi10 dans A4 B6 / A4 B6 Cabriolet - (2001 à 2004)
Bonjour, 1) serrez votre frein à main de façon à pouvoir déboîter la broche de blocage de la poignée de frein à l'aide d'un tourne-vis; 2) enlevez la poignée en la glissant vers l'avant; [attachmentid=3848][attachmentid=3849] 3) si vous avez déjà un nouveau bouton poussoir de frein et allez donc jeter l'ancien, avec une pince dévissez le bouton poussoir (il est vissé sur une longe tige); [attachmentid=3851] 4) montez votre nouveau bouton poussoir et nouvelle poignée. [attachmentid=3852] Attention: si l'ancien bouton est trop serré, vous risquez de déboîter la tige, alors il y aura beaucoup de travail pour tout démonter pour la refixer. Bonne route! -
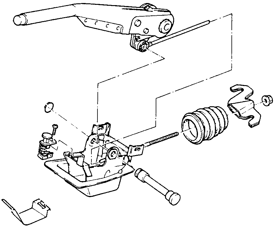
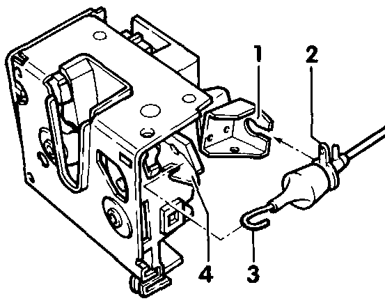
Bonjour, vérifiez que le clips de maintien du câble est bien mis (premier dessin); que l'attache en milieu de parcours du câble est à sa place; que le bowden (2) est bien fixé dans le support (1) (dernier dessin), comme représenté (10) avant dernier dessin.. [attachmentid=3844][attachmentid=3845] [attachmentid=3846] [attachmentid=3843][attachmentid=3847] Bonne route!
-
question conne²
dsts a répondu à un(e) sujet de schelor57 dans 80 / 90 / Coupé / Cabriolet / 4000 / S2 / Coupé S2 / Avant S2 / RS2
Bonjour, s'il vous arrivait de ne pas savoir ouvrir le clapet d'accès au réservoir à carburant suite à une panne de verrouillage centralisé de votre voiture: 1) ouvrez votre coffre; 2) écartez la garniture intérieure de l'aile; 3) vous apercevez la comande pneumatique de verrouillage de clapet (voir dessin) et appuyez en 2 tout en glissant l'ensemble vers la droite pour libérer la trappe à carburant. (1 = tôle support; 2 = cale d'arrêt; 3 corps de la commande pneumatique à membrane; 4 tuyau de mise sous pression (ou dépression) de la membrane). [attachmentid=3836] Faites le plein et bonne route! -
Bonjour, la région belge de Eupen Malmédi et le Palatinat allemand sont connues pour l'attaque des moteurs par les rongeurs (fuines, belettes et souris). Beaucoup de garagistes de ces régions montent sous le capot des systèmes anti-rongeurs. Les nouvelles courroies étant plus odorantes attirent plus les rongeurs que les vielles ainsi que les nouveaux produits écologiques antigels pour circuit de refroidissement. Donc, un moteur ayant subi un tel entretien ou rénovation est plus tantant pour tous les rongeurs. Un reportage sur le sujet est passé à la RTBF (TV belge francophone) il y a 2 mois, suite à la recrudescence du phénomène. Si vous êtes dans une région à fuines, belettes, écureils, souris,... investissez quelques dizaines d'Euros dans ce petit appareil anti-rongeurs, c'est moins cher que des dégâts moteur. Bonne route!
-
-
Un grand choix ici: http://www.duw.de
-
ou trouver ces feux arriere
dsts a répondu à un(e) sujet de mimolette dans A4 B6 / A4 B6 Cabriolet - (2001 à 2004)
Renseignez-vous chez D&W qui en a encore peut-être en stock (Rückleuchten) http://www.duw.de/ Bonne chance! -
[8L]Suspensions arrières de mon S3
dsts a répondu à un(e) sujet de PhilOOOO dans S3 8L - (1999 à 2003)
Environ 450 €. -
Voir: http://forums.audipassion.com/services/forums...wtopic=7138&hl=
-
Si l'ampli. d'antenne d'origine n'est plus alimenté, il affaiblit le signal d'antenne. L'ampli d'antenne que vous avez ajouté amplifie donc un signal de mauvaise qualité et est donc pratiquement inutile. Il est préférable de réalimenter le préampli d'antenne qui étant directement raccordé à l'antenne est mieux accordé et insensible aux perturbations internes de la voiture.
-
Bonjour, vous avez une double antenne qui est incorporée à la vitre arrière (ressemble aux conducteurs visibles du dégivrage). Je pense que l'ampli d'antenne qui se trouve dans le montant arrière n'est plus alimenté, c'est cela qui provoque une mauvaise réception (regardez sur votre ancienne radio pour faire la correspondance avec la nouvelle). Il suffirait donc de le réalimenter en +12 V à partir de la sortie commutée +12 V prévue pour sur la nouvelle radio pour que tout soit à nouveau OK. En général, l'ampli est alimenté par un fil blanc (ou parfois bleu). [attachmentid=3008][attachmentid=3005] [attachmentid=3009][attachmentid=3010][attachmentid=3011] Bonne route!
| Quelques Liens | |||||||||||||||||||||
|---|---|---|---|---|---|---|---|---|---|---|---|---|---|---|---|---|---|---|---|---|---|
|
Administrateur |
La Charte du Forum |
||||||||||||||||||||
Rappel sur la Diffamation et la Calomnie
La diffusion d’informations fausses ou erronées visant à déstabiliser, voire à compromettre l’intégrité d’autrui, voire même jugée tendancieuse ou malhonnête, pourra être considérée comme de la diffamation pouvant faire valoir nos droits en déposant plainte contre les auteurs de ces propos.
C'est pourquoi, vous êtes tenus de respecter notre Charte d'Utilisation à l'instant même que vous vous trouvez dans ces lieux.
Information
Merci à vous d'être dans ces lieux, de participer et de partager vos expériences dans la communauté des 4 anneaux.
Il est important de ne pas oublier, qu'en naviguant sur cette plateforme et qu'en vous connectant sur AudiPassion, que vous avez lu et accepté notre charte d'utilisation.
Publicité
AudiPassion vit grâce à son référencement par les moteurs de recherche et de la publicité non-intrusive.
L'utilisation de filtres bloquant les scripts de référencement statistique ou l'affichage de bannières publicitaires n'est pas recommandé.
Pour faire vivre le forum gratuitement, nous vous remercions de ne pas activer cette fonctionnalité dans votre navigateur...