Aller au contenu
  • En ligne récemment   0 membre est en ligne

    • Aucun utilisateur enregistré regarde cette page.

Messages recommandés

Posté(e)

Salut a tous,

Ma RS6 ne démarre plus sepuis ce matin; cerise sur le gâteau: a chaque fois que je tente de démarrer, le fusible 20A de la pompe a carburant claque!!

Savez vous ou se trouve cette pompe?

D'avance merci :reflexion: :reflexion:

Posté(e)

Salut,

 

Regarde sous la banquette arrière, côté passager. Tu devrais y trouver la source de tes ennuis...

 

@++

luc

Posté(e)

Ca se présente comment? Facile a démonter?

Merci

Posté(e)

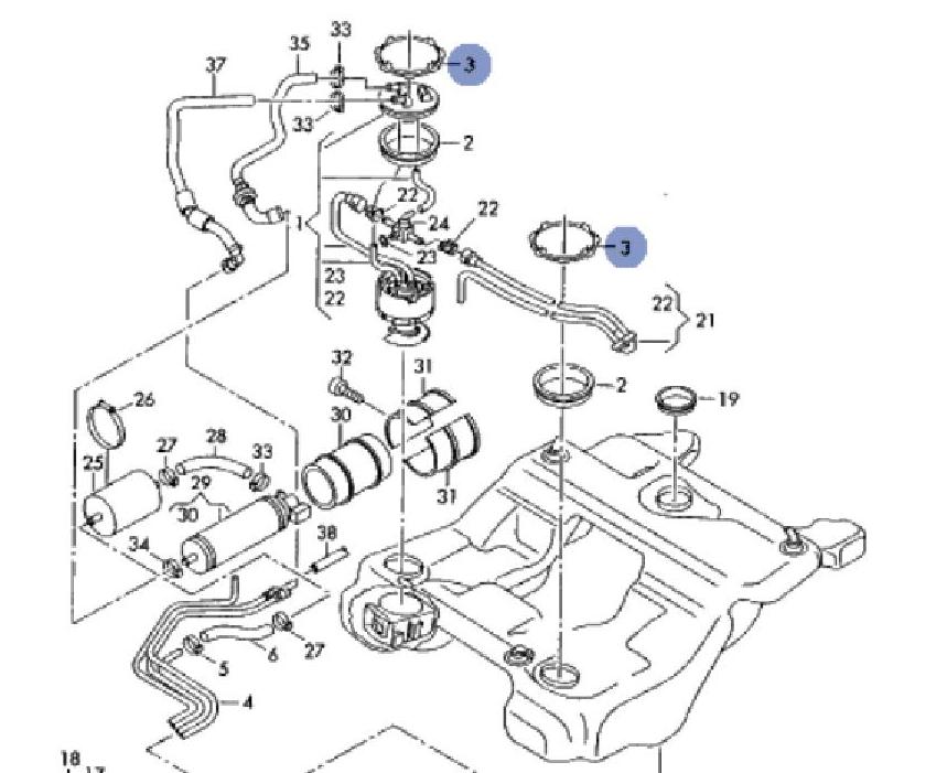
En fait, sous la banquette tu as une tole tenue par 3 vis. Tu retires celle-ci et tu verras le réservoir avec les connexions de la pompe et des jauges. Tu débranches puis tu dévisses la bague qui maintient la pompe dans le réservoir.

 

828075EasyCaptureManager.jpg

Posté(e)

Tu penses que c'est la pompe elle même?

Comment puis je la tester?

Ou commander le cas échéant?

Posté(e)

Si le fusible saute, possible qu'il y ait un soucis sur la pompe ou le faisceau. Ca ne serait pas la première pompe qui décède! Avec le vag-com, tu peux la tester. Mais je pense que le fusible sautera également.

 

Je commencerais par démonter et mettre un coup de multi sur les bornes de la pompe et du cablage. Regarde aux bornes 1 et 4 que ce ne soit pas à la masse. Si un soucis sur le faisceau, regarde du côté du relais (faut que je regarde ou il est...). Pareil sur la pompe...

 

6142021Transmetteurdindicateurdeniveaude

 

Pour acheter, pas de bons plans à te donner... Chez Audi ou Osc... je suppose! Certainement trouvable dans des shop de pièces perf.

Posté(e)

Le problème , c'est que je ne suis pas chez moi; faut que je trouve un testeur!

Comment voit on que c'est a la masse?

Est ce qu'une pompe peut rendre l'âme à l'arrêt?

Elle marchait bien la veille et n'a jamais redémarré :mur:

Posté(e)

Premier test simple, débranches la pompe et sollicite le démarreur. Si le fusible tient, ça vient de la pompe, sinon le faisceau et plus probablement le relais, je dirais...

Sinon sur le testeur, tu as une position pour tester la continuité. Quand tu fais toucher les bornes du testeur, ça doit biper.

 

Les pompes qui lachent, c'est souvent au démarrage, quand elles sont sollicitées... Une fois lancées, ça va. Un peu comme une ampoule!

Posté(e)

Et sais tu ou l'on trouve ce fameux relais?

Merci de tes réponses!

Grâce a toi j'avance.

J'ai vu que la pièce a plusieurs ref car proposée par Audi,VW et Skoda.

Penses tu que les prix ont différents?

Posté(e)

Bon, pompe a carburant débranchée le fusible claque a nouveau dés le deuxième coup de démarreur :mur:

Posté(e)

Bonjour

Laisse le fusible hs et essaye d'alimenter directement la pompe dans le coffre pour au moins démarrer le moteur

Ça doit être un problème de faisceau

Posté(e)

Ou se touve le relais correspondant?

Posté(e)

Le relais devrait-être sous le volant, par là!

En tous cas, tu peux dédouaner ta pompe. La jauge fonctionne? Car sur le câblage pompe, tu as les fils des transmetteurs de carburant.

Sinon le 20A ne gère que la pompe?

 

Je regarde si je trouve des infos sur ce relais.

Posté(e)

Donc, le relais est au niveau de la boite à fusible. Je n'ai pas l'emplacement exact mais sa ref est 4D0 951 253. Avec ça tu devrait trouver...

Posté(e)

J'ai trouvé le relais en question marqué 372, je l'ai débranché et le fusible n'a plus claqué; je suis donc allé le commander!

Ce que j'espère , c'est que c'est bien lui qui déconne?

La question que je me pose , c'est : une fois ce relais débranché , est ce qu'on ne coupe pas tout le faisceau?

Il y a une autre possibilité; c'est le calculateur de la pompe (300€) ref 4B7 906 093 marqué j538???

Quelqu'un sait il ou il setrouve?

Posté(e)

Pompe débranchée, le soucis est le même Dan, donc pas de soucis du côté de la pompe...

 

Au prix du relais, je pense que tu as bien fait de le commandé. Ca te permet d'avancer et c'est, pour moi, ce qui parait le plus probable.

Posté(e)

Vous avez déjà vu des relais rendre l'âme comme ça vous?

Posté(e)

Le relais ne fais pas sauter ton fusible donc ton relais n'est pas en cause (sûr à 100%)

Ton problème est un problème de faisceau

Fil entre le fusible et ta pompe

Conseil

Débranche ton fusible et alimente directement ta pompe sois avec une batterie sois avec un booster et démarre la voiture (pour voir s'il n'y a pas d'autre problème)

Posté(e)

si justement: lorsqu'il était en place, ça sautait a chaque fois; depuis que je l'ai enlevé, le fusible tient bon lorsque j'actionne le démarreur.

 

 

Quelqu'un a t il une idée d'ou se trouve le calculateur de la pompe 4B7 906 093 marqué j538???

Posté(e)

Rien trouvé sur ce calculateur...

 

Tu reçoit le relais quand?

 

@West: Pourquoi un relais ne pourrait pas faire sauter le fusible?

Posté(e)

Tu as regardé dans le porte-relais devant le pare-brise accessible depuis le capot?

Posté(e)

Un relais c'est un interrupteur, si il est hs sois il reste ouvert ou fermé un relais

C'est normal que quand tu enlèves ton relais le fusible ne crame plus; car en enlevant le relais tu coupe le courant qui arrive à la pompe

Je suis quasi certain que ton problème est due au faisceau

Posté(e)

Pour moi il existe des relais 3 ou 4 position qui peuvent se mettre à la masse... Vu le cas sur une moto avec le même symptôme de fusible qui pète.

Posté(e)

Oui ce sont des relais qui commandent plusieurs fonctions en même temps et parfois il y a des relais qui ont une masse il faut savoir combien il y a de fil qui arrivent sur ce relais

4 relais classique

5 relais avec masse

Posté(e)

Je devrais le recevoir ce matin!!

J'espère que ce n'est que ça :marcelpoire:

Posté(e)

Je te le souhaite... Le faisceau, perso je vois pas pourquoi. Ceci dit ça peut arriver. Tu heberges des souris dans la RS?!!! :lol:

 

Sur la DS, je dis pas! (D'ailleurs celle-ci rejoindra mon garage, c'est un certitude)

Posté(e)

Je suis depuis peu en Alsace , et je viens d'apprendre que des martres sévissent actuellement sur les véhicules!

En core faudrait il trouver ou???

Posté(e)

Bon, bien sur ce n'est pas le relais; c'eut été trop beau!!

Michel(De Vincy) m'envoie un calculateur pour voir....

Quelqu'un sait il ou il se trouve sur la RS?

Posté(e)

Tu as regardé dans le porte-relais devant le pare-brise accessible depuis le capot?

Posté(e)

bonjour

les faisceaux ne s'abiment pas qu'avec des souris

il y a d'ailleurs des cayennes, audi a4 b6 qui prennent feu à cause du faisceau et ce ne sont pas forcement des souris qui ont fais ça, alors arrete de les accuser à tort ces pauvres souris :icon_lol:

enfin bref

j'ai examiné un peu le schema

ton relais n'actionne pas que la pompe à carburant

il y a 4 fusibles S81 fusible de la pompe à carburant (specifique à la RS6)

fusible 28 relais de pompe à carburant

fusible 32 injecteurs et commande de regulateur de vitesse

fusible 34 relais de pompe à air secondaire....

quel est le fusible qui crame tout le temps ? le 28 ou le s81 (sur le schema 201/18 c'est le fusible C)

je te met les schémas en lien

 

emplacements des fusibles http://dl.free.fr/wrmEZrSJU

 

schema relais de pompe à carburant http://dl.free.fr/tNeX6nOHa

Posté(e)

si c'est le fusible 28 il se peut que ce soit ton calculateur de pompe d'alimentation qui soit hs

Posté(e)

C'est le 28 qui crame a chaque fois que j'actionne le démarreur.J17

Le J17 a été remplacé ce matin, mais rien de mieux.

Les fils verts derrère le fusible 28 réagissent au testeur

Posté(e)

Et savoir ou il se trouve?

Posté(e)

Ok , j'ai trouvé: derriére le passager arriére droit

J'ai débranché le connecteur du milieu(le plus gros) et le fusible ne claque pas.

Créer un compte ou se connecter pour commenter

Vous devez être membre afin de pouvoir déposer un commentaire

Créer un compte

Créez un compte sur notre communauté. C’est facile !

Créer un nouveau compte

Se connecter

Vous avez déjà un compte ? Connectez-vous ici.

Connectez-vous maintenant
×
×
  • Créer...