Aller au contenu
  • En ligne récemment   0 membre est en ligne

    • Aucun utilisateur enregistré regarde cette page.

Messages recommandés

Posté(e)

Bonsoir a tous,

 

Je possède une audi A3 1.8l turbo 150 ch de 1999.

 

Je dois changer la crémaillère de direction, cependant je ne trouve pas la bonne référence pour la pièce.

 

En effet sur ma carte grise j'ai inscrit cette série de chiffres WAUZZZ8LZYA0494476, or sur les sites, quand je tape la marque et le modèle de mon auto, ils me sortent une liste de pièces soit disant spécifiques pour mon modèle mais aucun des n° proposés ne correspond au mien.

 

Je voulais donc savoir si ce n° de moteur inscrit sur ma carte grise correspond bien a mon véhicule.

 

Merci par avance pour vos réponses. :icon_wink:

Invité funzy74
Posté(e)

1j1 422 062 E qui a été remplacé par 1j1 422 063N en 2007 qui a été 1j1 422 075 D en 2009 qui a été remplacé par 1j1 422 075 L en 2010

 

pour l'echange standard il faut mètre un X a la fin de la ref

Posté(e)

merci pour ta réponse^^

est-ce la référence que je dois vérifier lors de l'achat de la pièce? j'ai du mal regarder mais j'ai pas vu cette ref sur oscaro

Invité funzy74
Posté(e) (modifié)

1j1 422 062 E ,1j1 422 075 D , 1j1 422 063N et 1j1 422 075 L fonctionne sur oscaro

fait une recherche par référence!!

Modifié par funzy74
Posté(e) (modifié)

Salut,

 

Pour info, le N° WAUZZZ... ne correspond en rien au N° de moteur. Il s'agit du VIN (Vehicul Identification Number) ou N° d'identification du véhicule.

Le N° de moteur et son type sont gravés directement sur le bloc moteur.

 

Le P/N de crémaillère doit être un de ceux-ci :

http://vagcats.info/...1176/201/4/8105

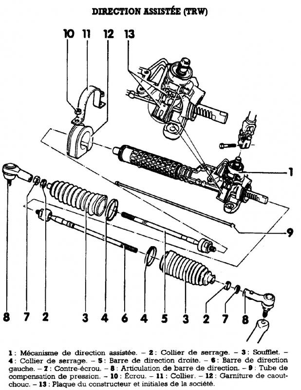
A priori, il faut surtout faire attention aux différents types de fonderies et remettre la même. Sur les A3, à priori, il n'y aurait que des fonderies de type ZF. http://www.partauto....ction-c-50.html

On reconnait cette dernière par son tube enveloppe qui est lisse et surtout pas quadrillé comme une grenade militaire sur la TRW.

Sur Golf 3 par exemple, il y avait aussi bien des montages ZF que des TRW.

A ne pas confondre "MONTAGE" avec la "MARQUE" puisque TRW fait également des crémaillères en montage ZF (c'est pas simple, j'en conviens)

Voici un schéma explicite concernant les 2 type de montages :

 

 

trw.jpgzf.jpg

 

@+

Modifié par WAUZZZ
Posté(e)

wahou merci pour toutes ces précisions^^, je vais faire ma sélection et demander a mon garagiste laquelle sera la mieux, mais bon sang cette histoire de consigne a payer et renvoyer l'ancienne pièce, c'est la misère ce truc.

Encore merci.

:)

Posté(e)

rebonsoir,

 

J'hésite a prendre cette pièce en neuf ou occasion, a votre avis ca craint en occas ou dois je prendre du neuf les yeux fermés?

A savoir une crémallière de direction

Merci a l'avance pour vos avis :icon_smile:

Posté(e)

Slt !

 

Pour ma part je te conseillerais du neuf, les echanges standards c'est bien beau mais pour cette piece je l'aurais prise neuve par prudence...

A toi de voir

Invité funzy74
Posté(e)

normalement les échanges standard sont contrôlé sous tout les coutures, toute les pièces d'usure sont remplacé tout est mesuré au micromètre

 

après il se peut toujours que ça merde en effet, j'ai vu un scenic 1 ph2 revenir 1ans et demis après, avec la direction super dure la crémaillère avais lâché ... mais ça reste rare!!

Posté(e)

en effet

le truc embêtant avec oscaro comme toute autres sites, c'est que la consigne coûte plus chère que la pièce. de 260 euros on passe a plus de 600 euros une fois la consigne rajoutée, en plus de ca il faut la renvoyer lol l'ancienne pièce, a nos frais, un engin d'un mètre de long en collisimo et ils te rembourse une fois la pièce reçue.

je crois que je vais manger des cacahuettes pendant quelques semaines lol

Posté(e)

J'ai un problème d'etrier sur ma A3, en changeant celui en cause par un echange standard le problème persiste je soupconne a nouveau la piece recue, et même neuve elle peut aussi avoir un defaut

Créer un compte ou se connecter pour commenter

Vous devez être membre afin de pouvoir déposer un commentaire

Créer un compte

Créez un compte sur notre communauté. C’est facile !

Créer un nouveau compte

Se connecter

Vous avez déjà un compte ? Connectez-vous ici.

Connectez-vous maintenant
×
×
  • Créer...