-
Compteur de contenus
363 -
Inscription
-
Dernière visite
Tout ce qui a été posté par MANU2
-
SA MARCHE PAS ASSEZ ALORS!??
-
sa vaut maxi 20euros :hot: :coucou: :coucou: :coucou: dans les naurotos les truc comme sa
-
Quel type de rivet pour plaque arrière
MANU2 a répondu à un(e) sujet de TBO91 dans Electricité / Electronique
mets des rondelles :biere: nan sans deconner il doit pas y avoir des rivets speciaux audi!! -
[B5]foudre de guerre ou bonne routiere
MANU2 a répondu à un(e) sujet de MANU2 dans A4 B5 - (1995 à 2001)
:a3: oui on se demande meme a savoir si il y a vraiment 150CH quand tu a un diesel au cul sur autoroute si tu petes pas un rapport voir deux desfois il te laches pas -
voila je possede une audi A4 1L8T et je ne suis pas surpris par sa puissance si je ne suis pas dans les tours ,sa rame un peu je trouve je vous donne un bon site ou comparer vos vehicules et si quelqu un a la meme que moi qu il me fasse parvenir son avis merci a tous http://www.zeperfs.com/perfs.php?Action=Duel
-
et dans la boite a gant c est pareil parce que moi... ;) :P :P :P
-
oupssss oui j ai pas fait attention encore desole vraiment :dodo: :dodo: :dodo: :dodo: :dodo: :dodo: :dodo: :dodo: :dodo: :dodo:
-
tiens je te files le lien comme sa... http://forums.audipassion.com/services/forums...REPARATION+1L8T
-
OUAH LA A MON AVIS IL Y A DU BOULOT POURQUOI NE PAS LE PREPARER VA VOIR L AUTREE TOPIC SUR LA PERPA DU 1L8T IL EST PASSER A 200CH JE CROIS :bigsmile: :hot: :hot: :hot:
-
ok la mienne est de 98 toute options et c un aeb c etait pour info que je voulais savoir sait tu combien le turbo developpe dans le moteur?
-
A4 1L8T TOURNE MAL VOIR SUR TROIS PATTES
MANU2 a répondu à un(e) sujet de MANU2 dans Electricité / Electronique
mevoila apres un petit tour chez audi et apres avoir tester mon module de puissance ou aussi etage finale des bobines la bornes corespondant a la 2eme bobine le jus ne passe pas du tous!! donc je suis allé chez audi et il m annonce la maudite somme de 283EURO TTC PAS CHERE!!! je ne sais pas trop quoi faire la! il faut savoir qu au diag le probleme ne ressort pas... quelqu un a t il un plan mon pote qui a le 1L8T n a pas le meme module car pas le meme moteur moi c est un aeb que faire pour etre sur avant d investir y a t il quelqu un d assé pres de chez moi pour me faire tester le sien je suis de courtry pres de livry gargan, sevran,villepeinte merci a tous ;) -
A4 1L8T TOURNE MAL VOIR SUR TROIS PATTES
MANU2 a répondu à un(e) sujet de MANU2 dans Electricité / Electronique
et surtout tester le faiseau si c est lui le probleme c est un peu le bordel c est pas un faiseau de lada sa! -
A4 1L8T TOURNE MAL VOIR SUR TROIS PATTES
MANU2 a répondu à un(e) sujet de MANU2 dans Electricité / Electronique
c bien sequi me semblait nico mais tant de nom pour cette bstiole demain je lui jete un sort -
salut a tous dis moi marco elle est de quelle annee ton auto et quel type moteur est ce :bigsmile: :bien: :bien:
-
A4 1L8T TOURNE MAL VOIR SUR TROIS PATTES
MANU2 a répondu à un(e) sujet de MANU2 dans Electricité / Electronique
pas de problemes pour la petite explications oui c est bon cest donc sa qu on apelle module de puissance je v ais voir si sa peut se tester j ai un pote qui a un a3 turbo a voir merci -
A4 1L8T TOURNE MAL VOIR SUR TROIS PATTES
MANU2 a répondu à un(e) sujet de MANU2 dans Electricité / Electronique
je l ai su trop tard sa va je suis desole vous etes exigeant quand meme <_< <_< -
A4 1L8T TOURNE MAL VOIR SUR TROIS PATTES
MANU2 a répondu à un(e) sujet de MANU2 dans Electricité / Electronique
OK APPELE AUSSI ETAGE FINAL DE PUISSANCE ALORS -
A4 1L8T TOURNE MAL VOIR SUR TROIS PATTES
MANU2 a répondu à un(e) sujet de MANU2 dans Electricité / Electronique
ok mais il se trouve ou se module d allumage j ai un pote qui a un a3 1L8T dans ces cas la -
A4 1L8T TOURNE MAL VOIR SUR TROIS PATTES
MANU2 a répondu à un(e) sujet de MANU2 dans Electricité / Electronique
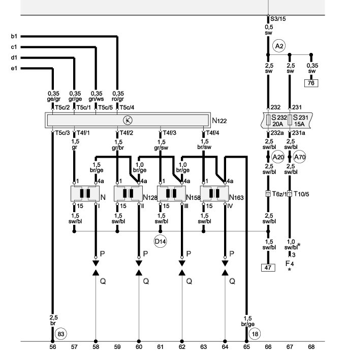
j explique donc ex je test la bobine 1 et 3 sur toutes les bornes des fiches de bobines le jus passe mais sur la 2eme bobine la fiche qui mene au n122 LE JUS NE PASSE PAS j avance doucement mais j avance merci pour le shema quelqu un a une idee Image IPB Système d'allumage D - Contact-démarreur F4 - Contacteur de feux de recul N - Bobine d'allumage 1 N122 - Etage final de puissance N128 - Bobine d'allumage 2 N158 - Bobine d'allumage 3 N163 - Bobine d'allumage 4 P - Fiche de bougie d'allumage Q - Bougies d'allumage T4f - Connexion à fiche, 4 raccords, noire, sur l'étage final d'allumage T5c - Connexion à fiche, 5 raccords, noire, sur l'étage final d'allumage T10 - Connexion à fiche, 10 raccords, marron, station de couplage du boîtier électronique, caisson d'eau T10ar - Connexion à fiche, 10 raccords, orange, station de couplage du boîtier électronique, caisson d'eau S5 - Fusibles sur le porte-fusibles/la plaque porte-relais S231 - Fusible sur le porte-fusibles S232 - Fusible sur le porte-fusibles 18 - Point de masse, sur le bloc-moteur 83 - Raccord de mise à la masse -1-, dans le câblage AV D A2 - Raccord positif (15), dans le câblage du tableau de bord A20 - Raccord (15a), dans le câblage du tableau de bord A70 - Raccord (15a, fusible 231), dans le câblage du tableau de bord D14 - Raccord (bougies de préchauffage - appareil de commande), dans le câblage AV D B) etage final de puissance ou le trouver sous mon capot? -
A4 1L8T TOURNE MAL VOIR SUR TROIS PATTES
MANU2 a répondu à un(e) sujet de MANU2 dans Electricité / Electronique
voila je n est toujour pas amene la voilure au diag mais j ai tester chaque borne de chaque fiche de bobine et le jus ne passe pas sur un fiche de la 2eme bobine rest a savoir pourquoi ou trouver ce shema electrique svp qui peut m aider :unsure: -
ET SUR LE MOTEUR AEB SA NE FONCTIONNE PAS?
-
A4 1L8T TOURNE MAL VOIR SUR TROIS PATTES
MANU2 a répondu à un(e) sujet de MANU2 dans Electricité / Electronique
quelqu un saitcombien coute le diag chez audi ou vwmerci -
A4 1L8T TOURNE MAL VOIR SUR TROIS PATTES
MANU2 a répondu à un(e) sujet de MANU2 dans Electricité / Electronique
cool merci fred c est tres sympa de ta part -
A4 1L8T TOURNE MAL VOIR SUR TROIS PATTES
MANU2 a répondu à un(e) sujet de MANU2 dans Electricité / Electronique
sur un cylindre sa le ferai sur tous non -
A4 1L8T TOURNE MAL VOIR SUR TROIS PATTES
MANU2 a répondu à un(e) sujet de MANU2 dans Electricité / Electronique
je n est pas d eteincelle au 2EME cylindre a quoi sert ce module de puissance dit moi je suis curieux de savoir non en faite sa n a pas fonctionner la personne qui me l a remonté m a dit que sa marchait mais a la final pas d amelioration
| Quelques Liens | |||||||||||||||||||||
|---|---|---|---|---|---|---|---|---|---|---|---|---|---|---|---|---|---|---|---|---|---|
|
Administrateur |
La Charte du Forum |
||||||||||||||||||||
Rappel sur la Diffamation et la Calomnie
La diffusion d’informations fausses ou erronées visant à déstabiliser, voire à compromettre l’intégrité d’autrui, voire même jugée tendancieuse ou malhonnête, pourra être considérée comme de la diffamation pouvant faire valoir nos droits en déposant plainte contre les auteurs de ces propos.
C'est pourquoi, vous êtes tenus de respecter notre Charte d'Utilisation à l'instant même que vous vous trouvez dans ces lieux.
Information
Merci à vous d'être dans ces lieux, de participer et de partager vos expériences dans la communauté des 4 anneaux.
Il est important de ne pas oublier, qu'en naviguant sur cette plateforme et qu'en vous connectant sur AudiPassion, que vous avez lu et accepté notre charte d'utilisation.
Publicité
AudiPassion vit grâce à son référencement par les moteurs de recherche et de la publicité non-intrusive.
L'utilisation de filtres bloquant les scripts de référencement statistique ou l'affichage de bannières publicitaires n'est pas recommandé.
Pour faire vivre le forum gratuitement, nous vous remercions de ne pas activer cette fonctionnalité dans votre navigateur...