Luchio
Utilisateur-
Compteur de contenus
31 -
Inscription
-
Dernière visite
Tout ce qui a été posté par Luchio
-
Recherche ref. outil spécial
Luchio a répondu à un(e) sujet de Luchio dans Electricité / Electronique
j'ai trouvé !! http://buy.equipmentsolutions.com/eqs_va/N...p;item_id=14059 Site très intéressant répertoriant les outils spéciaux utilisés pour nos voitures. -
Quelqu'un aurait-il déjà changé la poulie roue-libre de l'alternateur sur une A4 130ch version 2004 ? Il faut une clé spéciale et je ne trouve pas la référence. Est-ce que ça parle à l'un de vous ? Merci !
-
en fait l'alternateur tourne plus vite que le moteur au ralenti, la poulie roue-libre étant grippée, ça fait couiner la courroie
-
bon après un passage en concession il semblerait que ce soit la poulie roue-libre de l'alternateur qui soit grippée, résultat 59€ !! Je change celà sous peu, je mettrais des photos si ça intéresse...
-
ça commence quand même à bien m'inquiéter ce problème, personne n'aurait une petite idée à me donner ? Merci
-
Bonjour à tous, j'ai une A4 de fin 2003 et ma direction couine lorsque je tourne le volant à l'arrêt ou à faible vitesse. Déjà vérifié le niveau d'huile (qui était trop important) j'en ai donc enlevé un peu mais rien n'a changé. De quoi celà peut provenir, crémaillère, pompe ? Que puis-je contrôler ? Avez-vous déjà eu ce problème ? De plus, lorsque je démarre le véhicule, lors du premier braquage, ça fait un frottement perceptible au niveau des pédales... Merci !!
-
changement reniflard(crepine) sur a6 v6 tdi
Luchio a répondu à un(e) sujet de a6 tdi dans Electricité / Electronique
oui désserer les injecteurs un par un, démarrer et reserrer lorsqu'il commence à "uriner" Une fois que tu as réamorcé les 6 ça devrait démarrer sans problème -
merci Tiwolf pour ta participation, je commençais à déséspérer !! En effet je voterais plutôt pour un léger claquement, mais quasi pas perceptible à la main... Si la boite a un coup que me conseillez-vous de faire ? Quelle pièce(s) incriminée(s) ?
-
toujours pas d'âme charitable pour un petit conseil ??
-
y a personne pour un petit conseil ? Je me barre en vacance le 25 et je souhaitais savoir s'il y avait un risque ou pas..... Merci d'avance !!
-
Bonjour à tous, j'ai dépuis peu un bruit qui est apparut sur mon A4. Lorsque je change de vitesse (uniquement lors de passage montant, pas lors de rétrogadation), il y a un petit bruit sourd qui se manifeste et qui se confirme lorsque je relâche l'embrayage. Comme un bruit sourd de cloche assez lointain. Le problème apparait plus souvent lorsque je suis au-delà des 2000tr/min. Je peux provoquer ce bruit différemment : je me stabilise à une allure (quelque soit la vitesse) où je me situe au delà de 2000tr/min j'accélère je relâche l'accélérateur j'accélère .... A chaque fois que je ré-accélère le bruit apparaît. A quoi pensez-vous ? Un pb transmission ??? Merci pour votre aide.
-
et bien oui j'ai nettoyé un minimun l'egr. J'ai quand même du faire quelques bornes pour que les fumées disparaissent complètement. Sachant qu'il y a 6 mois environ j'avais une fuite d'huile au niveau du support filtre à huile, j'avais changé le joint 34 sans savoir la cause exact.... Maintenant je pense savoir !!! Merci encore.
-
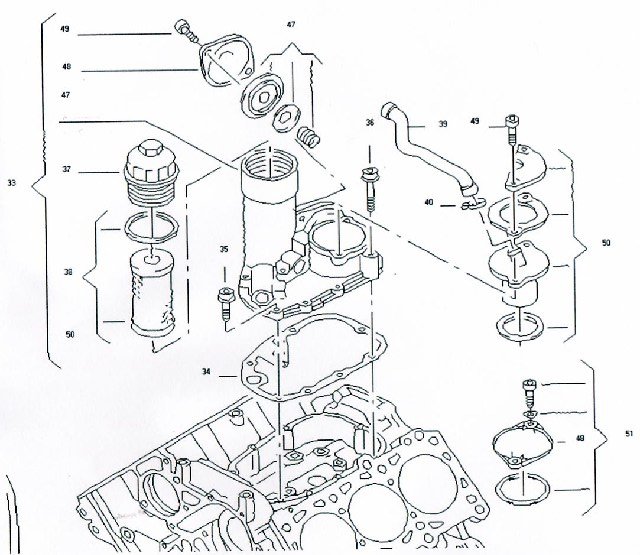
donc après changement de la partie 50 sur le schéma, ensemble de joints (62€), et une vingtaine de kilomètres, la fumée s'est estompée jusqu'à disparaitre. Plus de psssiit non plus quand moteur qui tourne, j'ouvre le couvercle d'huile moteur. C'est donc une réussite, et ce, grace à vous !! Merci à tous pour vos conseils.
-
eh bien voilà j'ai changé les filtres reniflard, l'ensemble est bien le 50 sur la photo, prix 62€ Je fume nettement moins mais quand je me situe à 2500tr/min et que j'ouvre en grand je dégage encore un beau nuage noir. J'ai lors de l'intervention aussi remarqué qu'une durite qui est sur le circuit échangeur air avait le collier de serrage à moitié enlevé, je l'ai remise en place. Faut-il un certain kilométrage pour que la fumée n'apparaisse plus ? Qu'en pensez-vous ? Merci !
-
un petit up pour les réponses !! Merci.
-
bon j'ai refait le test du bouchon d'huile et ça fait pssiiit. Par contre 3 garage Audi dans mon coin et il sont tous peu familier avec le reniflard...le quoi ? Mais pour faire quoi, on change jamais cette pièce... Et c'est juste le flexible c'est ça ? Donc pourriez-vous me confirmer que c'est bien l'ensemble 50 sur l'image ci-jointe ? Mon type moteur est AKN mais est-ce le même type pour celui du 180ch ? Merci !!
-
ok donc durite rien trouvé de percé pour le moment En ce qui concerne le pssittt, c'est difficile de dire car moteur allumé entrendre un psssiittt c'est délicat mais je dirais que c'est ok pas de psiit Qu'en pensez-vous ?
-
et si psssitt, il y a quel est le remède ?
-
rien d'anormal à priori pour les durites...je vais approfondir ce week-end Pour le reniflard, comment pourrais-je le vérifier ?
-
ok je vais de suite regarder mes durite, je l'avais déjà fait mais juste sur celle qui est emmanchée sur le turbo. Pour la pression d'huile vais voir aussi moteur tournant, vous tiens au jus. Merci !!
-
Bonjour à tous, mon A4 break, 2.5tdi de 2000, fume pas mal en ce moment. Si je roule "pèpère" et que tout à coup j'ouvre les gaz, je projète un vrai nuage noir derrière moi ! Et en roulant normal, ça fume toujours un peu, surtout lors des accélérations. J'ai consulté les sujets qui parlaient de ce problème et ça débouche souvent sur le débimètre mais comment en être sûr ? Merci de vos conseils.
-
personne n'a d'idée, de remarque ???????????? Cette essui-glace sortira-t-il vainqueur ??? NON ce n'est pas possible ne me laissez pas comme ça !!!!!
-
bonjour à tous, toujours pas de bonnes news pour cet essui-glace de m.....!! J'ai trouvé le fusible de'essui-glace arrière (pour info dans la doc audi c'etait le volant chauffant que ...je n'ai pas !!!) Le relais est le même pour l'avant et pour l'arrière ! J'ai démonté le moteur complètement et fait un néttoyage....sans succès !! Quelqu'un aurait-il une A4 break pour vérifier ce qu'il a en sortie sur le connecteur qui se branche sur le moteur ?? Ca me permettrait de savoir si c'est le moteur et sa petite gestion electronique ou pas. Il y a 4 fils sur le connecteur. Merci beaucoup à celui qui se prendra le temps de regarder celà. Chez Audi ils pensait que c'était aussi le relais jusqu'à que je leur montre moi-même que ce n'est pas ça !! Sinon ils me proposent de leur laisser le véhicule...(à 60€ l'heure de recherche je tente pas encore le coup !!) Merci de votre aide.
-
bonjour à tous, quelqu'un aurait-il la description des fonctionnement des relais ? Je cherche le relais qui pilote l'essui-glace arrière sur mon A4 break de 2000. Merci de votre aide.
| Quelques Liens | |||||||||||||||||||||
|---|---|---|---|---|---|---|---|---|---|---|---|---|---|---|---|---|---|---|---|---|---|
|
Administrateur |
La Charte du Forum |
||||||||||||||||||||
Rappel sur la Diffamation et la Calomnie
La diffusion d’informations fausses ou erronées visant à déstabiliser, voire à compromettre l’intégrité d’autrui, voire même jugée tendancieuse ou malhonnête, pourra être considérée comme de la diffamation pouvant faire valoir nos droits en déposant plainte contre les auteurs de ces propos.
C'est pourquoi, vous êtes tenus de respecter notre Charte d'Utilisation à l'instant même que vous vous trouvez dans ces lieux.
Information
Merci à vous d'être dans ces lieux, de participer et de partager vos expériences dans la communauté des 4 anneaux.
Il est important de ne pas oublier, qu'en naviguant sur cette plateforme et qu'en vous connectant sur AudiPassion, que vous avez lu et accepté notre charte d'utilisation.
Publicité
AudiPassion vit grâce à son référencement par les moteurs de recherche et de la publicité non-intrusive.
L'utilisation de filtres bloquant les scripts de référencement statistique ou l'affichage de bannières publicitaires n'est pas recommandé.
Pour faire vivre le forum gratuitement, nous vous remercions de ne pas activer cette fonctionnalité dans votre navigateur...